- Описание
- Характеристики
- Видео
Расшифровка обозначения
Насос НФ2 500/650.658.Т-315/8-306
Н - наружный электродвигатель («сухой»);
Ф - гидравлическая часть насоса предназначена для перекачивания сточных вод;
2 - в насосе установлено двух - канальное рабочее колесо;
500 - номинальный диаметр напорного патрубка, мм;
650 - номинальный диаметр рабочего колеса, мм;
658 - фактический диаметр рабочего колеса, мм;
Т - спец.исполнение;
315 - номинальная мощность электродвигателя, кВт;
8 - число полюсов электродвигателя;
3 - стационарный моноблочный вертикальный;
0 - без шкафа защиты и управления
6 - насос с датчиками температуры в обмотках статора и влажности в масляной камере;
Условия гарантии и шкафы управления
На насос без шкафа управления предоставляется гарантия 12 месяцев.
Гарантийный срок 24 месяца предоставляется на насосы Иртыш, укомплектованные шкафами управления Иртыш.
Шкаф управления Иртыш контролирует работу насоса по датчикам, установленным в основных узлах насоса Иртыш, и обеспечивает необходимую защиту электрической части, что гарантирует длительную и безаварийную работу насоса.
Для работы в автоматическом режиме насос или группу насосов мощностью более 3 кВт необходимо подключать через плавный пуск или частотный регулятор.
Для эксплуатации насоса в автоматическом режиме рекомендуем взамен данного насоса применить однонасосный комплект (насос и шкаф управления) Иртыш НФ2 500/650.658.Т-315/8-336.
Для эксплуатации насоса в ручном режиме рекомендуем взамен данного насоса применить однонасосный комплект (насос и шкаф управления) Иртыш НФ2 500/650.658.Т-315/8-316.
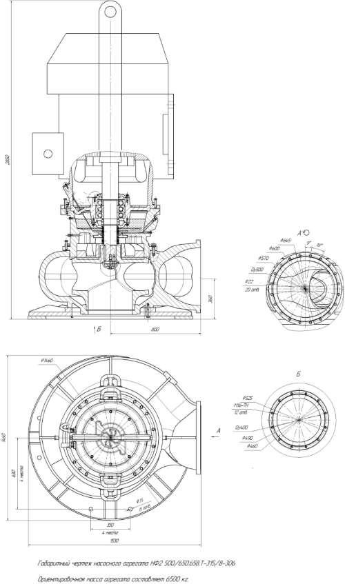
Общий вид и габаритные размеры электронасоса

Параметры рабочей точки
|
Производительность, Q |
3000 |
м³/ч |
|
Напор, Н |
21 |
м |
|
Потребляемая мощность в рабочей точке, Nпотр |
265 |
кВт |
|
КПД агрегата, η |
54 |
% |
Характеристики насоса
|
Вариант монтажа насоса |
«сухой» вертикальный монтаж |
|
Условный диаметр напорного патрубка, Ду, мм |
500 |
|
Тип рабочего колеса |
двух - канальное |
|
Фактический диаметр рабочего колеса, мм |
658 |
|
Максимальный размер перекачиваемых частиц, мм |
150 |
|
Тип уплотнения вала |
торцовое |
|
Материал вращающейся части и неподвижного кольца торцового уплотнения |
карбид кремния |
|
Материал рабочего колеса |
чугун СЧ20 |
|
Материал корпуса спирального |
чугун СЧ20 |
Параметры электродвигателя
|
Номинальная мощность, кВт |
315 |
|
Напряжение, В |
380 |
|
Частота тока, Гц |
50 |
|
Номинальный ток, А |
502 |
|
Число полюсов |
8 |
|
Частота вращения, об/мин |
740 |
|
Сos φ |
0.86 |
|
КПД эл. двигателя |
95 |
|
единение обмоток по схеме |
звезда |
|
Класс нагревостойкости |
F |
|
Способ охлаждения электродвигателя |
наружный электродвигатель («сухой») |
|
Способ защиты электродвигателя |
влаго-термозащита; |
|
Степень защиты электродвигателя |
IP 68; |
|
Длина встроенного электрического кабеля, м |
10 |
|
Количество жил кабеля, шт. |
3+1+3 |
|
Сечение жил, мм² |
25+10+1 |
|
Изоляция кабеля |
маслостойкая |
|
Исполнение шкафа защиты, поставляемого в комплекте с насосом |
без шкафа защиты и управления |



Ресурсы
|
Средняя наработка на отказ, часов, не менее |
7000 |
|
Средний ресурс до главного техобслуживания, часов, не менее |
20000 |
|
Средний срок службы, лет, не менее |
20 |
|
Масса насосного агрегата без шкафа управления, кг. |
6500 |







