- Описание
- Характеристики
- Видео
Расшифровка обозначения
Насос НФ4 150/500.500-200/4-212:
Н - наружный электродвигатель;
Ф - гидравлическая часть насоса предназначена для перекачивания сточных вод;
4 - в насосе установлено четырех - канальное рабочее колесо;
150 - номинальный диаметр напорного патрубка, мм;
500 - номинальный диаметр рабочего колеса, мм;
500 - фактический диаметр рабочего колеса, мм;
200 - номинальная мощность электродвигателя, кВт;
4 - число полюсов электродвигателя;
2 - стационарный моноблочный горизонтальный;
1 - ручного управления;
2 - влагозащита;
Шкаф защиты и управления
Насос укомплектован шкафом управления Иртыш ШУ1-1.200.6-31
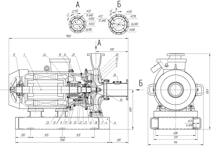
Общий вид и габаритные размеры электронасоса

1. Электродвигатель;
2. Колесо рабочее;
3. Корпус спиральный;
4. Торцовое уплотнение;
5. Торцовое уплотнение;
6. Рама;
7. Аппарат направляющий;
8. Пробка масляной камеры для заливки масла;
9. Метизы крепления стакана подшипника к корпусу электродвигателя;
10. Метизы крепления колеса рабочего;
11. Подшипник;
12. Подшипник (-ки);
13. Датчик влажности;
14. Метизы крепления корпуса камеры к корпусу электродвигателя;
15. Корпус камеры;
17. Стакан подшипника;
18. Метизы крепления аппарата направляющего к корпусу камеры;
19. Метизы крепления крышки камеры к корпусу камеры;
20. Крышка камеры;
21. Крышка подшипника;
22. Метизы крепления крышки подшипника к стакану подшипника;
23. Крышка подшипника верхняя;
24. Метизы крепления крышки подшипника верхней к стакану подшипника;
25. Пробка масляной камеры для залива масла;
26. Патрубок входной.
Параметры рабочей точки
|
Производительность, Q |
400 |
м³/ч |
|
Напор, Н |
80 |
м |
|
Потребляемая мощность в рабочей точке, Nпотр |
161 |
кВт |
|
КПД агрегата, η |
54 |
% |
Характеристики насоса
|
Вариант монтажа насоса |
стационарный моноблочный горизонтальный |
|
Условный диаметр напорного патрубка, Ду, мм |
150 |
|
Условный диаметр всасывающего патрубка, Ду, мм |
200 |
|
Тип рабочего колеса |
четырех - канальное |
|
Фактический диаметр рабочего колеса, мм |
500 |
|
Максимальный размер перекачиваемых частиц, мм |
55 |
|
Тип уплотнения вала |
торцовое |
|
Материал вращающейся части и неподвижного кольца торцового уплотнения |
карбид кремния |
|
Материал рабочего колеса |
чугун СЧ20 |
|
Материал корпуса спирального |
чугун СЧ20 |
Параметры электродвигателя
|
Номинальная мощность, кВт |
200 |
|
Напряжение, В |
380/660 |
|
Частота тока, Гц |
50 |
|
Номинальный ток, А |
356/205 |
|
Число полюсов |
4 |
|
Частота вращения, об/мин |
1486 |
|
Сos φ |
0,88 |
|
КПД эл. двигателя |
95,6 |
|
единение обмоток по схеме |
D/звезда |
|
Класс нагревостойкости |
F |
|
Способ защиты электродвигателя |
влагозащита |
|
Степень защиты электродвигателя |
IP 54 |



Ресурсы
|
Средняя наработка на отказ, часов, не менее |
7000 |
|
Средний ресурс до главного техобслуживания, часов, не менее |
20000 |
|
Средний срок службы, лет, не менее |
20 |
|
Масса насосного агрегата без шкафа управления, кг. |
~2650 |







