- Описание
- Характеристики
- Видео
Расшифровка обозначения
Насос ПД 40/250.238-15/2Ex-106:
П - погружной электродвигатель без принудительного охлаждения;
Д - для слабозагрязнённой и чистой воды;
40 - номинальный диаметр напорного патрубка, мм;
250 - номинальный диаметр рабочего колеса, мм;
238 - фактический диаметр рабочего колеса, мм;
- без обозначения, стандартная длина кабеля 10 метров;
15 - номинальная мощность электродвигателя, кВт;
2 - число полюсов электродвигателя;
Ех - взрывозащищенного исполнения;
1 - монтаж на опускном устройстве;
0 - без шкафа защиты и управления;
6 - влаго-термозащита;
Условия гарантии и шкафы управления
На насос без шкафа управления предоставляется гарантия 12 месяцев.
Гарантийный срок 24 месяца предоставляется на насосы Иртыш, укомплектованные шкафами управления Иртыш.
Шкаф управления Иртыш контролирует работу насоса по датчикам, установленным в основных узлах насоса Иртыш, и обеспечивает необходимую защиту электрической части, что гарантирует длительную и безаварийную работу насоса.
Для работы в автоматическом режиме насос или группу насосов мощностью более 3 кВт необходимо подключать через плавный пуск или частотный регулятор.
Для эксплуатации насоса в автоматическом режиме рекомендуем взамен данного насоса применить однонасосный комплект (насос и шкаф управления) Иртыш ПД 40/250.238-15/2Ex-136.
Для эксплуатации насоса в ручном режиме рекомендуем взамен данного насоса применить однонасосный комплект (насос и шкаф управления) Иртыш ПД 40/250.238-15/2Ex-116.
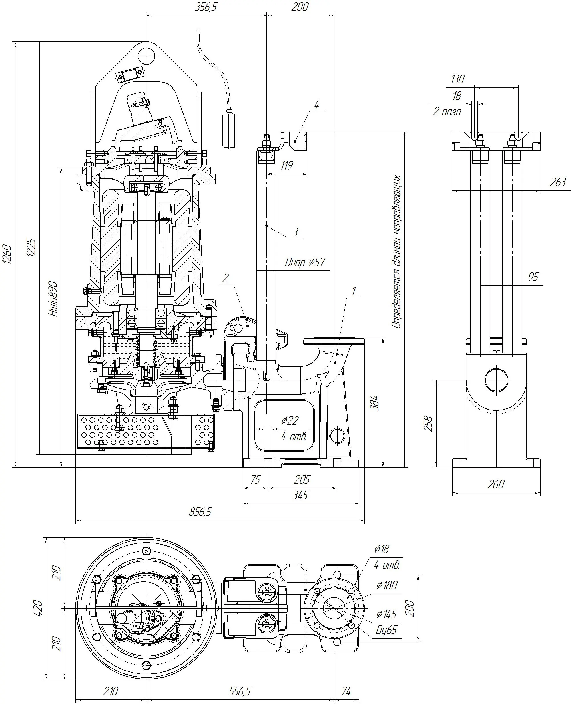
Габаритные размеры

Обозначения на чертеже
1. Патрубок погружной;
2. Насос с захватом;
3. Направляющие;
4. Кронштейн верхний;
Параметры рабочей точки
|
Производительность, Q |
25 м³/ч |
|
Напор, Н |
73 м |
|
Потребляемая мощность в рабочей точке, Nпотр |
12,2 кВт |
|
КПД агрегата, η |
36 % |
Характеристики насоса
|
Вариант монтажа насоса |
на опускном устройстве |
|
Условный диаметр напорного патрубка, Ду |
40 мм |
|
Тип рабочего колеса |
многоканальное |
|
Фактический диаметр рабочего колеса |
238 мм |
|
Рекомендуемая глубина погружения |
не более 10 м |
|
Максимальный размер перекачиваемых частиц |
0,2 мм |
|
Тип уплотнения вала |
торцовое |
|
Материал вращающейся части и неподвижного кольца торцового уплотнения |
карбид кремния |
|
Материал рабочего колеса |
чугун СЧ20 |
|
Материал корпуса спирального |
чугун СЧ20 |
Параметры электродвигателя
|
Номинальная мощность |
15 кВт |
|
Напряжение |
380/660 В |
|
Частота тока |
50 Гц |
|
Номинальный ток |
28/16 А |
|
Число полюсов |
2 |
|
Частота вращения |
2925 об/мин |
|
Сos φ |
0,91 |
|
КПД эл. двигателя |
88,6 % |
|
Соединение обмоток по схеме |
∆/Y (Треугольник/Звезда) |
|
Класс нагревостойкости |
F |
|
Способ охлаждения электродвигателя |
погружной электродвигатель без принудительного охлаждения |
|
Способ защиты электродвигателя |
влаго-термозащита |
|
Степень защиты электродвигателя |
IP 68 |
|
Длина встроенного электрического кабеля |
10 м |
|
Количество жил кабеля |
3х1х3 шт |
|
Сечение жил |
10х6х2,5 мм² |
|
Изоляция кабеля |
маслостойкая |
|
Исполнение шкафа защиты, поставляемого в комплекте с насосом |
без шкафа защиты и управления |

Ресурсы
|
Средняя наработка на отказ |
не менее 7000 часов |
|
Средний ресурс до главного техобслуживания |
не менее 20000 часов |
|
Средний срок службы |
не менее 20 лет |
|
Масса насосного агрегата без шкафа управления |
325 кг |







