- Описание
- Характеристики
- Видео
- Документация
Основные параметры
Электронасос погружной фекальный серии «Иртыш» типа ПФ2 125/315.317-30/4Ех-116
Расход: от 120 до 280 м³/ч
Напор: от 24 до 33,5 м.в.с.
Артикул (Код для заказа): уточняется при заказе оборудования
Внимание! Опускное устройство заказывается отдельно и имеет собственный артикул!
Внимание!
НАСОС УКОМПЛЕКТОВАН ШКАФОМ УПРАВЛЕНИЯ ИРТЫШ ШУ1-1.30.6-31!!!
В случае применения насоса без шкафа защиты или с каким-либо шкафом защиты (управления) не обеспечивающим защиту насоса в полном объёме предприятие не несет гарантийных обязательств за выход насосов из рабочего состояния по причине нереализованных защит, предусмотренных шкафами защиты (управления) Иртыш.
Назначение и условия эксплуатации
1.1. Электронасосы серии «Иртыш» типа ПФ (ПФс) исполнения Ех (взрывозащищенного исполнения) с маркировкой 1 Ex d IIB T4 Gb X являются электрооборудованием группы IIВ с уровнем взрывозащиты Gb и видом взрывозащиты «взрывонепроницаемая оболочка «d» и предназначены для:
- применения в местах (кроме подземных выработок шахт и их наземных строений) опасных по взрывоопасной среде этилена и пропана, температура воспламенения которых более 135°С;
- перекачивания бытовых и промышленных загрязнённых жидкостей (фекальных, сточных вод, промышленных стоков), с водородным показателем рН=6,0…9,0 плотностью до 1100 кг/м³, температурой от 274К (1°С) до 313К (40°С), с содержанием различных неабразивных взвешенных частиц максимальным размером согласно таблицы 1, включая коротковолокнистые, (длинноволокнистые для насосов типа ПФс), концентрацией до 2% по массе, абразивных взвешенных частиц не более 1% по объёму, размером до 5мм и микротвердостью не более 9000 МПа. При комплектации насоса силиконовыми уплотнителями допускается эксплуатация в промышленных стоках с содержанием фенола до 15 мг/л температурой до 313К (40°С).
Гидравлическая (неэлектрическая) часть насоса с маркировкой IIGb с/k T4X является оборудованием группы II с уровнем взрывозащиты Gb и видом взрывозащиты c/k (защита конструкционной безопасностью/защита жидкостным погружением).
Знак «Х» в маркировке обозначает специальные условия применения, которые должны обеспечиваться потребителем:
1. Охлаждающий кожух (для исполнения с рубашкой охлаждения), должен быть заполнен перекачиваемой жидкостью или технической жидкостью от постороннего источника в процессе эксплуатации.
2. Насосы при работе должны быть постоянно погружены в перекачиваемую жидкую среду, уровень которой меняется; при достижении заданного минимального уровня жидкости насос отключается. Минимальный уровень жидкости определяется высотным размером насоса; при использовании рубашки охлаждения минимальный уровень жидкости определяется высотой гидравлической части насоса.
3. Работа по «сухому ходу» запрещена.
4. Насос поставляется с постоянно подсоединенным кабелем, при подключении требуется обеспечить необходимый уровень взрывозащиты.
5. Кабельные линии должны быть защищены от механических повреждений.
6. Диапазон температуры окружающей среды и перекачиваемой жидкости для насоса от +1°С до +40°С.
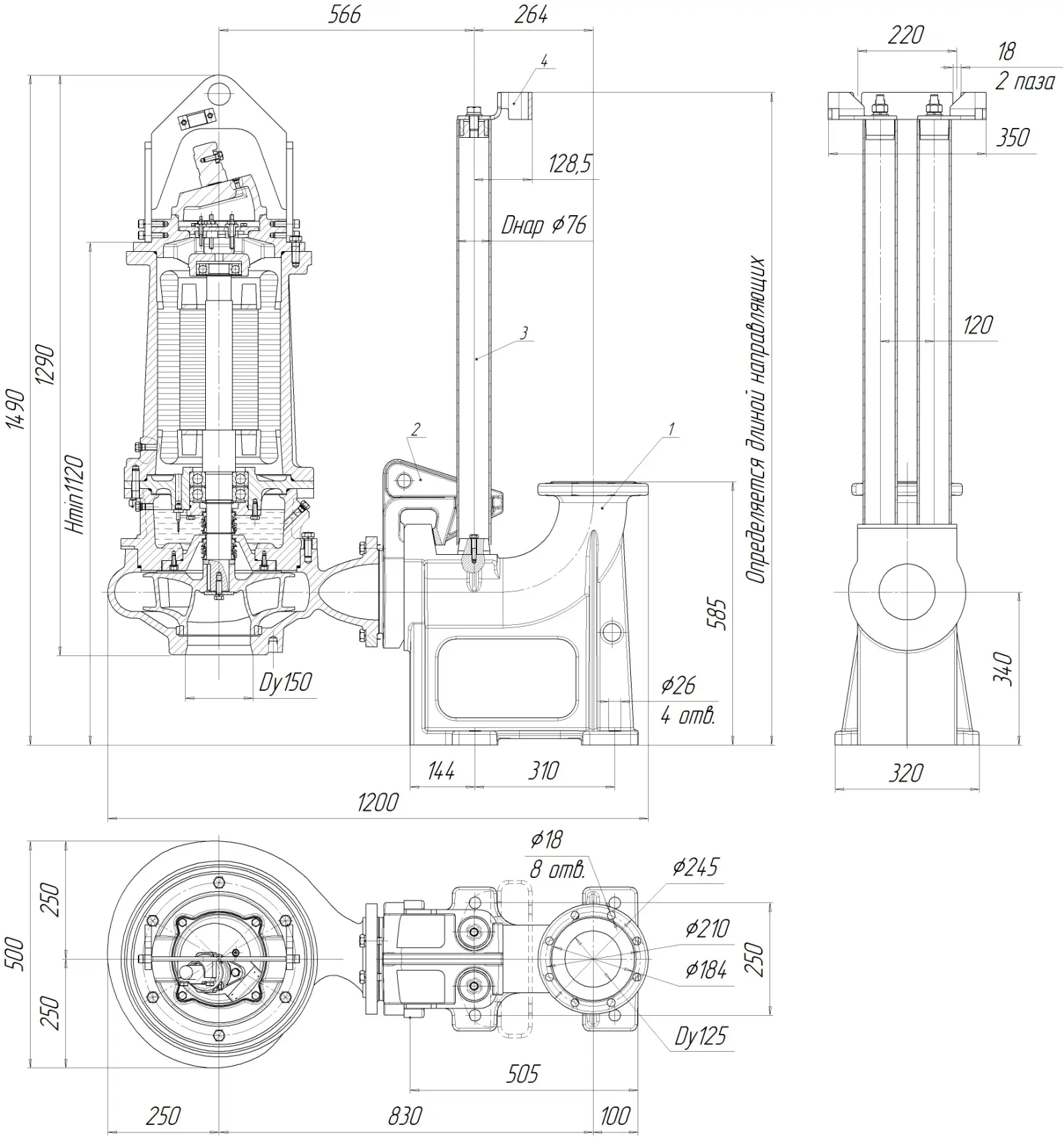
Общий вид и габаритные размеры электронасоса серии «Иртыш» ПФ2 125/315.317-30/4Ех-116
(Здесь должно быть изображение общего вида)

Возможны технические изменения.
Обозначения на чертеже
1. Патрубок погружной;
2. Насос с захватом;
3. Направляющие;
4. Кронштейн верхний.
Расшифровка обозначения
Электронасос погружной фекальный серии «Иртыш» типа ПФ2 125/315.317-30/4Ех-116:
П - погружной электродвигатель без принудительного охлаждения;
Ф - гидравлическая часть насоса предназначена для перекачивания сточных вод;
2 - в насосе установлено двухканальное рабочее колесо;
125 - номинальный диаметр напорного патрубка, мм;
315 - номинальный диаметр рабочего колеса, мм;
317 - фактический диаметр рабочего колеса, мм;
- без обозначения, стандартная длина кабеля 10 метров;
30 - номинальная мощность электродвигателя, кВт;
4 - число полюсов электродвигателя;
Ех - взрывозащищенного исполнения;
1 - на опускном устройстве вертикальный;
1 - ручного управления;
6 - влаго-термозащита.
Параметры рабочей точки
| Производительность, Q | 224 | м³/ч |
| Напор, Н | 28 | м |
| Потребляемая мощность в рабочей точке, Nпотр | 25,5 | кВт |
| КПД агрегата, η | 61 | % |
Характеристики насоса
| Вариант монтажа насоса | на опускном устройстве вертикальный |
| Условный диаметр напорного патрубка, Ду, мм | 125 |
| Тип рабочего колеса | двухканальное |
| Фактический диаметр рабочего колеса, мм | 317 |
| Рекомендуемая глубина погружения, м | не более 10 |
| Максимальный размер перекачиваемых частиц, мм | 50 |
| Тип уплотнения вала | торцовое |
| Материал вращающейся части и неподвижного кольца торцового уплотнения | карбид кремния |
| Материал рабочего колеса | чугун СЧ20 |
| Материал корпуса спирального | чугун СЧ20 |
Параметры электродвигателя
| Номинальная мощность, кВт | 30 |
| Напряжение, В | 380 |
| Частота тока, Гц | 50 |
| Номинальный ток, А | 57,3 |
| Число полюсов | 4 |
| Частота вращения, об/мин | 1470 |
| Сos φ | 0,87 |
| КПД эл. двигателя | 91,5 |
| Соединение обмоток по схеме | ✻ |
| Класс нагревостойкости | F |
| Способ охлаждения электродвигателя | погружной электродвигатель без принудительного охлаждения |
| Способ защиты электродвигателя | влаго-термозащита; |
| Степень защиты электродвигателя | IP68; |
Кабель питания
| Длина встроенного электрического кабеля, м | 10 |
| Количество жил кабеля, шт. | 3+1+3 |
| Сечение жил, мм² | 10+6+2,5 |
| Изоляция кабеля | маслостойкая |
Исполнение шкафа защиты, поставляемого в комплекте с насосом: ручного управления (ШУ1-1.30.6-31)
Рабочие характеристики электронасоса серии «Иртыш» ПФ2 125/315.317-30/4Ех

Ресурсы
| Средняя наработка на отказ, часов, не менее | 7000 |
| Средний ресурс до главного техобслуживания, часов, не менее | 20000 |
| Средний срок службы, лет, не менее | 20 |
| Масса насосного агрегата без шкафа управления, кг. | 535 |
Перечень необходимых защит при эксплуатации электронасосов серии «Иртыш».
Для обеспечения длительной безаварийной работы каждого насоса «Иртыш» необходимо реализовать нижеперечисленный перечень защит и функций управления:
- защиты по встроенным датчикам в насосе. Наличие и тип датчиков зависит от комплектации насоса (информация предоставляется заводом изготовителем по запросу);
- наличие в шкафу управления автоматического выключателя защиты электродвигателя, подобранного в соответствии с номинальным током двигателя;
- тепловую защиту двигателя;
- контроль порядка чередования фаз;
- контроль повышенного или пониженного напряжения на каждой фазе;
- контроль перегрузки по току;
- контроль перекоса тока по фазам;
- контроль отсутствия одной или более фаз питания;
- контроль сопротивления изоляции обмоток статора относительно корпуса насоса;
- защита от «сухого» хода.
Для работы электронасоса мощностью свыше 3кВт в автоматическом режиме необходимо обеспечить условия для плавного запуска и останова электродвигателя насоса при помощи устройств плавного пуска или частотного преобразователя для электронасоса, предназначенного под частотное регулирование.
Для выполнения пусконаладочных работ необходимо реализовать режим ручного управления насосами и другим оборудованием. Шкаф должен иметь органы управления режимами работы оборудования, кнопки «Пуск», «Стоп» и световую индикацию как минимум «Сеть», «Насос в работе», «Авария насоса».
Заказчик ознакомлен с перечнем обязательных защит и несет ответственность за выход насосов из работоспособного состояния по причине нереализованных защит, предусмотренных шкафами управления серии «Иртыш».
Для долгосрочной работы насосов серии «Иртыш» рекомендуется приобретение шкафов управления серии «Иртыш» и выполнение пусконаладочных работ специалистами ОДО «Предприятие «Взлет».







