Погружной дренажный насос Иртыш РД 300/315.306.Т-0,66.200/4-307
- Описание
- Характеристики
Электронасос погружной дренажный серии «Иртыш» типа РД 300/315.306.Т-0,66.200/4-307:
Р - погружной электродвигатель с принудительным охлаждением;
Д - для слабозагрязнённой и чистой воды;
300 - номинальный диаметр напорного патрубка, мм;
315 - номинальный диаметр рабочего колеса, мм;
306 - фактический диаметр рабочего колеса, мм;
Т - тех.условия заказчика;
- без обозначения, стандартная длина кабеля 10 метров;
0,66 - 660 Вольт;
3 - номинальная мощность электродвигателя, кВт;
2 - число полюсов электродвигателя;
3 - стационарный моноблочный вертикальный;
0 - без шкафа защиты и управления;
7 - влаго - термозащита; контроль температуры подшипников;
Условия гарантии и шкафы управления
На насос без шкафа управления предоставляется гарантия 12 месяцев.
Гарантийный срок 24 месяца предоставляется на насосы Иртыш, укомплектованные шкафами управления Иртыш.
Шкаф управления Иртыш контролирует работу насоса по датчикам, установленным в основных узлах насоса Иртыш, и обеспечивает необходимую защиту электрической части, что гарантирует длительную и безаварийную работу насоса.
Для работы в автоматическом режиме насос или группу насосов мощностью более 3 кВт необходимо подключать через плавный пуск или частотный регулятор.
Для эксплуатации насоса в автоматическом режиме рекомендуем взамен данного насоса применить однонасосный комплект (насос и шкаф управления) Иртыш РД 300/315.306.Т-0,66.200/4-337.
Для эксплуатации насоса в ручном режиме рекомендуем взамен данного насоса применить однонасосный комплект (насос и шкаф управления) Иртыш РД 300/315.306.Т-0,66.200/4-317.
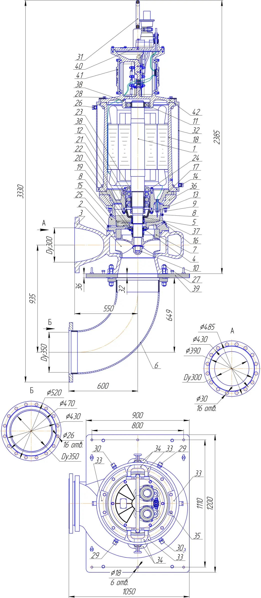
Общий вид и габаритные размеры

Обозначения на чертеже
1. Электродвигатель; 2. Колесо рабочее; 3. Корпус спиральный; 4. Торцовое уплотнение; 5. Торцовое уплотнение; 6. Патрубок всасывающий; 7. Проставка; 8. Пробка масляной камеры для заливки масла; 9. Метизы крепления корпуса камеры и стакана подшипника к корпусу электродвигателя; 10. Метизы крепления колеса рабочего; 11. Подшипник; 12. Подшипники; 13. Датчик влажности; 14. Пробка для слива охлаждающей жидкости из рубашки охлаждения; 15. Корпус камеры; 16.Метизы крепления крышки камеры к корпусу камеры; 17. Стакан подшипника; 18. Корпус электродвигателя; 19. Метизы крепления крышки камеры к корпусу камеры; 20. Крышка камеры; 21. Крышка подшипника; 22. Метизы крепления крышки подшипника к стакану подшипника; 23. Крышка подшипника верхняя;. 24. Метизы крепления крышки подшипника верхней к стакану подшипника; 25. Пробка масляной камеры для слива масла; 26. Пробка для выпуска воздуха из рубашки охлаждения; 27. Метизы крепления патрубка всасывающего к плите фундаментной; 28. Метизы крепления опоры подшипника и крышки опоры подшипника к корпусу электродвигателя; 29. Трубопровод подвода охлаждающей жидкости в рубашку охлаждения; 30. Трубопровод отвода охлаждающей жидкости от рубашки охлаждения; 31. Ручка; 32. Рубашка охлаждения;33. Прижим; 34. Грузовая цапфа; 35. Метизы крепления прижима рубашки охлаждения к крышке опоры подшипника; 37. Пробка выпуска воздуха из гидравлической полости; 38. Датчик температуры подшипника; 39. Плита фундаментная; 40. Крышка верхняя; 41. Крышка опоры подшипника; 42. Опора подшипника.
Параметры рабочей точки
|
Производительность, Q |
1400 м³/ч |
|
Напор, Н |
33 м |
|
Потребляемая мощность в рабочей точке, Nпотр |
169 кВт |
|
КПД агрегата, η |
71 % |
Характеристики насоса
|
Вариант монтажа насоса |
стационарный моноблочный вертикальный |
|
Условный диаметр напорного патрубка, Ду, мм |
300 |
|
Тип рабочего колеса |
многоканальное |
|
Фактический диаметр рабочего колеса, мм |
306 |
|
Рекомендуемая глубина погружения, м |
не более 10 |
|
Максимальный размер перекачиваемых частиц, мм |
2 |
|
Тип уплотнения вала |
торцовое |
|
Материал вращающейся части и неподвижного кольца торцового уплотнения |
карбид кремния |
|
Материал рабочего колеса |
чугун СЧ20 |
|
Материал корпуса спирального |
чугун СЧ20 |
Параметры электродвигателя
|
Номинальная мощность, кВт |
200 |
|
Напряжение, В |
660 |
|
Частота тока, Гц |
50 |
|
Номинальный ток, А |
212 |
|
Число полюсов |
4 |
|
Частота вращения, об/мин |
1485 |
|
Сos φ |
0,89 |
|
КПД эл. двигателя |
95,6 |
|
Соединение обмоток по схеме |
звезда |
|
Класс нагревостойкости |
F |
|
Способ охлаждения электродвигателя |
погружной электродвигатель с принудительным охлаждением |
|
Способ защиты электродвигателя |
влаго - термозащита; контроль температуры подшипников |
|
Степень защиты электродвигателя |
IP68 |
|
Длина встроенного электрического кабеля, м |
10 |
|
Изоляция кабеля |
маслостойкая |
|
Исполнение шкафа защиты, поставляемого в комплекте с насосом |
без шкафа защиты и управления |
Рабочая характеристика насоса

Ресурсы
|
Средняя наработка на отказ |
не менее 7000 часов |
|
Средний ресурс до главного техобслуживания |
не менее 20000 часов |
|
Средний срок службы |
не менее 20 лет |
|
Масса насосного агрегата без шкафа управления |
2900 кг |
Перечень необходимых защит при эксплуатации
Для обеспечения длительной безаварийной работы каждого насоса «Иртыш» необходимо реализовать нижеперечисленный перечень защит и функций управления:
- защиты по встроенным датчикам в насосе. Наличие и тип датчиков зависит от комплектации насоса (информация предоставляется заводом изготовителем по запросу);
- наличие в шкафу управления автоматического выключателя защиты электродвигателя, подобранного в соответствии с номинальным током двигателя;
- тепловую защиту двигателя;
- контроль порядка чередования фаз;
- контроль повышенного или пониженного напряжения на каждой фазе;
- контроль перегрузки по току;
- контроль перекоса тока по фазам;
- контроль отсутствия одной или более фаз питания;
- контроль сопротивления изоляции обмоток статора относительно корпуса насоса;
- защита от «сухого» хода.
Для работы электронасоса мощностью свыше 3кВт в автоматическом режиме необходимо обеспечить условия для плавного запуска и останова электродвигателя насоса при помощи устройств плавного пуска или частотного преобразователя для электронасоса, предназначенного под частотное регулирование.
Для выполнения пусконаладочных работ необходимо реализовать режим ручного управления насосами и другим оборудованием. Шкаф должен иметь органы управления режимами работы оборудования, кнопки «Пуск», «Стоп» и световую индикацию как минимум «Сеть», «Насос в работе», «Авария насоса».
Заказчик ознакомлен с перечнем обязательных защит и несет ответственность за выход насосов из работоспособного состояния по причине нереализованных защит, предусмотренных шкафами управления серии «Иртыш».
Для долгосрочной работы насосов серии «Иртыш» рекомендуется приобретение шкафов управления серии «Иртыш» и выполнение пусконаладочных работ специалистами ОДО «Предприятие «Взлет».







