- Описание
- Характеристики
- Видео
Расшифровка обозначения
Погружная мешалка серии «Иртыш» ПМ2 280-1,5/8-116:
П – погружной электродвигатель без принудительного охлаждения;
М – мешалка;
2 – двухлопастной винт;
280 – номинальный диаметр винта;
1,5 – номинальная мощность электродвигателя, кВт;
8 – число полюсов электродвигателя;
1 – стационарная погружная (под опускное устройство);
1 – ручного управления;
6 – влаго - термозащита двигателя;
Технические характеристики
|
Вариант монтажа мешалки |
на опускном устройстве |
|
Тип винта |
двухлопастной |
|
Номинальный диаметр винта, мм |
280 |
|
Тип уплотнения вала |
Торцовое |
|
Материал пропеллера |
Алюминиевый сплав |
|
Материал вала |
Сталь 40Х |
Ресурсы
|
Средняя наработка на отказ, часов, не менее |
7000 |
|
Средний ресурс до главного техобслуживания, часов, не менее |
20000 |
|
Средний срок службы, лет, не менее |
20 |
|
Расчетная масса мешалки, кг |
110 |
|
Расчетная масса одного метра направляющей, кг |
5,5 |
|
Расчетная масса опускного устройства с направляющей длиной 6 метров, кг |
75 |
|
Расчетная масса грузоподъёмного механизма, кг |
72 |
|
Гарантийный срок 24 месяца с момента отгрузки, но не более 18 месяцев с момента ввода в эксплуатацию при комплектной поставке электронасоса со шкафом управления серии «Иртыш». |
|
Характеристики электрооборудования
Мешалка укомплектована шкафом управления серии «Иртыш» ШУ1-1.1,5.6-31
|
Исполнение электродвигателя |
погружной |
|
Номинальная мощность, кВт |
1,5 |
|
Напряжение, В |
380 |
|
Номинальный ток, А |
5,1 |
|
Частота тока, Гц |
50 |
|
Число полюсов |
8 |
|
Частота вращения, об/мин (пропеллера) |
705 |
|
Соединение обмоток по схеме |
☆ |
|
Способ охлаждения электродвигателя |
погружной без принудительного охлаждения |
|
Способ защиты электродвигателя |
влаго - термозащита |
|
Степень защиты электродвигателя |
IP 68 |
|
Длина встроенного электрического кабеля, м |
10 |
|
Количество жил кабеля, шт. |
7 |
|
Сечение жил, мм² |
2,5 |
|
Изоляция кабеля |
маслостойкая |
Шкаф управления Иртыш ШУ1-1.1,5.6-31
|
Габарит, мм |
400 х 310 х 150 |
|
Масса, кг |
7,5 |
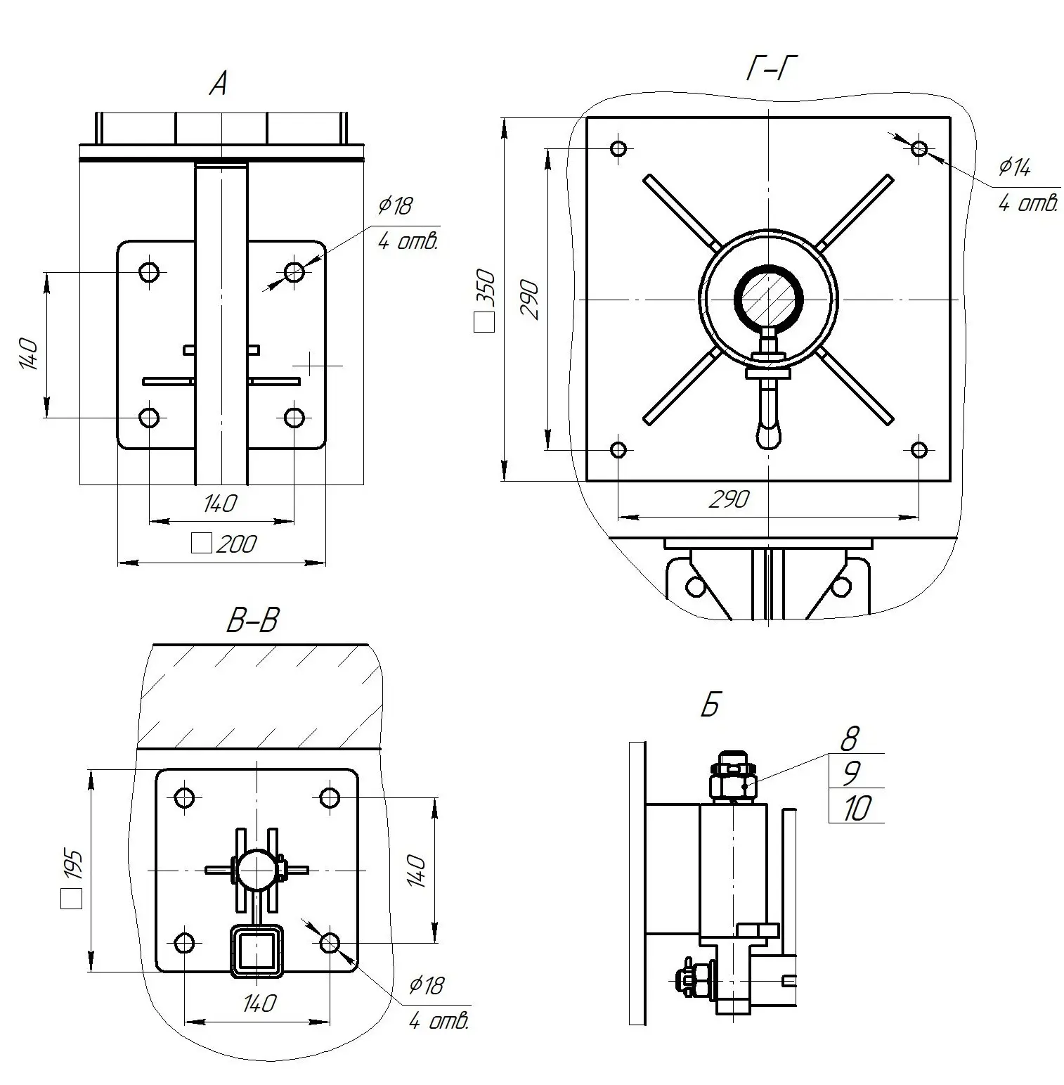
Общий вид и габариты мешалки серии «Иртыш» ПМ2 280-1,5/8-116 
Возможны технические изменения.
Углы установки мешалки серии «Иртыш»
ПМ2 280-1,5/8-116 в горизонтальной плоскости 
Возможны технические изменения.
1. Мешалка;
2 и 13. Опора направляющей;
3. Направляющая;
4. Упор;
5. Нижняя опора направляющей;
6. Подъемное устройство;
7. Лебедка;
8. Рукоятка грузоподъемного устройства;
9. Гайка;
10. Шплинт;
11. Заглушка 40х40.

Возможны технические изменения.
Назначение и характеристики мешалки «Иртыш» типа ПМ
Мешалка серии «Иртыш» типа ПМ предназначена для перемешивания бытовых и промышленных загрязнённых жидкостей (фекальных, сточных вод, промышленных отходов и т. д.) с водородным показателем рН = 6,0…9,0, плотностью до 1100 кг/м³, температурой от 274 до 323 К (от +1 °С до 50 °С), с содержанием различных неабразивных взвешенных частиц, включая коротковолокнистые, концентрацией до 2% по массе, абразивных взвешенных частиц не более 1% по объёму размером до 5 мм и микротвердостью до 9000 МПа.
Перечень необходимых защит при эксплуатации мешалки серии «Иртыш»
Для обеспечения долгосрочной безаварийной работы мешалки «Иртыш» рекомендуется реализовать нижеперечисленный перечень защит и функции управления:
- защита по встроенным датчикам в мешалке (наличие и тип датчиков в зависимости от комплектации мешалки предоставляется заводом-изготовителем по запросу);
- наличие в шкафу управления автоматического выключателя защиты электродвигателя, подобранного в соответствии с номинальным током электродвигателя;
- наличие тепловой защиты электродвигателя;
- наличие контроля порядка чередования фаз;
- наличие контроля повышенного или пониженного напряжения на каждой фазе;
- наличие контроля перегрузки по току;
- наличие контроля перекоса тока по фазам;
- наличие контроля отсутствия одной или более фаз сети питания;
- наличие контроля сопротивления изоляции обмоток статора относительно корпуса мешалки;
- наличие защиты от «сухого» хода.
Рекомендации по эксплуатации и управлению
Для работы мешалки мощностью свыше 3 кВт рекомендуется обеспечить условия для плавного запуска и останова электродвигателя мешалки при помощи устройств плавного пуска или частотного преобразователя.
Для выполнения пусконаладочных работ необходимо реализовать режим ручного управления мешалки и другим оборудованием. Шкаф должен иметь органы управления режимами работы оборудования, кнопки «Пуск», «Стоп» и световую индикацию: «Сеть», «Мешалка в работе», «Авария мешалки».
Для долгосрочной и безаварийной работы мешалки серии «Иртыш» рекомендуется приобретение шкафов управления серии «Иртыш» и выполнение пусконаладочных работ специалистами ОДО «Предприятие «Взлет».
Для выполнения вашего заказа необходимо сообщить нам размеры «L» и «К».
Мешалки погружные серии «Иртыш» ПМ2 изготавливает ОДО «Предприятие «Взлет».




