- Описание
- Характеристики
- Видео
НАЗНАЧЕНИЕ ИЗДЕЛИЯ
Дизельный насосный агрегат серии Иртыш ДНА 111/70.FS.490.35/2750 предназначен для всасывания чистых жидкостей, без абразивных включений, химически и механически не агрессивных с максимальным содержанием твердых частиц 40 гр/м³ и максимальной температурой всасываемой жидкости до 90°С (до 363 К).
Агрегаты относятся к изделиям вида 1 (восстанавливаемые) по ГОСТ 27.003-2016.
Условное обозначение дизельного насосного агрегата:
| Иртыш | ДНА | 111 | / | 70. | FS. | 490. | 35 | / | 2750 |
| 1 | 2 | 3 | / | 4 | 5 | 6 | 7 | / | 8 |
1 – Серия – Иртыш;
2 – Тип агрегата: ДНА – дизельный насосный агрегат;
3 – Номинальный расход агрегата - м³/ч;
4 – Номинальный напор агрегата - м;
5 – Насос горизонтальный одноступенчатый фланцевый;
6 – Марка установленного двигателя;
7 – Полезная мощность двигателя;
8 – Номинальная частота вращения вала двигателя.
ТЕХНИЧЕСКИЕ ХАРАКТЕРИСТИКИ
Основные параметры дизельного насосного агрегата
| Наименование | Марка |
|---|---|
| Дизельный насосный агрегат | ДНА 111/70.FS.490.35/2750 |
| Марка двигателя | 490RD |
| Марка насоса | Rovatti FS43P100ME |
| Подача, м³/ч | 111 |
| Напор, м | 70 |
| Частота вращения вала двигателя, с⁻¹ (об/мин) | 45,8 (2750) |
| Масса агрегата (без топлива), кг, не более | 670 |
| Габаритные размеры агрегата, мм | 1550x1540x920 |
| Ёмкость топливного бака, л | 145 |
СОСТАВ ИЗДЕЛИЯ
В комплект поставки дизельного насосного агрегата входит:
- Дизельный насосный агрегат.
- Руководство по эксплуатации (паспорт) на дизельный насосный агрегат.
- Руководство по эксплуатации, технический паспорт на дизель 490RD.
- Руководство по эксплуатации на насос.
- Паспорт на насос.
- Огнетушитель.
- Паспорт на линейный актуатор.
- ЗИП согласно документации на дизель 490RD.
Примечание: Комплект поставки может корректироваться по дополнительному договору.
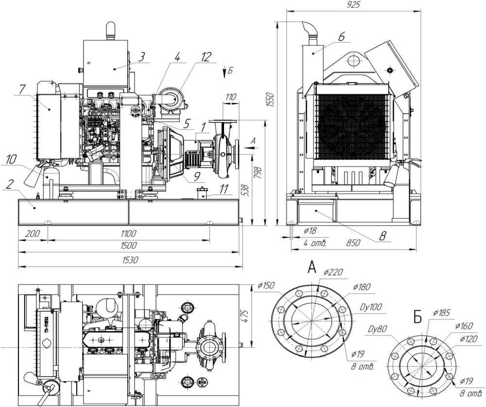
Габаритно-присоединительный чертеж агрегата ДНА 111/70.FS.490.35/2750

1. Насос центробежный консольный; 2. Рама-бак; 3. Шкаф управления; 4. Дизельный двигатель; 5. Выключатель массы; 6. Система выпуска отработавших газов с глушителем; 7. Радиатор; 8. АКБ; 9. Муфта; 10. Огнетушитель; 11. Заливная горловина; 12. Воздушный фильтр.
Рабочие характеристики насоса (агрегата) ДНА 111/70.FS.490.35/2750

Параметры приведены при частоте вращения вала дизеля 2790 об/мин. Испытание ДНА проводились на чистой холодной воде температурой 26°С и плотностью 996,84 кг/м³.








