- Описание
- Характеристики
- Видео
Расшифровка обозначения
Электронасос наружный серии «Иртыш» типа ЦМЛ 150/200.216-15/4-300:
Ц - центробежный;
М - моноблочный;
Л - линейный;
150 - номинальный диаметр напорного патрубка, мм;
200 - номинальный диаметр рабочего колеса, мм;
216 - фактический диаметр рабочего колеса, мм;
15 - номинальная мощность электродвигателя, кВт;
4 - число полюсов электродвигателя;
3 – стационарный моноблочный вертикальный;
0 - без шкафа защиты и управления;
0 - без защиты.
Шкаф защиты и управления
Для долгосрочной работы насосов серии «Иртыш» рекомендуется приобретение шкафов управления серии «Иртыш». Для обеспечения длительной безаварийной работы каждого насоса «Иртыш» необходимо реализовать перечень защит и функций управления (контроль тока, напряжения, сопротивления изоляции, защита от "сухого" хода и пр.). Заказчик несет ответственность за выход насосов из работоспособного состояния по причине нереализованных защит, предусмотренных шкафами управления серии «Иртыш».
Исполнение шкафа защиты, поставляемого в комплекте с насосом: без шкафа защиты и управления.
Артикул (Код для заказа): уточнить при заказе.
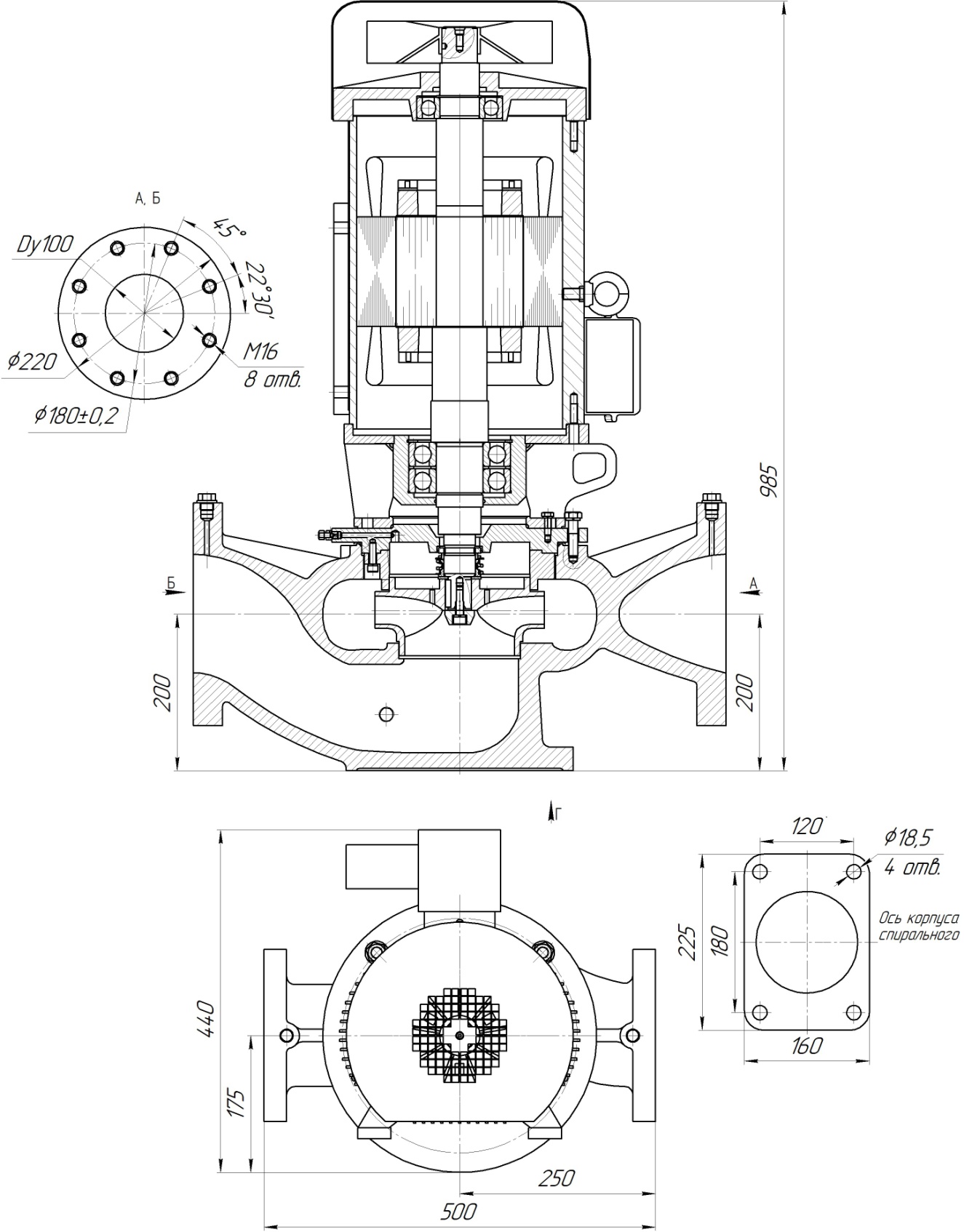
Габаритные размеры

Возможны технические изменения.
Обозначения на чертеже
1. Электродвигатель;
2. Колесо рабочее;
3. Корпус спиральный;
4. Торцовое уплотнение;
5. Манжета;
6. Фланец;
7. Проставка;
8. Подшипники;
9. Метизы крепления колеса рабочего;
10. Метизы крепления проставки к корпусу электродвигателя;
11. Метизы крепления фланца к корпусу спиральному.
Параметры рабочей точки
|
Производительность, Q |
200 |
м³/ч |
|
Напор, Н |
12.5 |
м |
|
Потребляемая мощность в рабочей точке, Nпотр |
10 |
кВт |
|
КПД агрегата, η |
61 |
% |
Характеристики насоса
|
Вариант монтажа насоса |
в линию |
|
Условный диаметр напорного патрубка, Ду, мм |
150 |
|
Условный диаметр всасывающего патрубка, Ду, мм |
150 |
|
Тип рабочего колеса |
многоканальное |
|
Максимальный размер перекачиваемых частиц, мм |
2 |
|
Тип уплотнения вала |
торцовое |
|
Материал вращающейся части и неподвижного кольца торцового уплотнения |
карбид кремния |
|
Материал рабочего колеса |
чугун СЧ20 |
|
Материал корпуса спирального |
чугун СЧ20 |
Параметры электродвигателя
|
Номинальная мощность, кВт |
15 |
|
Напряжение, В |
380 |
|
Частота тока, Гц |
50 |
|
Номинальный ток, А |
30 |
|
Число полюсов |
4 |
|
Частота вращения, об/мин |
1465 |
|
Сos φ |
0.84 |
|
КПД эл. двигателя |
89.5 |
|
Соединение обмоток по схеме |
Y |
|
Класс нагревостойкости |
F |
|
Класс энергоэффективности |
ie1 |
|
Степень защиты электродвигателя |
IP 54 |
График характеристик насоса

Ресурсы
|
Средняя наработка на отказ, часов, не менее |
7000 |
|
Средний ресурс до главного техобслуживания, часов, не менее |
20000 |
|
Средний срок службы, лет, не менее |
20 |
|
Масса насосного агрегата без шкафа управления, кг. |
280 |
Перечень необходимых защит
Для обеспечения длительной безаварийной работы каждого насоса «Иртыш» необходимо реализовать нижеперечисленный перечень защит и функций управления:
- защиты по встроенным датчикам в насосе. Наличие и тип датчиков зависит от комплектации насоса (информация предоставляется заводом изготовителем по запросу);
- наличие в шкафу управления автоматического выключателя защиты электродвигателя, подобранного в соответствии с номинальным током двигателя;
- тепловую защиту двигателя;
- контроль порядка чередования фаз;
- контроль повышенного или пониженного напряжения на каждой фазе;
- контроль перегрузки по току;
- контроль перекоса тока по фазам;
- контроль отсутствия одной или более фаз питания;
- контроль сопротивления изоляции обмоток статора относительно корпуса насоса;
- защита от «сухого» хода.
Для работы электронасоса мощностью свыше 3кВт в автоматическом режиме необходимо обеспечить условия для плавного запуска и останова электродвигателя насоса при помощи устройств плавного пуска или частотного преобразователя для электронасоса, предназначенного под частотное регулирование.
Для выполнения пусконаладочных работ необходимо реализовать режим ручного управления насосами и другим оборудованием. Шкаф должен иметь органы управления режимами работы оборудования, кнопки «Пуск», «Стоп» и световую индикацию как минимум «Сеть», «Насос в работе», «Авария насоса».
Заказчик ознакомлен с перечнем обязательных защит и несет ответственность за выход насосов из работоспособного состояния по причине нереализованных защит, предусмотренных шкафами управления серии «Иртыш».
Для долгосрочной работы насосов серии «Иртыш» рекомендуется приобретение шкафов управления серии «Иртыш» и выполнение пусконаладочных работ специалистами ОДО «Предприятие «Взлет».







