- Описание
- Характеристики
- Видео
- Документация
Расшифровка обозначения
Насос ПФ2 125/315.290-22/4-016
П - погружной электродвигатель без принудительного охлаждения;
Ф - гидравлическая часть насоса предназначена для перекачивания сточных вод;
2 - в насосе установлено двухканальное рабочее колесо;
125 - номинальный диаметр напорного патрубка, мм;
315 - номинальный диаметр рабочего колеса, мм;
290 - фактический диаметр рабочего колеса, мм;
22 - номинальная мощность электродвигателя, кВт;
4 - число полюсов электродвигателя;
0 - мобильно погружной;
1 - ручного управления;
6 - влаго-термозащита;
Шкаф защиты и управления
Насос укомплектован шкафом управления Иртыш ШУ1-1.22.6-31
Габаритные размеры

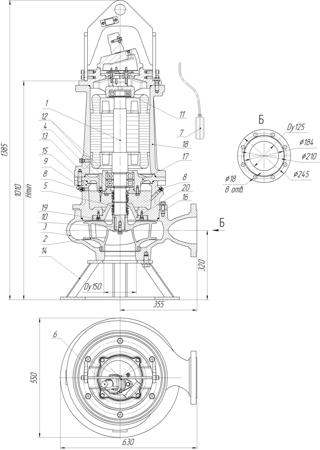
Обозначения на чертеже
1. Электродвигатель;
2. Колесо рабочее;
3. Корпус спиральный;
4,5. Торцовое уплотнение;
6. Встроенный кабель;
7. Поплавковый выключатель;
8. Пробка масляной камеры;
9. Метизы крепления корпуса камеры к корпусу электродвигателя;
10. Метизы крепления колеса рабочего;
11. Подшипник;
12. Подшипник;
13. Датчик влажности;
14. Подставка;
15. Корпус камеры;
16. Метизы крепления корпуса камеры к корпусу спиральному;
17. Стакан подшипника;
18. Корпус электродвигателя;
19. Метизы крепления крышки камеры к корпусу камеры;
20. Крышка камеры.
Параметры рабочей точки
|
Производительность, Q |
200 м³/ч |
|
Напор, Н |
22 м |
|
Потребляемая мощность в рабочей точке, Nпотр |
18,5 кВт |
|
КПД агрегата, η |
59% |
Характеристики насоса
|
Вариант монтажа насоса |
монтаж на опускном устройстве вертикальный |
|
Условный диаметр напорного патрубка, Ду, мм |
125 |
|
Тип рабочего колеса |
двухканальное |
|
Фактический диаметр рабочего колеса, мм |
290 |
|
Рекомендуемая глубина погружения, м |
не более 10 |
|
Максимальный размер перекачиваемых частиц, мм |
50 |
|
Тип уплотнения вала |
торцовое |
|
Материал вращающейся части и неподвижного кольца торцового уплотнения |
карбид кремния |
|
Материал рабочего колеса |
чугун СЧ20 |
|
Материал корпуса спирального |
чугун СЧ20 |
Параметры электродвигателя
|
Номинальная мощность, кВт |
22 |
|
Напряжение, В |
380/660 |
|
Частота тока, Гц |
50 |
|
Номинальный ток, А |
42 |
|
Число полюсов |
4 |
|
Частота вращения, об/мин |
1460 |
|
Сos φ |
0,85 |
|
КПД эл. двигателя |
88 |
|
Соединение обмоток по схеме |
☆ |
|
Класс нагревостойкости |
F |
|
Способ охлаждения электродвигателя |
погружной электродвигатель без принудительного охлаждения; |
|
Способ защиты электродвигателя |
влаго - термозащита; |
|
Степень защиты электродвигателя |
IP 68; |
|
Длина встроенного электрического кабеля, м |
10 |
|
Количество жил кабеля, шт. |
3+1+3 |
|
Сечение жил, мм² |
10+6+2,5 |
|
Изоляция кабеля |
маслостойкая |
|
Исполнение шкафа защиты, поставляемого в комплекте с насосом |
ручного управления |
График характеристик насоса

Ресурсы
|
Средняя наработка на отказ |
не менее 7000 часов |
|
Средний ресурс до главного техобслуживания |
не менее 20000 часов |
|
Средний срок службы |
не менее 20 лет |
|
Масса насосного агрегата без шкафа управления |
535 кг |








