- Описание
- Характеристики
- Видео
- Документация
Расшифровка обозначения
Насос НФс 50/200.192-11/2Ех-400
Н - наружный электродвигатель;
Ф - гидравлическая часть насоса предназначена для перекачивания сточных вод;
c - в насосе установлено вихревое рабочее колесо;
50 - номинальный диаметр напорного патрубка, мм;
200 - номинальный диаметр рабочего колеса, мм;
192 - фактический диаметр рабочего колеса, мм;
11 - номинальная мощность электродвигателя, кВт;
2 - число полюсов электродвигателя;
Ex - взрывозащищенного исполнения;
4 - горизонтальный, на плите с соединительной муфтой;
0 - без шкафа защиты и управления;
0 - влаго-термозащита;
Шкаф защиты и управления
НАСОС НЕ УКОМПЛЕКТОВАН ШКАФОМ ЗАЩИТЫ СЕРИИ ИРТЫШ!!!
В случае применения насоса без шкафа защиты или с каким - либо шкафом защиты (управления) не обеспечивающим защиту насоса в полном объёме предприятие не несет гарантийных обязательств за выход насосов из рабочего состояния по причине нереализованных защит, предусмотренных шкафами защиты (управления) Иртыш.
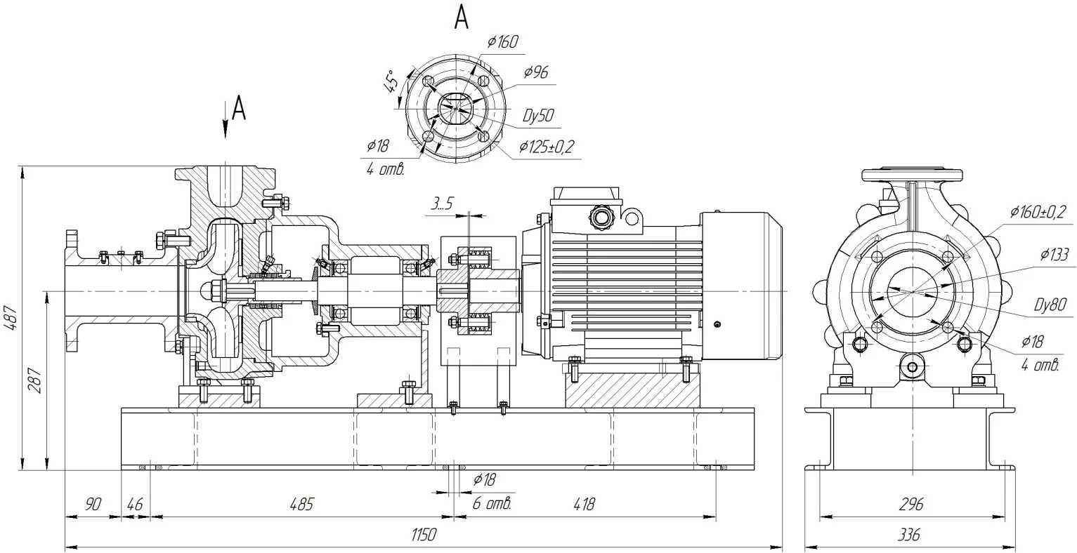
Габаритные размеры

Обозначения на чертеже
1. Патрубок погружной;
2. Насос с захватом;
3. Направляющие;
4. Кронштейн верхний
Параметры рабочей точки
|
Производительность, Q |
20 м³/ч |
|
Напор, Н |
50 м |
|
Потребляемая мощность в рабочей точке, Nпотр |
8,2 кВт |
|
КПД агрегата, η |
30% |
Характеристики насоса
|
Вариант монтажа насоса |
горизонтальный, на плите с соединительной муфтой |
|
Условный диаметр напорного патрубка, Ду, мм |
50 |
|
Тип рабочего колеса |
вихревое |
|
Фактический диаметр рабочего колеса, мм |
192 |
|
Рекомендуемая глубина погружения, м |
0 |
|
Максимальный размер перекачиваемых частиц, мм |
25 |
|
Тип уплотнения вала |
торцовое |
|
Материал вращающейся части и неподвижного кольца торцового уплотнения |
карбид кремния |
|
Материал рабочего колеса |
чугун СЧ20 |
|
Материал корпуса спирального |
чугун СЧ20 |
Параметры электродвигателя
|
Номинальная мощность, кВт |
11 |
|
Напряжение, В |
380 |
|
Частота тока, Гц |
50 |
|
Номинальный ток, А |
22 |
|
Число полюсов |
2 |
|
Частота вращения, об/мин |
2862 |
|
Сos φ |
0,86 |
|
КПД эл. двигателя |
88 |
|
Соединение обмоток по схеме |
☆ |
|
Класс нагревостойкости |
F |
|
Способ защиты электродвигателя |
без защиты; |
|
Степень защиты электродвигателя |
IP 54; |
|
Класс энергоэффективности |
ie1; |
|
Класс нагревостойкости |
F |
|
Изоляция кабеля |
маслостойкая |
|
Исполнение шкафа защиты, поставляемого в комплекте с насосом |
без шкафа защиты и управления |

Ресурсы
|
Средняя наработка на отказ |
не менее 7000 часов |
|
Средний ресурс до главного техобслуживания |
не менее 20000 часов |
|
Средний срок службы |
не менее 20 лет |
|
Масса насосного агрегата без шкафа управления |
150 кг |








