Насос погружной фекальный серии «Иртыш» ПД 250/400.415-6.250/4-006
- Описание
- Характеристики
- Видео
Расшифровка обозначения
Насос ПД 250/400.415-6.250/4-006:
П - погружной электродвигатель без принудительного охлаждения;
Д - для слабозагрязнённой и чистой воды;
250 - номинальный диаметр напорного патрубка, мм;
400 - номинальный диаметр рабочего колеса, мм;
415 - фактический диаметр рабочего колеса, мм;
- без обозначения, стандартная длина кабеля 10 метров;
6 - 6000 Вольт;
250 - номинальная мощность электродвигателя, кВт;
4 - число полюсов электродвигателя;
- без обозначения, не взрывозащищенного исполнения;
0 - мобильно погружной вертикальный;
0 - без шкафа защиты и управления;
6 - влаго-термозащита;
Условия гарантии и шкафы управления
На насос без шкафа управления предоставляется гарантия 12 месяцев.
Гарантийный срок 24 месяца предоставляется на насосы Иртыш, укомплектованные шкафами управления Иртыш.
Шкаф управления Иртыш контролирует работу насоса по датчикам, установленным в основных узлах насоса Иртыш, и обеспечивает необходимую защиту электрической части, что гарантирует длительную и безаварийную работу насоса.
Для работы в автоматическом режиме насос или группу насосов мощностью более 3 кВт необходимо подключать через плавный пуск или частотный регулятор.
Для эксплуатации насоса в автоматическом режиме рекомендуем взамен данного насоса применить однонасосный комплект (насос и шкаф управления) Насос погружной фекальный серии «Иртыш» ПД 250/400.415-6.250/4-036.
Для эксплуатации насоса в ручном режиме рекомендуем взамен данного насоса применить однонасосный комплект (насос и шкаф управления) Насос погружной фекальный серии «Иртыш» ПД 250/400.415-6.250/4-016.
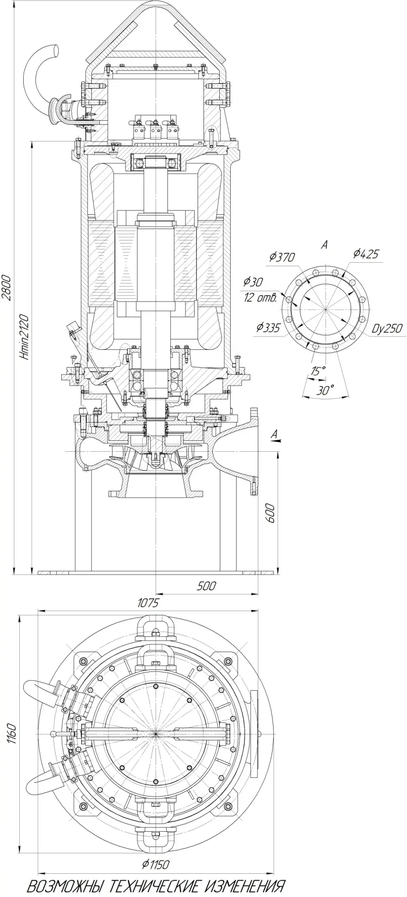
Габаритные размеры

Обозначения на чертеже
1. Электродвигатель;
2. Колесо рабочее;
3. Корпус спиральный;
4. Торцовое уплотнение (манжета);
5. Торцовое уплотнение;
6. Встроенный кабель (-ли);
7. Поплавковый выключатель;
8. Пробка масляной камеры;
9. Метизы крепления корпуса камеры и стакана подшипника к корпусу электродвигателя;
10. Метизы крепления колеса рабочего (с шайбой);
11. Подшипник;
12. Подшипник (-ки);
13. Датчик влажности;
14. Подставка-фильтр;
15. Корпус камеры;
16. Метизы крепления корпуса камеры (корпуса электродвигателя для насосов «Иртыш» ПД 50/125 – 3/2) к корпусу спиральному;
17. Стакан подшипника;
18. Корпус электродвигателя;
19. Метизы крепления крышки камеры к корпусу камеры;
20. Крышка камеры.
Параметры рабочей точки
|
Производительность, Q |
1000 м³/ч |
|
Напор, Н |
62 м |
|
Потребляемая мощность в рабочей точке, Nпотр |
235 кВт |
|
КПД агрегата, η |
69 % |
Характеристики насоса
|
Вариант монтажа насоса |
мобильно погружной вертикальный |
|
Условный диаметр напорного патрубка, Ду |
250 мм |
|
Тип рабочего колеса |
многоканальное |
|
Фактический диаметр рабочего колеса |
415 мм |
|
Рекомендуемая глубина погружения |
не более 10 м |
|
Максимальный размер перекачиваемых частиц |
2 мм |
|
Тип уплотнения вала |
торцовое |
|
Материал вращающейся части и неподвижного кольца торцового уплотнения |
карбид кремния |
|
Материал рабочего колеса |
чугун СЧ20 |
|
Материал корпуса спирального |
чугун СЧ20 |
Параметры электродвигателя
|
Номинальная мощность |
250 кВт |
|
Напряжение |
6000 В |
|
Частота тока |
50 Гц |
|
Номинальный ток |
30 А |
|
Число полюсов |
4 |
|
Частота вращения |
1450 об/мин |
|
Сos φ |
0,85 |
|
КПД эл. двигателя |
93,6 % |
|
Соединение обмоток по схеме |
Y |
|
Класс нагревостойкости |
F |
|
Способ охлаждения электродвигателя |
погружной электродвигатель без принудительного охлаждения |
|
Способ защиты электродвигателя |
влаго-термозащита |
|
Степень защиты электродвигателя |
IP 68 |
|
Длина встроенного электрического кабеля |
10 м |
|
Количество жил кабеля |
по факту заказа |
|
Сечение жил |
по факту заказа |
|
Изоляция кабеля |
маслостойкая |
|
Исполнение шкафа защиты, поставляемого в комплекте с насосом |
без шкафа защиты и управления |

Ресурсы
|
Средняя наработка на отказ |
не менее 7000 часов |
|
Средний ресурс до главного техобслуживания |
не менее 20000 часов |
|
Средний срок службы |
не менее 20 лет |
|
Расчетная масса |
2700 кг |







