Электронасос погружной дренажный серии «Иртыш» ПД 65/125.136-4/2-016
- Описание
- Характеристики
- Видео
Расшифровка обозначения
Насос ПД 65/125.136-4/2-016:
П - погружной электродвигатель без принудительного охлаждения;
Д - для слабозагрязнённой и чистой воды;
65 - номинальный диаметр напорного патрубка, мм;
125 - номинальный диаметр рабочего колеса, мм;
136 - фактический диаметр рабочего колеса, мм;
- без обозначения, стандартная длина кабеля 10 метров;
4 - номинальная мощность электродвигателя, кВт;
2 - число полюсов электродвигателя;
0 - мобильный погружной вертикальный;
1 - ручного управления;
6 - влаго-термозащита;
Шкаф защиты и управления
Насос укомплектован шкафом управления Иртыш ШУ1-1.4.6-31.
Габаритные размеры

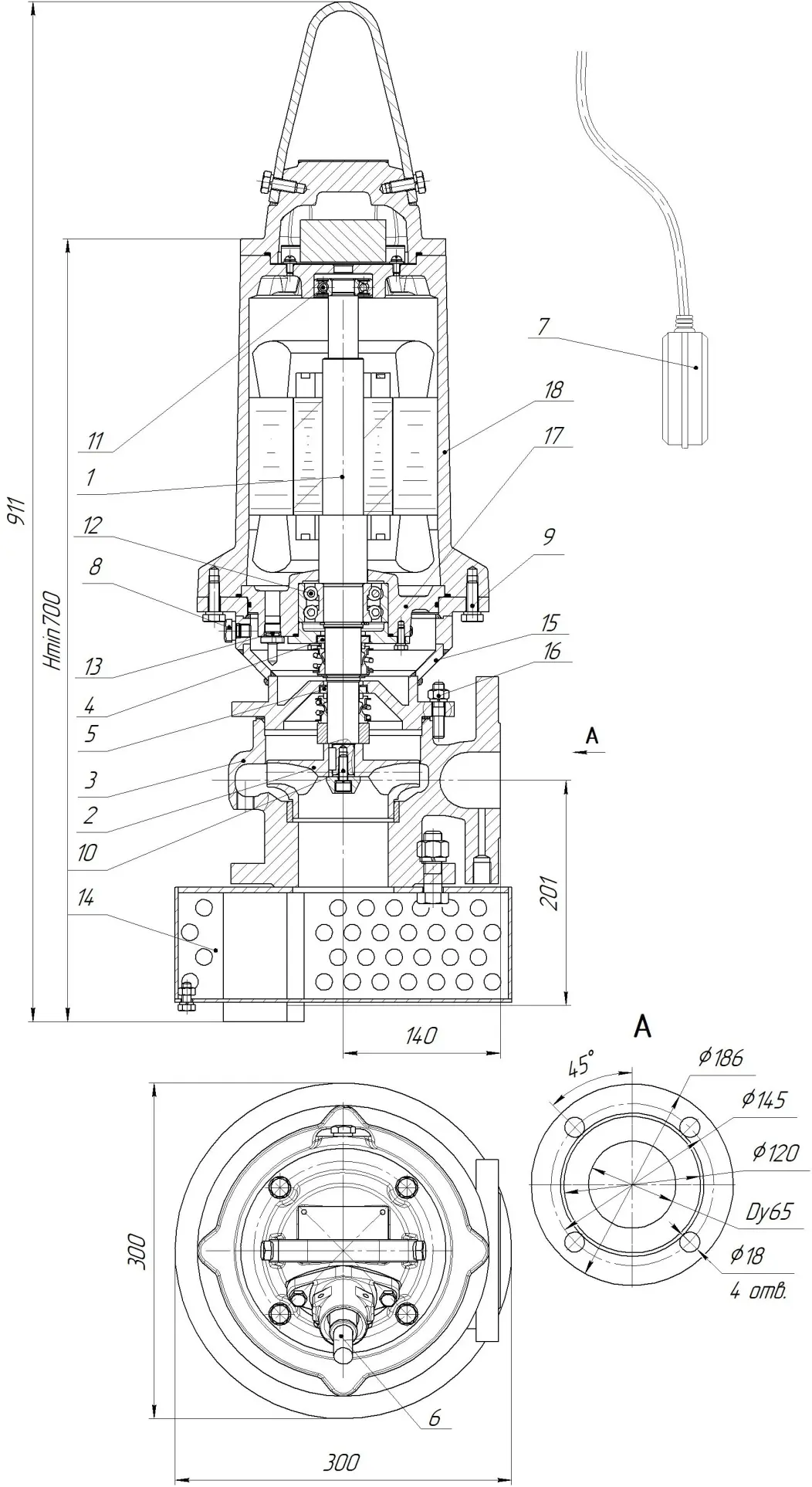
Обозначения на чертеже
1. Электродвигатель;
2. Колесо рабочее;
3. Корпус спиральный;
4. Торцовое уплотнение;
5. Торцовое уплотнение;
6. Встроенные кабели;
7. Поплавковый выключатель;
8. Пробка масляной камеры;
9. Метизы крепления корпуса камеры и стакана подшипника к корпусу электродвигателя;
10. Метизы крепления колеса рабочего (с шайбой);
11. Подшипник;
12. Подшипник;
13. Датчик влажности;
14. Подставка;
15. Корпус камеры;
16. Метизы крепления корпуса камеры к корпусу спиральному;
17. Стакан подшипника;
18. Корпус электродвигателя.
Возможны технические изменения
Параметры рабочей точки
|
Производительность, Q |
35 м³/ч |
|
Напор, Н |
20 м |
|
Потребляемая мощность в рабочей точке, Nпотр |
3,1 кВт |
|
КПД агрегата, η |
51 % |
Характеристики насоса
|
Вариант монтажа насоса |
мобильный погружной вертикальный |
|
Условный диаметр напорного патрубка, Ду |
65 мм |
|
Тип рабочего колеса |
многоканальное |
|
Фактический диаметр рабочего колеса |
136 мм |
|
Рекомендуемая глубина погружения |
10 м |
|
Максимальный размер перекачиваемых частиц |
2 мм |
|
Тип уплотнения вала |
торцовое |
|
Материал вращающейся части и неподвижного кольца торцового уплотнения |
карбид кремния |
|
Материал рабочего колеса |
чугун СЧ20 |
|
Материал корпуса спирального |
чугун СЧ20 |
Параметры электродвигателя
|
Номинальная мощность |
4 кВт |
|
Напряжение |
380 В |
|
Частота тока |
50 Гц |
|
Номинальный ток |
8,7 А |
|
Число полюсов |
2 |
|
Частота вращения |
2850 об/мин |
|
Сos φ |
0,84 |
|
КПД эл. двигателя |
83 % |
|
Соединение обмоток по схеме |
Y |
|
Класс нагревостойкости |
F |
|
Способ охлаждения электродвигателя |
погружной электродвигатель без принудительного охлаждения |
|
Способ защиты электродвигателя |
влаго-термозащита |
|
Степень защиты электродвигателя |
IP 68 |
|
Длина встроенного электрического кабеля |
10 м |
|
Количество жил кабеля |
7 |
|
Сечение жил |
2,5 мм² |
|
Изоляция кабеля |
маслостойкая |
|
Исполнение шкафа защиты, поставляемого в комплекте с насосом |
ручного управления |

Ресурсы
|
Средняя наработка на отказ |
не менее 7000 часов |
|
Средний ресурс до главного техобслуживания |
не менее 20000 часов |
|
Средний срок службы |
не менее 20 лет |
|
Расчетная масса |
100 кг |
Перечень необходимых защит при эксплуатации электронасосов серии «Иртыш»
Для обеспечения длительной безаварийной работы каждого насоса «Иртыш» необходимо реализовать нижеперечисленный перечень защит и функций управления:
- защиты по встроенным датчикам в насосе. Наличие и тип датчиков зависит от комплектации насоса (информация предоставляется заводом изготовителем по запросу);
- наличие в шкафу управления автоматического выключателя защиты электродвигателя, подобранного в соответствии с номинальным током двигателя;
- тепловую защиту двигателя;
- контроль порядка чередования фаз;
- контроль повышенного или пониженного напряжения на каждой фазе;
- контроль перегрузки по току;
- контроль перекоса тока по фазам;
- контроль отсутствия одной или более фаз питания;
- контроль сопротивления изоляции обмоток статора относительно корпуса насоса;
- защита от «сухого» хода.
Для работы электронасоса мощностью свыше 3 кВт в автоматическом режиме необходимо обеспечить условия для плавного запуска и останова электродвигателя насоса при помощи устройств плавного пуска или частотного преобразователя для электронасоса, предназначенного под частотное регулирование.
Для выполнения пусконаладочных работ необходимо реализовать режим ручного управления насосами и другим оборудованием. Шкаф должен иметь органы управления режимами работы оборудования, кнопки «Пуск», «Стоп» и световую индикацию как минимум «Сеть», «Насос в работе», «Авария насоса».
Заказчик ознакомлен с перечнем обязательных защит и несет ответственность за выход насосов из работоспособного состояния по причине нереализованных защит, предусмотренных шкафами управления серии «Иртыш».
Для долгосрочной работы насосов серии «Иртыш» рекомендуется приобретение шкафов управления серии «Иртыш» и выполнение пусконаладочных работ специалистами ОДО «Предприятие «Взлет».







