- Описание
- Характеристики
- Видео
Основные параметры
Расход: от 60 до 120 м³/ч
Напор: от 27,5 до 34,5 м.в.с.
Артикул (Код для заказа): уточняется при заказе оборудования
Расшифровка обозначения
Электронасос погружной фекальный серии «Иртыш» типа ПФ2 100/310.310-18,5/4-106:
П - погружной электродвигатель без принудительного охлаждения;
Ф - гидравлическая часть насоса предназначена для перекачивания сточных вод;
2 - в насосе установлено двухканальное рабочее колесо;
100 - номинальный диаметр напорного патрубка, мм;
310 - номинальный диаметр рабочего колеса, мм;
310 - фактический диаметр рабочего колеса, мм;
- без обозначения, стандартная длина кабеля 10 метров;
18,5 - номинальная мощность электродвигателя, кВт;
4 - число полюсов электродвигателя;
1 - на опускном устройстве вертикальный;
0 - без шкафа защиты и управления;
6 - влаго-термозащита.
Условия гарантии и шкафы управления
На насос без шкафа управления предоставляется гарантия 12 месяцев.
Гарантийный срок 24 месяца предоставляется на насосы Иртыш, укомплектованные шкафами управления Иртыш.
Шкаф управления Иртыш контролирует работу насоса по датчикам, установленным в основных узлах насоса Иртыш, и обеспечивает необходимую защиту электрической части, что гарантирует длительную и безаварийную работу насоса.
Для работы в автоматическом режиме насос или группу насосов мощностью более 3 кВт необходимо подключать через плавный пуск или частотный регулятор.
Для эксплуатации насоса в автоматическом режиме рекомендуем взамен данного насоса применить однонасосный комплект (насос и шкаф управления) Иртыш ПФ2 100/310.310-18,5/4-136.
Для эксплуатации насоса в ручном режиме рекомендуем взамен данного насоса применить однонасосный комплект (насос и шкаф управления) ПФ2 100/310.310-18,5/4-116.
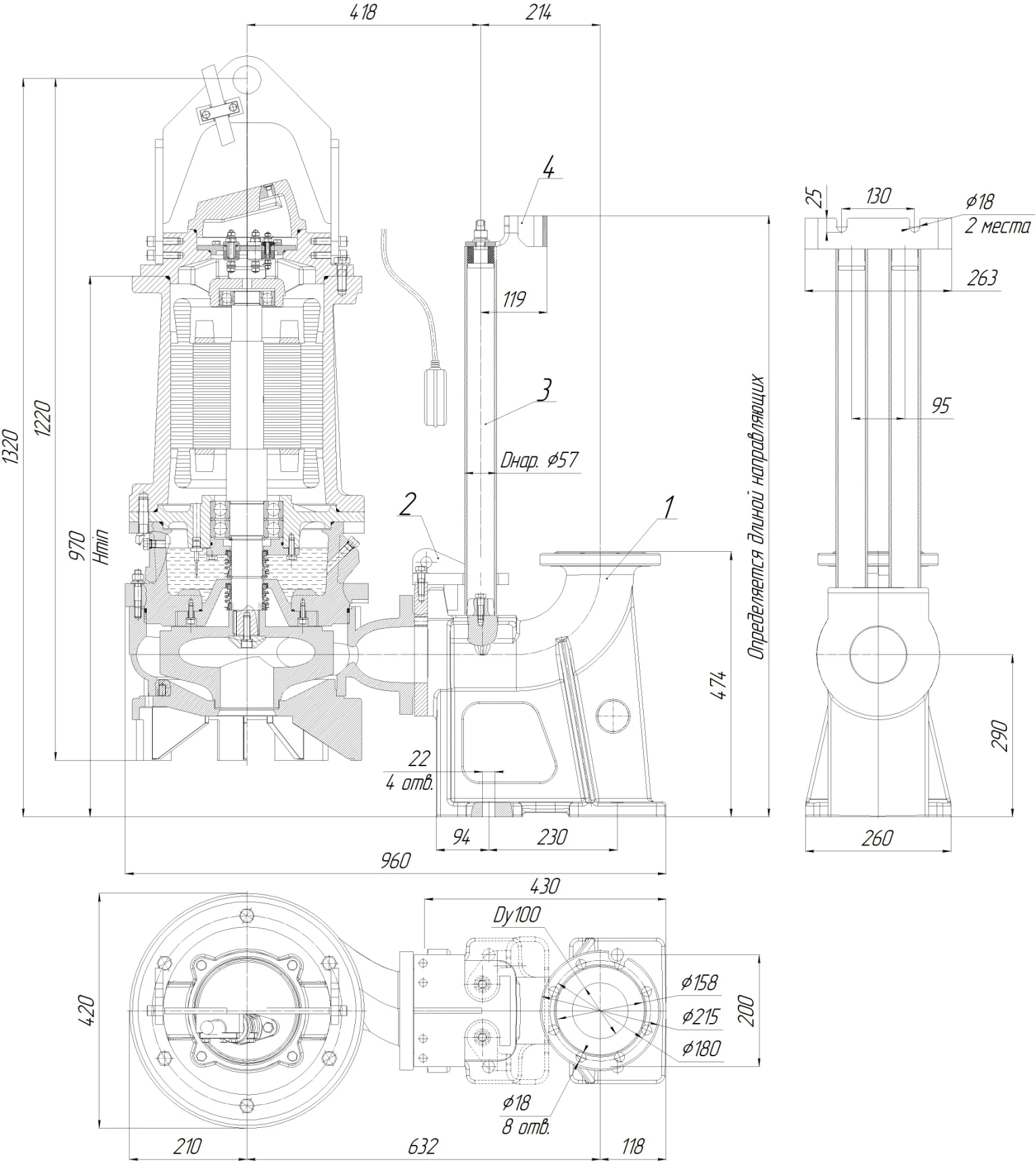
Общий вид и габаритные размеры электронасоса

Возможны технические изменения.
Обозначения на чертеже
1. Патрубок погружной;
2. Насос с захватом;
3. Направляющие;
4. Кронштейн.
Параметры рабочей точки
| Производительность, Q | 100 | м³/ч |
| Напор, Н | 30 | м |
| Потребляемая мощность в рабочей точке, Nпотр | 14,3 | кВт |
| КПД агрегата, η | 55 | % |
Характеристики насоса
| Вариант монтажа насоса | на опускном устройстве вертикальный |
| Условный диаметр напорного патрубка, Ду, мм | 100 |
| Тип рабочего колеса | двухканальное |
| Фактический диаметр рабочего колеса, мм | 310 |
| Рекомендуемая глубина погружения, м | не более 10 |
| Максимальный размер перекачиваемых частиц, мм | 45 |
| Тип уплотнения вала | торцовое |
| Материал вращающейся части и неподвижного кольца торцового уплотнения | карбид кремния |
| Материал рабочего колеса | чугун СЧ20 |
| Материал корпуса спирального | чугун СЧ20 |
Параметры электродвигателя
| Номинальная мощность, кВт | 18,5 |
| Напряжение, В | 380 |
| Частота тока, Гц | 50 |
| Номинальный ток, А | 36 |
| Число полюсов | 4 |
| Частота вращения, об/мин | 1465 |
| Сos φ | 0,86 |
| КПД эл. двигателя | 90,5 |
| Соединение обмоток по схеме | ✻ |
| Класс нагревостойкости | F |
| Способ охлаждения электродвигателя | погружной электродвигатель без принудительного охлаждения |
| Способ защиты электродвигателя | влаго-термозащита |
| Степень защиты электродвигателя | IP68 |
Кабель питания
| Длина встроенного электрического кабеля, м | 10 |
| Количество жил кабеля, шт. | 3х1х3 |
| Сечение жил, мм² | 10х6х2,5 |
| Изоляция кабеля | маслостойкая |
Исполнение шкафа защиты, поставляемого в комплекте с насосом: без шкафа защиты и управления
Рабочие характеристики насоса

Ресурсы
| Средняя наработка на отказ, часов, не менее | 7000 |
| Средний ресурс до главного техобслуживания, часов, не менее | 20000 |
| Средний срок службы, лет, не менее | 20 |
| Масса насосного агрегата без шкафа управления, кг. | 420 |
Назначение и условия эксплуатации
1.1. Электронасосы серии «Иртыш» типа ПФ (ПФс) исполнения Ех (взрывозащищенного исполнения) с маркировкой 1 Ex d IIB T4 Gb X являются электрооборудованием группы IIВ с уровнем взрывозащиты Gb и видом взрывозащиты «взрывонепроницаемая оболочка «d» и предназначены для:
- применения в местах (кроме подземных выработок шахт и их наземных строений) опасных по взрывоопасной среде этилена и пропана, температура воспламенения которых более 135°С;
- перекачивания бытовых и промышленных загрязнённых жидкостей (фекальных, сточных вод, промышленных стоков), с водородным показателем рН=6,0…9,0 плотностью до 1100 кг/м³, температурой от 274К (1°С) до 313К (40°С), с содержанием различных неабразивных взвешенных частиц максимальным размером согласно таблицы 1, включая коротковолокнистые, (длинноволокнистые для насосов типа ПФс), концентрацией до 2% по массе, абразивных взвешенных частиц не более 1% по объёму, размером до 5мм и микротвердостью не более 9000 МПа. При комплектации насоса силиконовыми уплотнителями допускается эксплуатация в промышленных стоках с содержанием фенола до 15 мг/л температурой до 313К (40°С).
Гидравлическая (неэлектрическая) часть насоса с маркировкой IIGb с/k T4X является оборудованием группы II с уровнем взрывозащиты Gb и видом взрывозащиты c/k (защита конструкционной безопасностью/защита жидкостным погружением).
Знак «Х» в маркировке обозначает специальные условия применения, которые должны обеспечиваться потребителем:
1. Охлаждающий кожух (для исполнения с рубашкой охлаждения), должен быть заполнен перекачиваемой жидкостью или технической жидкостью от постороннего источника в процессе эксплуатации.
2. Насосы при работе должны быть постоянно погружены в перекачиваемую жидкую среду, уровень которой меняется; при достижении заданного минимального уровня жидкости насос отключается. Минимальный уровень жидкости определяется высотным размером насоса; при использовании рубашки охлаждения минимальный уровень жидкости определяется высотой гидравлической части насоса.
3. Работа по «сухому ходу» запрещена.
4. Насос поставляется с постоянно подсоединенным кабелем, при подключении требуется обеспечить необходимый уровень взрывозащиты.
5. Кабельные линии должны быть защищены от механических повреждений.
6. Диапазон температуры окружающей среды и перекачиваемой жидкости для насоса от +1°С до +40°С.
Перечень необходимых защит при эксплуатации электронасосов серии «Иртыш».
Для обеспечения длительной безаварийной работы каждого насоса «Иртыш» необходимо реализовать нижеперечисленный перечень защит и функций управления:
- защиты по встроенным датчикам в насосе. Наличие и тип датчиков зависит от комплектации насоса (информация предоставляется заводом изготовителем по запросу);
- наличие в шкафу управления автоматического выключателя защиты электродвигателя, подобранного в соответствии с номинальным током двигателя;
- тепловую защиту двигателя;
- контроль порядка чередования фаз;
- контроль повышенного или пониженного напряжения на каждой фазе;
- контроль перегрузки по току;
- контроль перекоса тока по фазам;
- контроль отсутствия одной или более фаз питания;
- контроль сопротивления изоляции обмоток статора относительно корпуса насоса;
- защита от «сухого» хода.
Для работы электронасоса мощностью свыше 3кВт в автоматическом режиме необходимо обеспечить условия для плавного запуска и останова электродвигателя насоса при помощи устройств плавного пуска или частотного преобразователя для электронасоса, предназначенного под частотное регулирование.
Для выполнения пусконаладочных работ необходимо реализовать режим ручного управления насосами и другим оборудованием. Шкаф должен иметь органы управления режимами работы оборудования, кнопки «Пуск», «Стоп» и световую индикацию как минимум «Сеть», «Насос в работе», «Авария насоса».
Заказчик ознакомлен с перечнем обязательных защит и несет ответственность за выход насосов из работоспособного состояния по причине нереализованных защит, предусмотренных шкафами управления серии «Иртыш».
Для долгосрочной работы насосов серии «Иртыш» рекомендуется приобретение шкафов управления серии «Иртыш» и выполнение пусконаладочных работ специалистами ОДО «Предприятие «Взлет».







