- Описание
- Характеристики
- Документация
Расшифровка обозначения
Насос ПФ2 200/265.224-11/4-146:
П - погружной электродвигатель без принудительного охлаждения;
Ф - гидравлическая часть насоса предназначена для перекачивания сточных вод;
2 - в насосе установлено двух - канальное рабочее колесо;
200 - номинальный диаметр напорного патрубка, мм;
265 - номинальный диаметр рабочего колеса, мм;
224 - фактический диаметр рабочего колеса, мм;
- без обозначения, стандартная длина кабеля 10 метров;
11 - номинальная мощность электродвигателя, кВт;
4 - число полюсов электродвигателя;
1 - монтаж на опускном устройстве;
4 - шкаф автоматического управления исполнения УХЛ1 с устройством плавного пуска и двумя одноуровневыми поплавковыми выключателями Иртыш ПВФ-1;
6 - насос с датчиками температуры в обмотках статора и влажности в масляной камере;
Шкаф защиты и управления
Насос укомплектован шкафом управления Иртыш ШУ1-1.11.П.6-31 УХЛ1
Внимание! Опускное устройство заказывается отдельно и имеет собственный артикул!
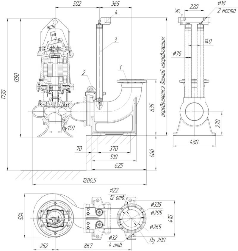
Габаритные размеры

Обозначения на чертеже
1. Патрубок погружной;
2. Насос с захватом;
3. Направляющие;
4. Кронштейн.
Параметры рабочей точки
|
Производительность, Q |
252 м³/ч |
|
Напор, Н |
8 м |
|
Потребляемая мощность в рабочей точке, Nпотр2. |
8,2 кВт |
|
КПД агрегата, η |
58 % |
Характеристики насоса
|
Вариант монтажа насоса |
на опускном устройстве |
|
Условный диаметр напорного патрубка, Ду, мм |
200 |
|
Тип рабочего колеса |
двух - канальное |
|
Фактический диаметр рабочего колеса, мм |
224 |
|
Рекомендуемая глубина погружения, м |
не более 10 |
|
Максимальный размер перекачиваемых частиц, мм |
70 |
|
Тип уплотнения вала |
торцовое |
|
Материал вращающейся части и неподвижного кольца торцового уплотнения |
карбид кремния |
|
Материал рабочего колеса |
чугун СЧ20 |
|
Материал корпуса спирального |
чугун СЧ20 |
Параметры электродвигателя
|
Номинальная мощность, кВт |
11 |
|
Напряжение, В |
380 |
|
Частота тока, Гц |
50 |
|
Номинальный ток, А |
22,9 |
|
Число полюсов |
4 |
|
Частота вращения, об/мин |
1432 |
|
Сos φ |
0,84 |
|
КПД эл. двигателя |
88 |
|
Соединение обмоток по схеме |
★ |
|
Класс нагревостойкости |
F |
|
Способ охлаждения электродвигателя |
погружной электродвигатель без принудительного охлаждения |
|
Способ защиты электродвигателя |
влаго - термозащита |
|
Степень защиты электродвигателя |
IP 68 |
|
Длина встроенного электрического кабеля |
10 м |
|
Количество жил кабеля |
2,5 |
|
Сечение жил |
7 |
|
Изоляция кабеля |
маслостойкая |
|
Исполнение шкафа защиты, поставляемого в комплекте с насосом |
шкаф автоматического управления исполнения УХЛ1 с устройством плавного пуска и двумя одноуровневыми поплавковыми выключателями Иртыш ПВФ-1 |



Ресурсы
|
Средняя наработка на отказ |
не менее 7000 часов |
|
Средний ресурс до главного техобслуживания |
не менее 20000 часов |
|
Средний срок службы |
не менее 20 лет |
|
Масса насосного агрегата без шкафа управления |
275 кг |







