- Описание
- Характеристики
- Видео
- Документация
Расшифровка обозначения
Насос ПФ2 300/400.399-55/6-116
П - погружной электродвигатель без принудительного охлаждения;
Ф - гидравлическая часть насоса предназначена для перекачивания сточных вод;
2 - в насосе установлено двухканальное рабочее колесо;
300 - номинальный диаметр напорного патрубка, мм;
400 - номинальный диаметр рабочего колеса, мм;
399 - фактический диаметр рабочего колеса, мм;
55 - номинальная мощность электродвигателя, кВт;
6 - число полюсов электродвигателя;
1 - стационарный погружной (на опускном устройстве);
1 - ручного управления;
6 - влаго-термозащита;
Шкаф защиты и управления
Насос укомплектован шкафом управления Иртыш ШУ1-1.55.6-31
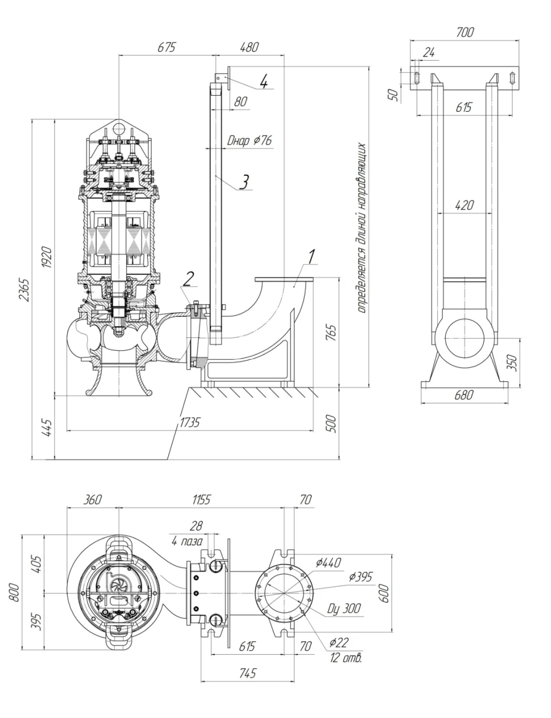
Габаритные размеры

Обозначения на чертеже
1. Патрубок погружной;
2. Насос с захватом;
3. Направляющие;
4. Кронштейн верхний
Параметры рабочей точки
|
Производительность, Q |
600 м³/ч |
|
Напор, Н |
15 м |
|
Потребляемая мощность в рабочей точке, Nпотр |
41 кВт |
|
КПД агрегата, η |
53% |
Характеристики насоса
|
Вариант монтажа насоса |
монтаж на опускном устройстве вертикальный |
|
Условный диаметр напорного патрубка, Ду, мм |
65 |
|
Тип рабочего колеса |
двухканальное |
|
Фактический диаметр рабочего колеса, мм |
131 |
|
Рекомендуемая глубина погружения, м |
не более 10 |
|
Максимальный размер перекачиваемых частиц, мм |
25 |
|
Тип уплотнения вала |
торцовое |
|
Материал вращающейся части и неподвижного кольца торцового уплотнения |
карбид кремния |
|
Материал рабочего колеса |
чугун СЧ20 |
|
Материал корпуса спирального |
чугун СЧ20 |
Параметры электродвигателя
|
Номинальная мощность, кВт |
55 |
|
Напряжение, В |
380/660 |
|
Частота тока, Гц |
50 |
|
Номинальный ток, А |
108/62 |
|
Число полюсов |
6 |
|
Частота вращения, об/мин |
985 |
|
Сos φ |
0,84 |
|
КПД эл. двигателя |
92,5 |
|
Соединение обмоток по схеме |
△/☆ |
|
Класс нагревостойкости |
F |
|
Способ охлаждения электродвигателя |
погружной электродвигатель без принудительного охлаждения; |
|
Способ защиты электродвигателя |
влаго - термозащита; |
|
Степень защиты электродвигателя |
IP 68; |
|
Длина встроенного электрического кабеля, м |
10 |
|
Количество жил кабеля, шт. |
3+1+3 |
|
Сечение жил, мм² |
25+10+2,5 |
|
Изоляция кабеля |
маслостойкая |
|
Исполнение шкафа защиты, поставляемого в комплекте с насосом |
ручного управления |
График характеристик насоса

Ресурсы
|
Средняя наработка на отказ |
не менее 7000 часов |
|
Средний ресурс до главного техобслуживания |
не менее 20000 часов |
|
Средний срок службы |
не менее 20 лет |
|
Масса насосного агрегата без шкафа управления |
1300 кг |








