- Описание
- Характеристики
- Видео
- Документация
Расшифровка обозначения
Насос ПФ3 300/340.323-90/4-116
П - погружной электродвигатель без принудительного охлаждения;
Ф - гидравлическая часть насоса предназначена для перекачивания сточных вод;
3 - в насосе установлено трехканальное рабочее колесо;
300 - номинальный диаметр напорного патрубка, мм;
340 - номинальный диаметр рабочего колеса, мм;
323 - фактический диаметр рабочего колеса, мм;
- без обозначения, стандартная длина кабеля 10 метров;
90 - номинальная мощность электродвигателя, кВт;
4 - число полюсов электродвигателя;
1 - монтаж на опускном устройстве вертикальный;
1 - ручного управления;
6 - влаго-термозащита;
Шкаф защиты и управления
НАСОС УКОМПЛЕКТОВАН ШКАФОМ УПРАВЛЕНИЯ ИРТЫШ ШУ1-1.90.6-31!!!
Для долгосрочной работы насосов серии «Иртыш» рекомендуется приобретение шкафов управления серии «Иртыш» и выполнение пусконаладочных работ специалистами ОДО «Предприятие «Взлет».
Внимание! Опускное устройство заказывается отдельно и имеет собственный артикул!
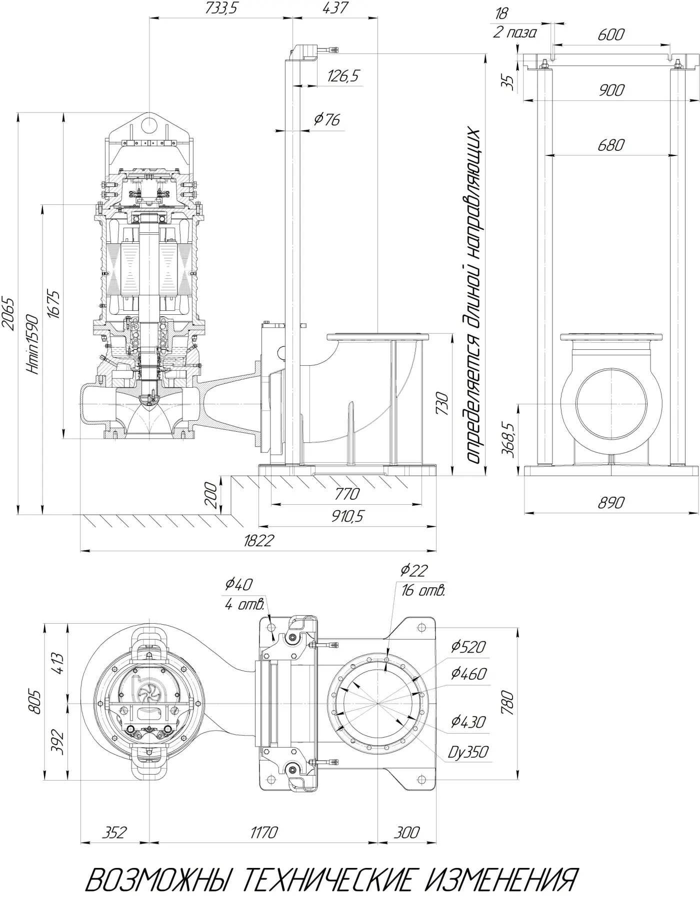
Габаритные размеры

Обозначения на чертеже
1. Патрубок погружной;
2. Насос с захватом;
3. Направляющие;
4. Кронштейн
Параметры рабочей точки
|
Производительность, Q |
800 м³/ч |
|
Напор, Н |
20 м |
|
Потребляемая мощность в рабочей точке, Nпотр |
69 кВт |
|
КПД агрегата, η |
60% |
Характеристики насоса
|
Вариант монтажа насоса |
монтаж на опускном устройстве вертикальный |
|
Условный диаметр напорного патрубка, Ду, мм |
300 |
|
Тип рабочего колеса |
трехканальное |
|
Фактический диаметр рабочего колеса, мм |
323 |
|
Рекомендуемая глубина погружения, м |
не более 10 |
|
Максимальный размер перекачиваемых частиц, мм |
70 |
|
Тип уплотнения вала |
торцовое |
|
Материал вращающейся части и неподвижного кольца торцового уплотнения |
карбид кремния |
|
Материал рабочего колеса |
чугун СЧ20 |
|
Материал корпуса спирального |
чугун СЧ20 |
Параметры электродвигателя
|
Номинальная мощность, кВт |
90 |
|
Напряжение, В |
380 |
|
Частота тока, Гц |
50 |
|
Номинальный ток, А |
164 |
|
Число полюсов |
4 |
|
Частота вращения, об/мин |
1485 |
|
Сos φ |
0,88 |
|
КПД эл. двигателя |
95% |
|
Соединение обмоток по схеме |
△ |
|
Класс нагревостойкости |
F |
|
Способ охлаждения электродвигателя |
погружной электродвигатель без принудительного охлаждения |
|
Способ защиты электродвигателя |
влаго-термозащита |
|
Степень защиты электродвигателя |
IP 68 |
|
Длина встроенного электрического кабеля, м |
10 |
|
Количество жил кабеля, шт. |
3+1+3 |
|
Сечение жил, мм² |
25+10+2,5 |
|
Изоляция кабеля |
маслостойкая |
|
Исполнение шкафа защиты, поставляемого в комплекте с насосом |
ручного управления |
График характеристик насоса

Ресурсы
|
Средняя наработка на отказ |
не менее 7000 часов |
|
Средний ресурс до главного техобслуживания |
не менее 20000 часов |
|
Средний срок службы |
не менее 20 лет |
|
Масса насосного агрегата без шкафа управления |
1800 кг |
Перечень необходимых защит
Для обеспечения длительной безаварийной работы каждого насоса «Иртыш» необходимо реализовать нижеперечисленный перечень защит и функций управления:
- защиты по встроенным датчикам в насосе. Наличие и тип датчиков зависит от комплектации насоса (информация предоставляется заводом изготовителем по запросу);
- наличие в шкафу управления автоматического выключателя защиты электродвигателя, подобранного в соответствии с номинальным током двигателя;
- тепловую защиту двигателя;
- контроль порядка чередования фаз;
- контроль повышенного или пониженного напряжения на каждой фазе;
- контроль перегрузки по току;
- контроль перекоса тока по фазам;
- контроль отсутствия одной или более фаз питания;
- контроль сопротивления изоляции обмоток статора относительно корпуса насоса;
- защита от «сухого» хода.
Для работы электронасоса мощностью свыше 3кВт в автоматическом режиме необходимо обеспечить условия для плавного запуска и останова электродвигателя насоса при помощи устройств плавного пуска или частотного преобразователя для электронасоса, предназначенного под частотное регулирование.
Для выполнения пусконаладочных работ необходимо реализовать режим ручного управления насосами и другим оборудованием. Шкаф должен иметь органы управления режимами работы оборудования, кнопки «Пуск», «Стоп» и световую индикацию как минимум «Сеть», «Насос в работе», «Авария насоса».
Заказчик ознакомлен с перечнем обязательных защит и несет ответственность за выход насосов из работоспособного состояния по причине нереализованных защит, предусмотренных шкафами управления серии «Иртыш».


.webp)





