- Описание
- Характеристики
- Видео
- Документация
Расшифровка обозначения
Насос ПФ3 300/340.337-110/4-106
П - погружной электродвигатель без принудительного охлаждения;
Ф - гидравлическая часть насоса предназначена для перекачивания сточных вод;
3 - в насосе установлено трехканальное рабочее колесо;
300 - номинальный диаметр напорного патрубка, мм;
340 - номинальный диаметр рабочего колеса, мм;
337 - фактический диаметр рабочего колеса, мм;
- без обозначения, стандартная длина кабеля 10 метров;
110 - номинальная мощность электродвигателя, кВт;
4 - число полюсов электродвигателя;
1 - монтаж на опускном устройстве вертикальный;
0 - без шкафа защиты и управления;
6 - влаго-термозащита;
Условия гарантии и шкафы управления
На насос без шкафа управления предоставляется гарантия 12 месяцев.
Гарантийный срок 24 месяца предоставляется на насосы Иртыш, укомплектованные шкафами управления Иртыш.
Шкаф управления Иртыш контролирует работу насоса по датчикам, установленным в основных узлах насоса Иртыш, и обеспечивает необходимую защиту электрической части, что гарантирует длительную и безаварийную работу насоса.
Для работы в автоматическом режиме насос или группу насосов мощностью более 3 кВт необходимо подключать через плавный пуск или частотный регулятор.
Для эксплуатации насоса в автоматическом режиме рекомендуем взамен данного насоса применить однонасосный комплект (насос и шкаф управления) Иртыш ПФ3 300/340.337-110/4-136.
Для эксплуатации насоса в ручном режиме рекомендуем взамен данного насоса применить однонасосный комплект (насос и шкаф управления) Иртыш ПФ3 300/340.337-110/4-116.
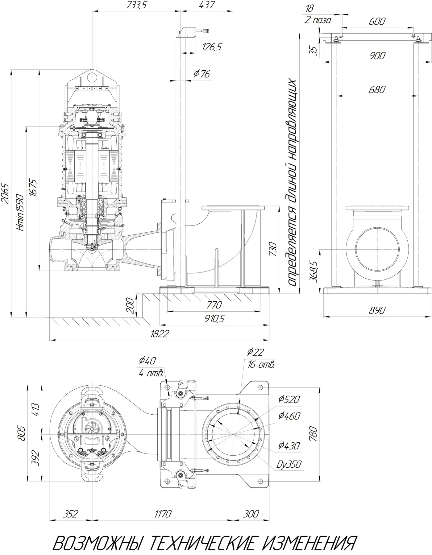
Габаритные размеры

Обозначения на чертеже
1. Патрубок погружной;
2. Насос с захватом;
3. Направляющие;
4. Кронштейн
Параметры рабочей точки
|
Производительность, Q |
800 м³/ч |
|
Напор, Н |
25 м |
|
Потребляемая мощность в рабочей точке, Nпотр |
81 кВт |
|
КПД агрегата, η |
62% |
Характеристики насоса
|
Вариант монтажа насоса |
монтаж на опускном устройстве вертикальный |
|
Условный диаметр напорного патрубка, Ду, мм |
300 |
|
Тип рабочего колеса |
трехканальное |
|
Фактический диаметр рабочего колеса, мм |
337 |
|
Рекомендуемая глубина погружения, м |
не более 10 |
|
Максимальный размер перекачиваемых частиц, мм |
70 |
|
Тип уплотнения вала |
торцовое |
|
Материал вращающейся части и неподвижного кольца торцового уплотнения |
карбид кремния |
|
Материал рабочего колеса |
чугун СЧ20 |
|
Материал корпуса спирального |
чугун СЧ20 |
Параметры электродвигателя
|
Номинальная мощность, кВт |
110 |
|
Напряжение, В |
380 |
|
Частота тока, Гц |
50 |
|
Номинальный ток, А |
202 |
|
Число полюсов |
4 |
|
Частота вращения, об/мин |
1485 |
|
Сos φ |
0,87 |
|
КПД эл. двигателя |
95,1% |
|
Соединение обмоток по схеме |
△ |
|
Класс нагревостойкости |
F |
|
Способ охлаждения электродвигателя |
погружной электродвигатель без принудительного охлаждения |
|
Способ защиты электродвигателя |
влаго-термозащита |
|
Степень защиты электродвигателя |
IP 68 |
|
Длина встроенного электрического кабеля, м |
10 |
|
Количество жил кабеля, шт. |
3+1+3 |
|
Сечение жил, мм² |
25+10+2,5 |
|
Изоляция кабеля |
маслостойкая |
|
Исполнение шкафа защиты, поставляемого в комплекте с насосом |
без шкафа защиты и управления |
График характеристик насоса

Ресурсы
|
Средняя наработка на отказ |
не менее 7000 часов |
|
Средний ресурс до главного техобслуживания |
не менее 20000 часов |
|
Средний срок службы |
не менее 20 лет |
|
Масса насосного агрегата без шкафа управления |
1900 кг |
Перечень необходимых защит
Для обеспечения длительной безаварийной работы каждого насоса «Иртыш» необходимо реализовать нижеперечисленный перечень защит и функций управления:
- защиты по встроенным датчикам в насосе. Наличие и тип датчиков зависит от комплектации насоса (информация предоставляется заводом изготовителем по запросу);
- наличие в шкафу управления автоматического выключателя защиты электродвигателя, подобранного в соответствии с номинальным током двигателя;
- тепловую защиту двигателя;
- контроль порядка чередования фаз;
- контроль повышенного или пониженного напряжения на каждой фазе;
- контроль перегрузки по току;
- контроль перекоса тока по фазам;
- контроль отсутствия одной или более фаз питания;
- контроль сопротивления изоляции обмоток статора относительно корпуса насоса;
- защита от «сухого» хода.
Для работы электронасоса мощностью свыше 3кВт в автоматическом режиме необходимо обеспечить условия для плавного запуска и останова электродвигателя насоса при помощи устройств плавного пуска или частотного преобразователя для электронасоса, предназначенного под частотное регулирование.
Для выполнения пусконаладочных работ необходимо реализовать режим ручного управления насосами и другим оборудованием. Шкаф должен иметь органы управления режимами работы оборудования, кнопки «Пуск», «Стоп» и световую индикацию как минимум «Сеть», «Насос в работе», «Авария насоса».
Заказчик ознакомлен с перечнем обязательных защит и несет ответственность за выход насосов из работоспособного состояния по причине нереализованных защит, предусмотренных шкафами управления серии «Иртыш».


.webp)





