- Описание
- Характеристики
- Видео
Расшифровка обозначения
Насос РФ2 250/500.455-75/6-016
Р - погружной электродвигатель с принудительным охлаждением;
Ф - гидравлическая часть насоса предназначена для перекачивания сточных вод;
2 - в насосе установлено двух - канальное рабочее колесо;
250 - номинальный диаметр напорного патрубка, мм;
500 - номинальный диаметр рабочего колеса, мм;
455 - фактический диаметр рабочего колеса, мм;
- без обозначения, стандартная длина кабеля 10 метров;
75 - номинальная мощность электродвигателя, кВт;
6 - число полюсов электродвигателя;
0 - мобильный погружной;
1 - ручного управления;
6 - влаго-термозащита;
Шкаф защиты и управления
Насос укомплектован шкафом управления Иртыш ШУ1-1.75.6-31
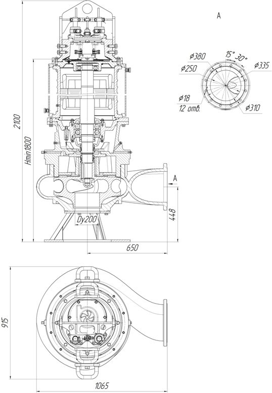
Габаритные размеры

Параметры рабочей точки
|
Производительность, Q |
700 |
м³/ч |
|
Напор, Н |
20 |
м |
|
Потребляемая мощность в рабочей точке, Nпотр |
57 |
кВт |
|
КПД агрегата, η |
63 |
% |
Характеристики насоса
|
Вариант монтажа насоса |
стационарный моноблочный горизонтальный |
|
Условный диаметр напорного патрубка, Ду, мм |
250 |
|
Тип рабочего колеса |
двух - канальное |
|
Фактический диаметр рабочего колеса, мм |
455 |
|
Рекомендуемая глубина погружения, м |
не более 10 |
|
Максимальный размер перекачиваемых частиц, мм |
110 |
|
Тип уплотнения вала |
торцовое |
|
Материал вращающейся части и неподвижного кольца торцового уплотнения |
карбид кремния |
|
Материал рабочего колеса |
чугун СЧ20 |
|
Материал корпуса спирального |
чугун СЧ20 |
Параметры электродвигателя
|
Номинальная мощность, кВт |
75 |
|
Напряжение, В |
380/660 |
|
Частота тока, Гц |
50 |
|
Номинальный ток, А |
142/82 |
|
Число полюсов |
6 |
|
Частота вращения, об/мин |
990 |
|
Сos φ |
0,85 |
|
КПД эл. двигателя |
94,5 |
|
Соединение обмоток по схеме |
звезда |
|
Класс нагревостойкости |
F |
|
Способ охлаждения электродвигателя |
погружной электродвигатель с принудительным охлаждением |
|
Способ защиты электродвигателя |
влаго - термозащита; |
|
Степень защиты электродвигателя |
IP 68; |
|
Длина встроенного электрического кабеля, м |
10 |
|
Количество жил кабеля, шт. |
3+1+3 |
|
Сечение жил, мм² |
50+16+1 |
|
Изоляция кабеля |
маслостойкая |



Ресурсы
|
Средняя наработка на отказ, часов, не менее |
7000 |
|
Средний ресурс до главного техобслуживания, часов, не менее |
20000 |
|
Средний срок службы, лет, не менее |
20 |
|
Масса насосного агрегата без шкафа управления, кг. |
1950 |







