- Описание
- Характеристики
- Видео
Расшифровка обозначения
Насос РФ2 400/750.744.Ч-20-250/8-306:
Р - погружной электродвигатель с принудительным охлаждением;
Ф - гидравлическая часть насоса предназначена для перекачивания сточных вод;
2 - в насосе установлено двух - канальное рабочее колесо;
400 - номинальный диаметр напорного патрубка, мм;
750 - номинальный диаметр рабочего колеса, мм;
744 - фактический диаметр рабочего колеса, мм;
Ч - для совместной работы с частотным преобразователем;
20 - длина кабеля 20 метров;
250 - номинальная мощность электродвигателя, кВт;
8 - число полюсов электродвигателя;
3 - стационарный моноблочный вертикальный;
0 - без шкафа защиты и управления
6 - влаго-термозащита
Условия гарантии и шкафы управления
На насос без шкафа управления предоставляется гарантия 12 месяцев.
Гарантийный срок 24 месяца предоставляется на насосы Иртыш, укомплектованные шкафами управления Иртыш.
Шкаф управления Иртыш контролирует работу насоса по датчикам, установленным в основных узлах насоса Иртыш, и обеспечивает необходимую защиту электрической части, что гарантирует длительную и безаварийную работу насоса.
Для работы в автоматическом режиме насос или группу насосов мощностью более 3 кВт необходимо подключать через плавный пуск или частотный регулятор.
Для эксплуатации насоса в автоматическом режиме рекомендуем взамен данного насоса применить однонасосный комплект (насос и шкаф управления) Иртыш РФ2 400/750.744.Ч-20-250/8-336.
Для эксплуатации насоса в ручном режиме рекомендуем взамен данного насоса применить однонасосный комплект (насос и шкаф управления) Иртыш РФ2 400/750.744.Ч-20-250/8-316.
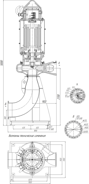
Габаритные размеры

Параметры рабочей точки
|
Производительность, Q |
1800 |
м³/ч |
|
Напор, Н |
32 |
м |
|
Потребляемая мощность в рабочей точке, Nпотр |
215 |
кВт |
|
КПД агрегата, η |
75 |
% |
Характеристики насоса
|
Вариант монтажа насоса |
стационарный моноблочный вертикальный |
|
Условный диаметр напорного патрубка, Ду, мм |
400 |
|
Тип рабочего колеса |
двух - канальное |
|
Фактический диаметр рабочего колеса, мм |
744 |
|
Рекомендуемая глубина погружения, м |
не более 10 |
|
Максимальный размер перекачиваемых частиц, мм |
150 |
|
Тип уплотнения вала |
торцовое |
|
Материал вращающейся части и неподвижного кольца торцового уплотнения |
карбид кремния |
|
Материал рабочего колеса |
чугун СЧ20 |
|
Материал корпуса спирального |
чугун СЧ20 |
Параметры электродвигателя
|
Номинальная мощность, кВт |
250 |
|
Напряжение, В |
380 |
|
Частота тока, Гц |
50 |
|
Номинальный ток, А |
497 |
|
Число полюсов |
8 |
|
Частота вращения, об/мин |
744 |
|
Сos φ |
0.8 |
|
КПД эл. двигателя |
95,3 |
|
Соединение обмоток по схеме |
звезда |
|
Класс нагревостойкости |
F |
|
Способ охлаждения электродвигателя |
погружной электродвигатель с принудительным охлаждением |
|
Способ защиты электродвигателя |
влаго-термозащита |
|
Степень защиты электродвигателя |
IP68 |
|
Длина встроенного электрического кабеля, м |
20 |
|
Количество жил кабеля, шт. |
3+7+1 |
|
Сечение жил, мм² |
95+1+35 |
|
Изоляция кабеля |
маслостойкая |



Ресурсы
|
Средняя наработка на отказ, часов, не менее |
7000 |
|
Средний ресурс до главного техобслуживания, часов, не менее |
20000 |
|
Средний срок службы, лет, не менее |
20 |
|
Масса насосного агрегата без шкафа управления, кг. |







