- Описание
- Характеристики
- Видео
Расшифровка обозначения
Насос РФ2 125/315.290-25-22/4-206:
Р - погружной электродвигатель с принудительным охлаждением;
Ф - гидравлическая часть насоса предназначена для перекачивания сточных вод;
2 - в насосе установлено двухканальное рабочее колесо;
125 - номинальный диаметр напорного патрубка, мм;
315 - номинальный диаметр рабочего колеса, мм;
290 - фактический диаметр рабочего колеса, мм;
25 - длина встроенного электрического кабеля, м;
22 - номинальная мощность электродвигателя, кВт;
4 - число полюсов электродвигателя;
2 - стационарный моноблочный горизонтальный;
0 - без шкафа защиты и управления;
6 - влаго - термозащита
Условия гарантии и шкафы управления
На насос без шкафа управления предоставляется гарантия 12 месяцев.
Гарантийный срок 24 месяца предоставляется на насосы Иртыш, укомплектованные шкафами управления Иртыш.
Шкаф управления Иртыш контролирует работу насоса по датчикам, установленным в основных узлах насоса Иртыш, и обеспечивает необходимую защиту электрической части, что гарантирует длительную и безаварийную работу насоса.
Для работы в автоматическом режиме насос или группу насосов мощностью более 3 кВт необходимо подключать через плавный пуск или частотный регулятор.
Для эксплуатации насоса в автоматическом режиме рекомендуем взамен данного насоса применить однонасосный комплект (насос и шкаф управления) Иртыш РФ2 125/315.290-25-22/4-236.
Для эксплуатации насоса в ручном режиме рекомендуем взамен данного насоса применить однонасосный комплект (насос и шкаф управления) Иртыш РФ2 125/315.290-25-22/4-216.
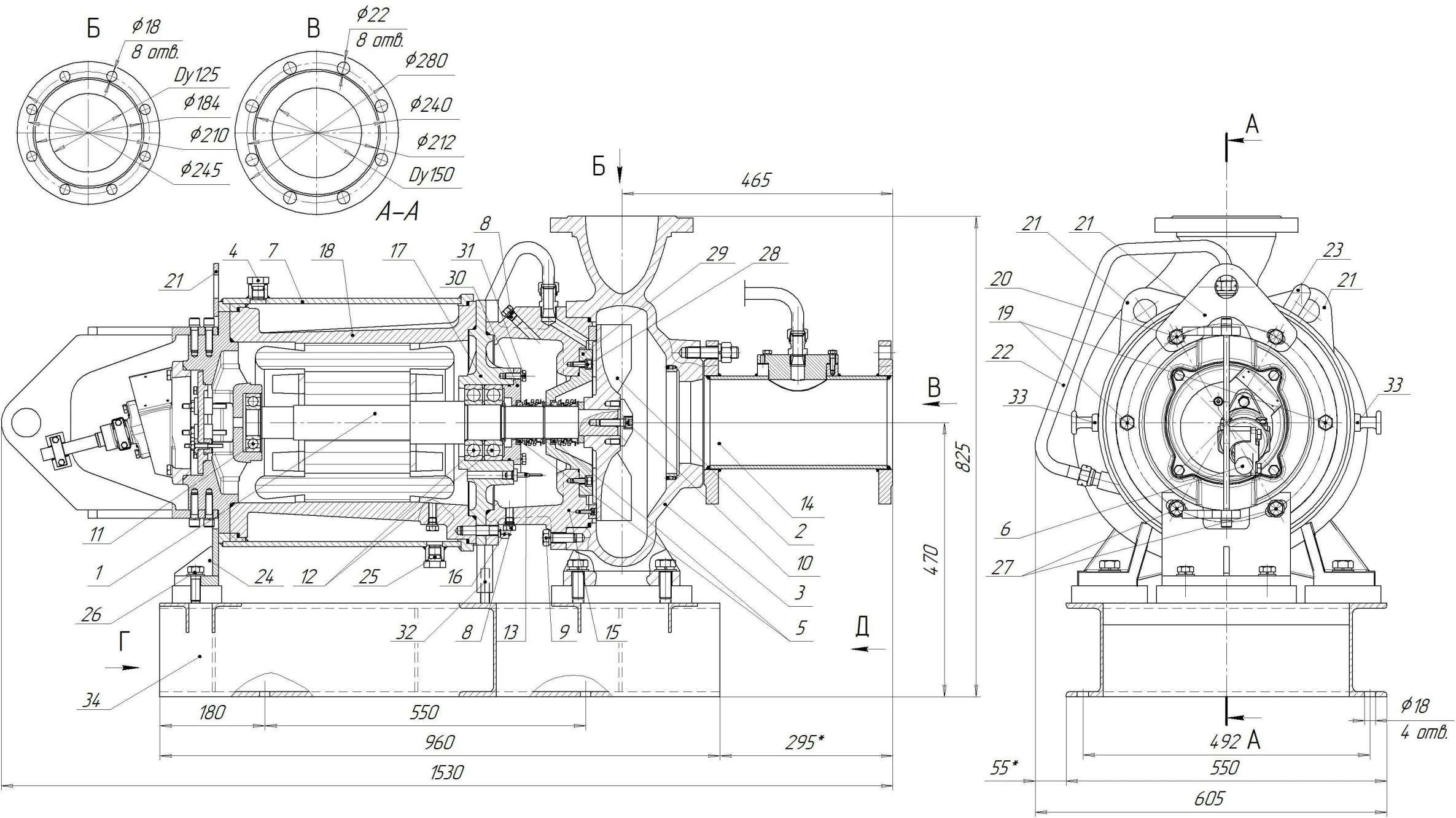
Общий вид и габаритные размеры электронасоса серии «Иртыш» РФ2 125/315.290-25-22/4-206

1. Электродвигатель; 2. Колесо рабочее; 3. Корпус спиральный; 4. Пробка для удаления воздуха из рубашки охлаждения; 5. Торцовое уплотнение; 6. Встроенный кабель; 7. Рубашка охлаждения; 8. Пробка масляной камеры для заливки и слива масла; 9. Метизы крепления корпуса камеры к корпусу спиральному; 10. Метизы крепления колеса рабочего; 11. Подшипник; 12. Подшипник; 13. Датчик влажности; 14. Патрубок входной; 15. Корпус камеры; 16. Метизы крепления корпуса камеры и стакана подшипника к корпусу электродвигателя; 17. Стакан подшипника; 18. Корпус электродвигателя; 19. Метизы крепления опоры подшипника и рубашки охлаждения к корпусу электродвигателя; 20. Метизы крепления грузовой цапфы, опоры подшипника и рубашки охлаждения к корпусу электродвигателя; 21. Грузовая цапфа; 22. Трубопровод подвода охлаждающей жидкости в рубашку охлаждения; 23. Трубопровод отвода охлаждающей жидкости из рубашки охлаждения; 24. Лапа задняя; 25. Пробка для слива охлаждающей жидкости из рубашки охлаждения; 26. Метизы крепления задней лапы к раме; 27. Метизы крепления задней лапы к насосу; 28. Метизы крепления крышки камеры к корпусу камеры; 29. Крышка камеры; 30. Крышка подшипника; 31. Метизы крепления крышки подшипника к стакану подшипника; 32. Домкратик; 33. Цапфы рубашки охлаждения; 34. Рама.
Возможны технические изменения
Параметры рабочей точки
| Производительность, Q | 200 | м³/ч |
| Напор, Н | 22 | м |
| Потребляемая мощность в рабочей точке, Nпотр | 18,5 | кВт |
| КПД агрегата, η | 59 | % |
Характеристики насоса
| Вариант монтажа насоса | стационарный моноблочный горизонтальный |
| Условный диаметр напорного патрубка, Ду, мм | 125 |
| Тип рабочего колеса | двухканальное |
| Фактический диаметр рабочего колеса, мм | 290 |
| Рекомендуемая глубина погружения, м | не более 10 |
| Максимальный размер перекачиваемых частиц, мм | 50 |
| Тип уплотнения вала | торцовое |
| Материал вращающейся части и неподвижного кольца торцового уплотнения | карбид кремния |
| Материал рабочего колеса | чугун СЧ20 |
| Материал корпуса спирального | чугун СЧ20 |
Параметры электродвигателя
| Номинальная мощность, кВт | 22 |
| Напряжение, В | 380 |
| Частота тока, Гц | 50 |
| Номинальный ток, А | 42 |
| Число полюсов | 4 |
| Частота вращения, об/мин | 1460 |
| Сos φ | 0,85 |
| КПД эл. двигателя | 88 |
| Соединение обмоток по схеме | ★ (звезда) |
| Класс нагревостойкости | F |
| Способ охлаждения электродвигателя | погружной электродвигатель с принудительным охлаждением |
| Способ защиты электродвигателя | влаго-термозащита |
| Степень защиты электродвигателя | IP68 |
| Длина встроенного электрического кабеля, м | 25 |
| Количество жил кабеля, шт. | 3+1+3 |
| Сечение жил, мм² | 10+6+2,5 |
| Изоляция кабеля | маслостойкая |
| Исполнение шкафа защиты, поставляемого в комплекте с насосом | без шкафа защиты и управления |

Ресурсы
| Средняя наработка на отказ, часов, не менее | 7000 |
| Средний ресурс до главного техобслуживания, часов, не менее | 20000 |
| Средний срок службы, лет, не менее | 20 |
| Масса насосного агрегата без шкафа управления, кг. | 560 |
Перечень необходимых защит при эксплуатации электронасосов серии «Иртыш»
Для обеспечения длительной безаварийной работы каждого насоса «Иртыш» необходимо реализовать нижеперечисленный перечень защит и функций управления:
- защиты по встроенным датчикам в насосе. Наличие и тип датчиков зависит от комплектации насоса (информация предоставляется заводом изготовителем по запросу);
- наличие в шкафу управления автоматического выключателя защиты электродвигателя, подобранного в соответствии с номинальным током двигателя;
- тепловую защиту двигателя;
- контроль порядка чередования фаз;
- контроль повышенного или пониженного напряжения на каждой фазе;
- контроль перегрузки по току;
- контроль перекоса тока по фазам;
- контроль отсутствия одной или более фаз питания;
- контроль сопротивления изоляции обмоток статора относительно корпуса насоса;
- защита от «сухого» хода.
Для работы электронасоса мощностью свыше 3кВт в автоматическом режиме необходимо обеспечить условия для плавного запуска и останова электродвигателя насоса при помощи устройств плавного пуска или частотного преобразователя для электронасоса, предназначенного под частотное регулирование.
Для выполнения пусконаладочных работ необходимо реализовать режим ручного управления насосами и другим оборудованием. Шкаф должен иметь органы управления режимами работы оборудования, кнопки «Пуск», «Стоп» и световую индикацию как минимум «Сеть», «Насос в работе», «Авария насоса».
Заказчик ознакомлен с перечнем обязательных защит и несет ответственность за выход насосов из работоспособного состояния по причине нереализованных защит, предусмотренных шкафами управления серии «Иртыш».
Для долгосрочной работы насосов серии «Иртыш» рекомендуется приобретение шкафов управления серии «Иртыш» и выполнение пусконаладочных работ специалистами ОДО «Предприятие «Взлет».







