Электродвигатель рудничный Иртыш РВ Ех 90L2 T У2,5 IM2081 660/1140B 3/3000
Цена по запросу
- Описание
- Характеристики
- Видео
Электродвигатель Иртыш РВ Ех 90L2 T У2,5 IM2081 660/1140B 3/3000

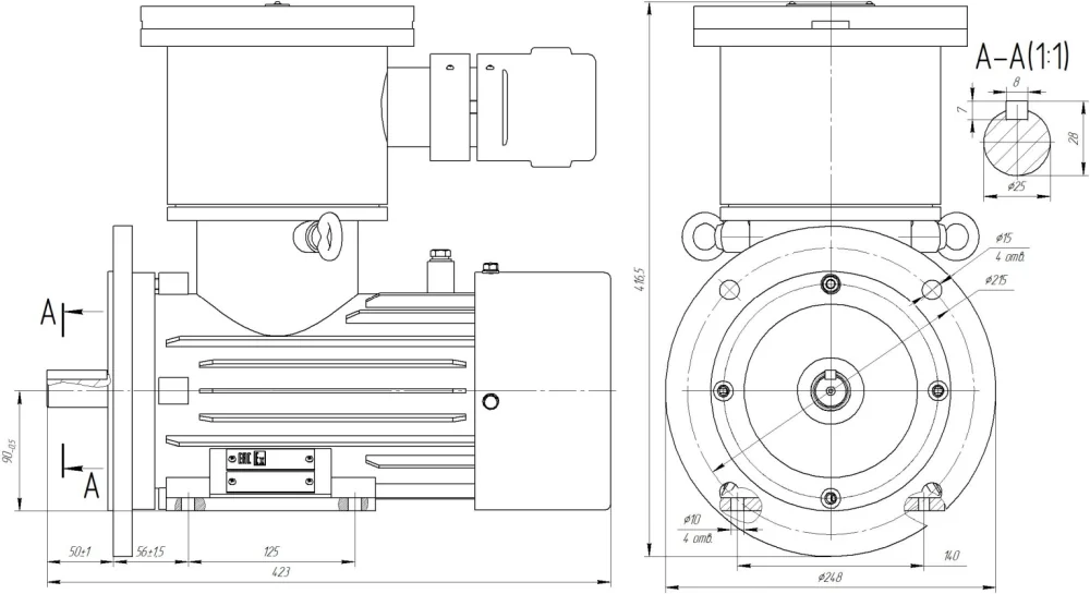
Общий вид и габаритные размеры электродвигателя Иртыш
РВ Ех 90L2 T У2,5 IM2081 660/1140B 3/3000
Возможны технические изменения
Расшифровка маркировки электродвигателя Иртыш РВ Ех 90L2 T У2,5:
| № | Исполнение электродвигателя | Расшифровка условного обозначения |
|---|---|---|
| 1 | Иртыш РВ Ех | Серия электродвигателя |
| 2 | 90 | Габарит (высота оси вращения) |
| 3 | L | Установочный размер по длине станины |
| 4 | 2 | Число полюсов |
| 5 | Т | Датчик температурной защиты электродвигателя (цепь полупроводниковых терморезисторов) |
| 6 | У2.5 | Вид климатического исполнения и категории размещения |
Параметры электродвигателя
| Параметры электродвигателя | |
|---|---|
| Номинальная мощность, кВт | 3 |
| Напряжение, В | 660/1140 |
| Частота тока, Гц | 50 |
| Номинальный ток, А | 3,4/2,0 |
| Число полюсов | 2 |
| Частота вращения, об/мин | 2860 |
| Сos φ | 0,9 |
| КПД эл. двигателя, % | 85 |
| Соединение обмоток по схеме | ∆/★ (Треугольник/Звезда) |
| Класс энергоэффективности | ie1 |
| Класс нагревостойкости | Н |
| Степень защиты электродвигателя | IP55 |
Ресурсы
| Ресурсы | |
|---|---|
| Средняя наработка на отказ, часов, не менее | 25000 |
| Средний ресурс до главного техобслуживания, часов, не менее | 40000 |
| Средний срок службы, лет, не менее | 15 |
| Расчетная масса электродвигателя, кг. | 55 |
Номинальная мощность, кВт
3,0
Питающее напряжение
660/1140В
Тип защиты двигателя
термозащита
Масса, кг
55
Тип взрывозащиты
рудничная РВ Ех
Обороты электродвигателя, об/мин
3000
Обороты, об/мин
3000






