- Описание
- Характеристики
- Видео
- Документация
Электронасос наружный фекальный серии «Иртыш» НФ2 100/200.212-5,5/4Ех-200
Расход от 70 до 160 м³/ч
Напор от 9 до 13,5 м.в.с.
Артикул (Код для заказа): уточняется при заказе оборудования
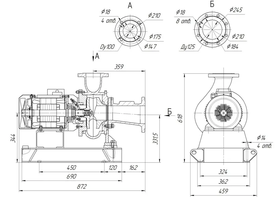
Общий вид и габаритные размеры электронасоса серии «Иртыш» НФ2 100/200.212-5,5/4Ех-200

Возможны технические изменения
Расшифровка маркировки электронасоса Иртыш НФ2 100/200.212-5,5/4Ех-200
Н - наружный электродвигатель;
Ф - гидравлическая часть насоса предназначена для перекачивания сточных вод;
2 - в насосе установлено двухканальное рабочее колесо;
100 - номинальный диаметр напорного патрубка, мм;
200 - номинальный диаметр рабочего колеса, мм;
212 - фактический диаметр рабочего колеса, мм;
5,5 - номинальная мощность электродвигателя, кВт;
4 - число полюсов электродвигателя;
Ех - взрывозащищенного исполнения;
2 – стационарный моноблочный горизонтальный монтаж насоса;
0 - без шкафа защиты и управления;
0 - без защиты.
Параметры рабочей точки
|
Производительность, Q |
120 |
м³/ч |
|
Напор, Н |
11 |
м |
|
Потребляемая мощность в рабочей точке, Nпотр |
4,9 |
кВт |
|
КПД агрегата, η |
62 |
% |
Характеристики насоса
|
Вариант монтажа насоса |
стационарный моноблочный горизонтальный монтаж насоса |
|
Условный диаметр напорного патрубка, Ду, мм |
100 |
|
Тип рабочего колеса |
двухканальное |
|
Фактический диаметр рабочего колеса, мм |
212 |
|
Максимальный размер перекачиваемых частиц, мм |
50 |
|
Тип уплотнения вала |
торцовое |
|
Материал вращающейся части и неподвижного кольца торцового уплотнения |
карбид кремния |
|
Материал рабочего колеса |
чугун СЧ20 |
|
Материал корпуса спирального |
чугун СЧ20 |
Параметры электродвигателя
|
Номинальная мощность, кВт |
5,5 |
|
Напряжение, В |
380 |
|
Частота тока, Гц |
50 |
|
Номинальный ток, А |
12,13 |
|
Число полюсов |
4 |
|
Частота вращения, об/мин |
1447 |
|
Сos φ |
0,82 |
|
КПД эл. двигателя |
84 |
|
Соединение обмоток по схеме |
★ |
|
Класс нагревостойкости |
F |
|
Способ защиты электродвигателя |
без защиты |
|
Степень защиты электродвигателя |
IP 54 |
|
Класс энергоэффективности |
IE1 |
|
Исполнение шкафа защиты, поставляемого в комплекте с насосом |
без шкафа защиты и управления |
Ресурсы
|
Средняя наработка на отказ, часов, не менее |
7000 |
|
Средний ресурс до главного техобслуживания, часов, не менее |
20000 |
|
Средний срок службы, лет, не менее |
20 |
|
Расчетная масса, кг. |
250 |
Рабочие характеристики электронасоса серии «Иртыш» НФ2 100/200.202-5,5/4-200

НАЗНАЧЕНИЕ (для исполнения Ех)
Электронасосы серии «Иртыш» типа НФ(НФс) исполнения Ех (взрывозащищенного исполнения) являются взрывозащищенным электрооборудованием группы II с видом взрывозащиты «c/k» (защита конструкционной безопасностью/защита жидкостным погружением) и предназначены для:
- применения в местах (кроме подземных выработок шахт и их наземных строений) опасных по взрывоопасной среде подгруппы IIB или IIС, температура воспламенения которых более 135°С (температурный класс Т4) (сертификат)
;- перекачивания бытовых и промышленных загрязнённых жидкостей (фекальных, сточных вод, промышленных стоков), с водородным показателем рН=6,0…9,0 плотностью до 1100 кг/м³, температурой от 274К (1°С) до 348К (75°С), с содержанием различных неабразивных взвешенных частиц максимальным размером согласно таблицы 1 включая коротковолокнистые, (длинноволокнистые для насосов типа НФС), концентрацией до 2% по массе, абразивных взвешенных частиц не более 1% по объёму, размером до 5 мм и микротвердостью не более 9000 МПа. Максимально допустимая температура окружающей среды (воздуха) +40ºС.
Маркировка взрывозащиты
Маркировка насоса (в зависимости от исполнения электродвигателя):
II Gb c/k IIB T4 X – группа IIВ (этилен, пропан) с уровнем взрывозащиты Gb;
II Gс c/k IIС T4 X – группа IIС (этилен, пропан, водород) с уровнем взрывозащиты Gс
Знак «Х» в маркировке обозначает специальные условия применения, которые должны обеспечиваться потребителем:
1. Работа по «сухому ходу» запрещена.
2. Диапазон температуры окружающей среды для насосов от +1°С до +40°С.
3. Температура перекачиваемой жидкости от +1°С до +75°С.
Перечень необходимых защит при эксплуатации электронасосов серии «Иртыш»
Для обеспечения длительной безаварийной работы каждого насоса «Иртыш» необходимо реализовать нижеперечисленный перечень защит и функций управления:
- защиты по встроенным датчикам в насосе. Наличие и тип датчиков зависит от комплектации насоса (информация предоставляется заводом изготовителем по запросу);
- наличие в шкафу управления автоматического выключателя защиты электродвигателя, подобранного в соответствии с номинальным током двигателя;
- тепловую защиту двигателя;
- контроль порядка чередования фаз;
- контроль повышенного или пониженного напряжения на каждой фазе;
- контроль перегрузки по току;
- контроль перекоса тока по фазам;
- контроль отсутствия одной или более фаз питания;
- контроль сопротивления изоляции обмоток статора относительно корпуса насоса;
- защита от «сухого» хода.
Для работы электронасоса мощностью свыше 3 кВт в автоматическом режиме необходимо обеспечить условия для плавного запуска и останова электродвигателя насоса при помощи устройств плавного пуска или частотного преобразователя для электронасоса, предназначенного под частотное регулирование.
Для выполнения пусконаладочных работ необходимо реализовать режим ручного управления насосами и другим оборудованием. Шкаф должен иметь органы управления режимами работы оборудования, кнопки «Пуск», «Стоп» и световую индикацию как минимум «Сеть», «Насос в работе», «Авария насоса».
Заказчик ознакомлен с перечнем обязательных защит и несет ответственность за выход насосов из работоспособного состояния по причине нереализованных защит, предусмотренных шкафами управления серии «Иртыш».
Для долгосрочной работы насосов серии «Иртыш» рекомендуется приобретение шкафов управления серии «Иртыш» и выполнение пусконаладочных работ специалистами ОДО «Предприятие «Взлет».







