- Описание
- Характеристики
- Видео
- Документация
Электронасос наружный фекальный серии «Иртыш» НФ2 150/315.315-37/4-200
Расход от 200 до 450 м³/ч
Напор от 12 до 22 м.в.с.
Артикул (Код для заказа): уточняется при заказе оборудования
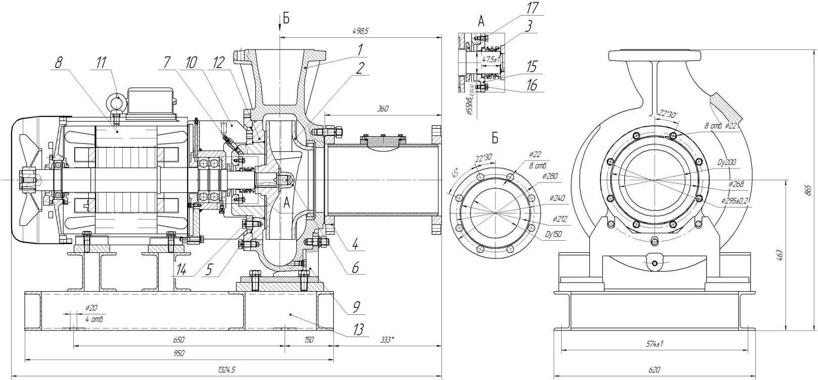
Общий вид и габаритные размеры электронасоса серии «Иртыш» НФ2 150/315.315-37/4-200

Возможны технические изменения
Составные части электронасоса
1 – корпус спиральный; 2 – колесо рабочее; 3 – торцовое уплотнение; 4 – патрубок входной; 5 – метизы крепления корпуса спирального; 6 – метизы крепления колеса рабочего; 7 – кран Маевского; 8 – электродвигатель; 9 - лапа; 10 – проставка; 11 – строповочная проушина; 12 – фланец; 13 – рама; 14 - метизы крепления проставки к фланцу; 15 - крышка камеры; 16 - метизы крепления крышки камеры; 17 - отбойник.
Расшифровка маркировки насоса Иртыш НФ2 150/315.315-37/4-200
Н - наружный электродвигатель;
Ф - гидравлическая часть насоса предназначена для перекачивания сточных вод;
2 - в насосе установлено двухканальное рабочее колесо;
150 - номинальный диаметр напорного патрубка, мм;
315 - номинальный диаметр рабочего колеса, мм;
315 - фактический диаметр рабочего колеса, мм;
37 - номинальная мощность электродвигателя, кВт;
4 - число полюсов электродвигателя;
2 – стационарный моноблочный горизонтальный;
0 - без шкафа защиты и управления;
0 - без защиты.
Параметры рабочей точки
|
Производительность, Q |
350 |
м³/ч |
|
Напор, Н |
16 |
м |
|
Потребляемая мощность в рабочей точке, Nпотр |
29,7 |
кВт |
|
КПД агрегата, η |
50 |
% |
Характеристики насоса
|
Вариант монтажа насоса |
стационарный моноблочный горизонтальный |
|
Условный диаметр напорного патрубка, Ду, мм |
150 |
|
Тип рабочего колеса |
двухканальное |
|
Фактический диаметр рабочего колеса, мм |
321 |
|
Максимальный размер перекачиваемых частиц, мм |
50 |
|
Тип уплотнения вала |
торцовое |
|
Материал вращающейся части и неподвижного кольца торцового уплотнения |
карбид кремния |
|
Материал рабочего колеса |
чугун СЧ20 |
|
Материал корпуса спирального |
чугун СЧ20 |
Параметры электродвигателя
|
Номинальная мощность, кВт |
37 |
|
Напряжение, В |
380 |
|
Частота тока, Гц |
50 |
|
Номинальный ток, А |
72 |
|
Число полюсов |
4 |
|
Частота вращения, об/мин |
1470 |
|
Сos φ |
0,85 |
|
КПД эл. двигателя |
92,5 |
|
Соединение обмоток по схеме |
★ |
|
Класс нагревостойкости |
F |
|
Способ защиты электродвигателя |
без защиты |
|
Степень защиты электродвигателя |
IP 54 |
|
Класс энергоэффективности |
IE1 |
|
Исполнение шкафа защиты, поставляемого в комплекте с насосом |
без шкафа защиты и управления |
Ресурсы
|
Средняя наработка на отказ, часов, не менее |
7000 |
|
Средний ресурс до главного техобслуживания, часов, не менее |
20000 |
|
Средний срок службы, лет, не менее |
20 |
|
Расчетная масса, кг |
600 |
Рабочие характеристики электронасоса серии «Иртыш» НФ2 150/315.315-37/4

Перечень необходимых защит при эксплуатации электронасосов серии «Иртыш»
Для обеспечения длительной безаварийной работы каждого насоса «Иртыш» необходимо реализовать нижеперечисленный перечень защит и функций управления:
- защиты по встроенным датчикам в насосе. Наличие и тип датчиков зависит от комплектации насоса (информация предоставляется заводом изготовителем по запросу);
- наличие в шкафу управления автоматического выключателя защиты электродвигателя, подобранного в соответствии с номинальным током двигателя;
- тепловую защиту двигателя;
- контроль порядка чередования фаз;
- контроль повышенного или пониженного напряжения на каждой фазе;
- контроль перегрузки по току;
- контроль перекоса тока по фазам;
- контроль отсутствия одной или более фаз питания;
- контроль сопротивления изоляции обмоток статора относительно корпуса насоса;
- защита от «сухого» хода.
Для работы электронасоса мощностью свыше 3 кВт в автоматическом режиме необходимо обеспечить условия для плавного запуска и останова электродвигателя насоса при помощи устройств плавного пуска или частотного преобразователя для электронасоса, предназначенного под частотное регулирование.
Для выполнения пусконаладочных работ необходимо реализовать режим ручного управления насосами и другим оборудованием. Шкаф должен иметь органы управления режимами работы оборудования, кнопки «Пуск», «Стоп» и световую индикацию как минимум «Сеть», «Насос в работе», «Авария насоса».
Заказчик ознакомлен с перечнем обязательных защит и несет ответственность за выход насосов из работоспособного состояния по причине нереализованных защит, предусмотренных шкафами управления серии «Иртыш».
Для долгосрочной работы электронасосов серии «Иртыш» рекомендуется приобретение шкафов управления серии «Иртыш» и выполнение пусконаладочных работ специалистами ОДО «Предприятие «Взлет».







