- Описание
- Характеристики
- Видео
- Документация
Электронасос наружный фекальный серии «Иртыш» типа НФ2 200/360.348-30/6-216
Расход от 280 до 700 м³/ч
Напор от 6,3 до 11,8 м.в.с.
Артикул (Код для заказа): уточняется при заказе оборудования
Насос укомплектован шкафом управления Иртыш ШУ1-1.30.6-31
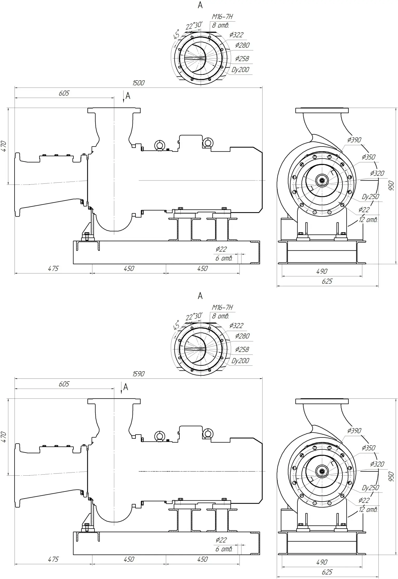
Общий вид и габаритные размеры электронасоса серии «Иртыш» НФ2 200/360.348-30/6-216

Возможны технические изменения
Расшифровка маркировки НФ2 200/360.348-30/6-216
Н - наружный электродвигатель;
Ф - гидравлическая часть насоса предназначена для перекачивания сточных вод;
2 - в насосе установлено двухканальное рабочее колесо;
200 - номинальный диаметр напорного патрубка, мм;
360 - номинальный диаметр рабочего колеса, мм;
348 - фактический диаметр рабочего колеса, мм;
30 - номинальная мощность электродвигателя, кВт;
6 - число полюсов электродвигателя;
2 – стационарный моноблочный горизонтальный;
1 - ручного управления;
6 - влаго-термозащита;
Параметры рабочей точки
|
Производительность, Q |
400 |
м³/ч |
|
Напор, Н |
10 |
м |
|
Потребляемая мощность в рабочей точке, Nпотр |
22 |
кВт |
|
КПД агрегата, η |
45 |
% |
Характеристики насоса
|
Вариант монтажа насоса |
стационарный моноблочный горизонтальный |
|
Условный диаметр напорного патрубка, Ду, мм |
200 |
|
Тип рабочего колеса |
двухканальное |
|
Фактический диаметр рабочего колеса, мм |
348 |
|
Максимальный размер перекачиваемых частиц, мм |
100 |
|
Тип уплотнения вала |
торцовое |
|
Материал вращающейся части и неподвижного кольца торцового уплотнения |
карбид кремния |
|
Материал рабочего колеса |
чугун СЧ20 |
|
Материал корпуса спирального |
чугун СЧ20 |
Параметры электродвигателя
|
Номинальная мощность, кВт |
30 |
|
Напряжение, В |
380 |
|
Частота тока, Гц |
50 |
|
Номинальный ток, А |
57 |
|
Число полюсов |
6 |
|
Частота вращения, об/мин |
980 |
|
Сos φ |
0,88 |
|
КПД эл. двигателя |
90,8 |
|
Соединение обмоток по схеме |
★ |
|
Класс нагревостойкости |
F |
|
Способ защиты электродвигателя |
влаго-термозащита |
|
Степень защиты электродвигателя |
IP 54 |
|
Класс энергоэффективности |
IE1 |
|
Исполнение шкафа защиты, поставляемого в комплекте с насосом |
ручного управления |
Ресурсы
|
Средняя наработка на отказ, часов, не менее |
7000 |
|
Средний ресурс до главного техобслуживания, часов, не менее |
20000 |
|
Средний срок службы, лет, не менее |
20 |
|
Расчетная масса, кг |
715 |
Рабочие характеристики электронасоса серии «Иртыш» НФ2 200/360.348-30/6

Перечень необходимых защит при эксплуатации электронасосов серии «Иртыш»
Для обеспечения длительной безаварийной работы каждого насоса «Иртыш» необходимо реализовать нижеперечисленный перечень защит и функций управления:
- защиты по встроенным датчикам в насосе. Наличие и тип датчиков зависит от комплектации насоса (информация предоставляется заводом изготовителем по запросу);
- наличие в шкафу управления автоматического выключателя защиты электродвигателя, подобранного в соответствии с номинальным током двигателя;
- тепловую защиту двигателя;
- контроль порядка чередования фаз;
- контроль повышенного или пониженного напряжения на каждой фазе;
- контроль перегрузки по току;
- контроль перекоса тока по фазам;
- контроль отсутствия одной или более фаз питания;
- контроль сопротивления изоляции обмоток статора относительно корпуса насоса;
- защита от «сухого» хода.
Для работы электронасоса мощностью свыше 3 кВт в автоматическом режиме необходимо обеспечить условия для плавного запуска и останова электродвигателя насоса при помощи устройств плавного пуска или частотного преобразователя для электронасоса, предназначенного под частотное регулирование.
Для выполнения пусконаладочных работ необходимо реализовать режим ручного управления насосами и другим оборудованием. Шкаф должен иметь органы управления режимами работы оборудования, кнопки «Пуск», «Стоп» и световую индикацию как минимум «Сеть», «Насос в работе», «Авария насоса».
Заказчик ознакомлен с перечнем обязательных защит и несет ответственность за выход насосов из работоспособного состояния по причине нереализованных защит, предусмотренных шкафами управления серии «Иртыш».
Для долгосрочной работы насосов серии «Иртыш» рекомендуется приобретение шкафов управления серии «Иртыш» и выполнение пусконаладочных работ специалистами ОДО «Предприятие «Взлет».







