- Описание
- Характеристики
- Видео
- Документация
Электронасос наружный фекальный серии «Иртыш» НФс 65/160.155-3/2-300
Расход от 16 до 40 м³/ч
Напор от 10 до 18 м.в.с.
Артикул (Код для заказа): уточняется при заказе оборудования
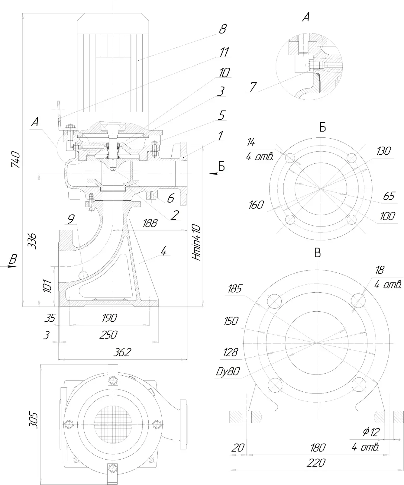
Общий вид и габаритные размеры электронасоса серии «Иртыш» НФс 65/160.155-3/2-300

Возможны технические изменения
Составные части электронасоса
1. Корпус спиральный; 2. Колесо рабочее; 3. Торцовое уплотнение; 4. Патрубок опорный; 5. Метизы крепления проставки к корпусу спиральному; 6. Метизы крепления колеса рабочего; 7. Кран «Маевского»; 8. Электродвигатель; 9. Пробка для слива жидкости; 10. Проставка; 11. Строповочная проушина.
Расшифровка маркировки НФс 65/160.155-3/2-300
Н - наружный электродвигатель;
Ф - гидравлическая часть насоса предназначена для перекачивания сточных вод;
с - в насосе установлено вихревое рабочее колесо;
65 - номинальный диаметр напорного патрубка, мм;
160 - номинальный диаметр рабочего колеса, мм;
155 - фактический диаметр рабочего колеса, мм;
3 - номинальная мощность электродвигателя, кВт;
2 - число полюсов электродвигателя;
3 – стационарный моноблочный вертикальный;
0 - без шкафа защиты и управления;
0 - без защиты.
Параметры рабочей точки
|
Производительность, Q |
25 |
м³/ч |
|
Напор, Н |
15 |
м |
|
Потребляемая мощность в рабочей точке, Nпотр |
2,5 |
кВт |
|
КПД агрегата, η |
33 |
% |
Характеристики насоса
|
Вариант монтажа насоса |
стационарный моноблочный вертикальный |
|
Условный диаметр напорного патрубка, Ду, мм |
65 |
|
Тип рабочего колеса |
вихревое |
|
Фактический диаметр рабочего колеса, мм |
155 |
|
Максимальный размер перекачиваемых частиц, мм |
40 |
|
Тип уплотнения вала |
торцовое |
|
Материал вращающейся части и неподвижного кольца торцового уплотнения |
карбид кремния |
|
Материал рабочего колеса |
чугун СЧ20 |
|
Материал корпуса спирального |
чугун СЧ20 |
Параметры электродвигателя
|
Номинальная мощность, кВт |
3 |
|
Напряжение, В |
380 |
|
Частота тока, Гц |
50 |
|
Номинальный ток, А |
7,03 |
|
Число полюсов |
2 |
|
Частота вращения, об/мин |
2850 |
|
Сos φ |
0,85 |
|
КПД эл. двигателя |
82 |
|
Соединение обмоток по схеме |
★ |
|
Класс нагревостойкости |
F |
|
Способ защиты электродвигателя |
без защиты |
|
Степень защиты электродвигателя |
IP 54 |
|
Класс энергоэффективности |
IE1 |
|
Исполнение шкафа защиты, поставляемого в комплекте с насосом |
без шкафа защиты и управления |
Ресурсы
|
Средняя наработка на отказ, часов, не менее |
7000 |
|
Средний ресурс до главного техобслуживания, часов, не менее |
20000 |
|
Средний срок службы, лет, не менее |
20 |
|
Масса насосного агрегата без шкафа управления, кг. |
60 |
Рабочие характеристики электронасоса серии «Иртыш» НФс 65/160.155-3/2

Перечень необходимых защит при эксплуатации электронасосов серии «Иртыш»
Для обеспечения длительной безаварийной работы каждого насоса «Иртыш» необходимо реализовать нижеперечисленный перечень защит и функций управления:
- защиты по встроенным датчикам в насосе. Наличие и тип датчиков зависит от комплектации насоса (информация предоставляется заводом изготовителем по запросу);
- наличие в шкафу управления автоматического выключателя защиты электродвигателя, подобранного в соответствии с номинальным током двигателя;
- тепловую защиту двигателя;
- контроль порядка чередования фаз;
- контроль повышенного или пониженного напряжения на каждой фазе;
- контроль перегрузки по току;
- контроль перекоса тока по фазам;
- контроль отсутствия одной или более фаз питания;
- контроль сопротивления изоляции обмоток статора относительно корпуса насоса;
- защита от «сухого» хода.
Для работы электронасоса мощностью свыше 3 кВт в автоматическом режиме необходимо обеспечить условия для плавного запуска и останова электродвигателя насоса при помощи устройств плавного пуска или частотного преобразователя для электронасоса, предназначенного под частотное регулирование.
Для выполнения пусконаладочных работ необходимо реализовать режим ручного управления насосами и другим оборудованием. Шкаф должен иметь органы управления режимами работы оборудования, кнопки «Пуск», «Стоп» и световую индикацию как минимум «Сеть», «Насос в работе», «Авария насоса».
Заказчик ознакомлен с перечнем обязательных защит и несет ответственность за выход насосов из работоспособного состояния по причине нереализованных защит, предусмотренных шкафами управления серии «Иртыш».
Для долгосрочной работы насосов серии «Иртыш» рекомендуется приобретение шкафов управления серии «Иртыш» и выполнение пусконаладочных работ специалистами ОДО «Предприятие «Взлет».







