- Описание
- Характеристики
- Видео
Расшифровка обозначения
Насос НФ2 400/750.746.Ч-250/8-400
Н - наружный электродвигатель («сухой»);
Ф - для сточных масс
2 - в насосе установлено двух - канальное рабочее колесо;
400 - номинальный диаметр напорного патрубка, мм;
750 - номинальный диаметр рабочего колеса, мм;
746 - фактический диаметр рабочего колеса, мм;
Ч - подготовлен для работы с частотным преобразователем;
250 - номинальная мощность электродвигателя, кВт;
8 - число полюсов электродвигателя;
4 - стационарный моноблочный горизонтальный монтаж насоса;
0 - без шкафа защиты и управления;
0 - без защиты;
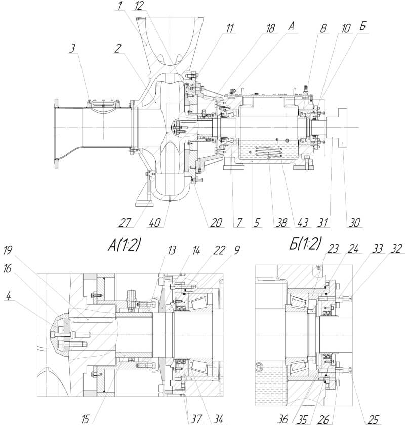
Общий вид и габаритные размеры электронасоса


1 - корпус спиральный,
2 - колесо рабочее,
3 - патрубок входной,
4 - шайба защитная,
5 - кронштейн опорный,
7,8 - подшипники,
9,10 - крышки подшипников,
11 - фланец,
12 - фланец напорный,
13 - крышка сальника,
14 - отбойник,
15 - сальниковая набивка,
16 - шайба крепления рабочего колеса,
18 - штуцер для подвода затворной жидкости,
19 - шпонка,
20 - прокладка,
22 - гайка М 150х2,
23 - втулка распорная,
24 – гайка М 140х2-LH,
25, 32 – болт регулировочный,
26, 33 – гайки болта регулировочного,
27 - опора корпуса спирального,
30 - полумуфта насоса,
31 - шпонка,
34, 35 - втулка,
36, 37 - манжета,
38 - охладитель,
40 - пробка.
Схема охлаждения подшипниковых опор

Параметры рабочей точки
|
Производительность, Q |
1800 |
м³/ч |
|
Напор, Н |
35 |
м |
|
Потребляемая мощность в рабочей точке, Nпотр |
237 |
кВт |
|
КПД агрегата, η |
78 |
% |
Характеристики насоса
|
Вариант монтажа насоса |
стационарный горизонтальный |
|
Условный диаметр напорного патрубка, Ду, мм |
400 |
|
Условный диаметр входногоого патрубка, Ду, мм |
450 |
|
Тип рабочего колеса |
двухканальное |
|
Фактический диаметр рабочего колеса, мм |
746 |
|
Максимальный размер перекачиваемых частиц, мм |
150 |
|
Тип уплотнения вала |
сальниковая набивка |
|
Материал рабочего колеса |
чугун СЧ20 |
|
Материал корпуса спирального |
чугун СЧ20 |
Параметры электродвигателя
|
Номинальная мощность, кВт |
250 |
|
Напряжение, В |
380 |
|
Частота тока, Гц |
50 |
|
Номинальный ток, А |
500 |
|
Число полюсов |
8 |
|
Частота вращения, об/мин |
744 |
|
Сos φ |
0,8 |
|
КПД эл. двигателя |
95,8 |
|
Соединение обмоток по схеме |
D |
|
Класс нагревостойкости |
F |
|
Степень защиты электродвигателя |
IP 54 |



Ресурсы
|
Средняя наработка на отказ, часов, не менее |
7000 |
|
Средний ресурс до главного техобслуживания, часов, не менее |
20000 |
|
Средний срок службы, лет, не менее |
20 |
|
Масса насосного агрегата, кг. |
5200 |







