- Описание
- Характеристики
- Видео
- Документация
Основные параметры
Электронасос погружной фекальный серии «Иртыш» типа ПФ2 200/360.348-30/6-016
Расход: от 280 до 700 м³/ч
Напор: от 6,3 до 11,8 м.в.с.
Артикул (Код для заказа): уточняется при заказе оборудования
Внимание! Опускное устройство заказывается отдельно и имеет собственный артикул!
Внимание!
ЭЛЕКТРОНАСОС УКОМПЛЕКТОВАН ШКАФОМ УПРАВЛЕНИЯ ИРТЫШ ШУ1-1.30.7-31!!!
В случае применения насоса без шкафа защиты или с каким-либо шкафом защиты (управления) не обеспечивающим защиту насоса в полном объёме предприятие не несет гарантийных обязательств за выход насосов из рабочего состояния по причине нереализованных защит, предусмотренных шкафами защиты (управления) Иртыш.
Расшифровка обозначения
Электронасос погружной фекальный серии «Иртыш» типа ПФ2 200/360.348-30/6-016:
П - погружной электродвигатель без принудительного охлаждения;
Ф - гидравлическая часть насоса предназначена для перекачивания сточных вод;
2 - в насосе установлено двухканальное рабочее колесо;
200 - номинальный диаметр напорного патрубка, мм;
360 - номинальный диаметр рабочего колеса, мм;
348 - фактический диаметр рабочего колеса, мм;
- без обозначения, стандартная длина кабеля 10 метров;
30 - номинальная мощность электродвигателя, кВт;
6 - число полюсов электродвигателя;
0 - мобильный погружной вертикальный;
1 - ручного управления;
6 - влаго-термозащита.
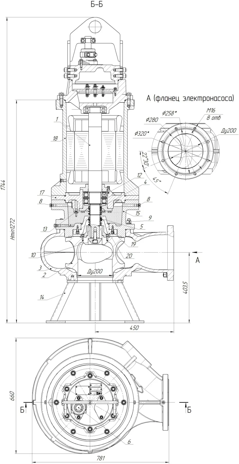
Общий вид и габаритные размеры электронасоса серии «Иртыш» ПФ2 200/360.348-30/6-016

Возможны технические изменения.
Составные части (к чертежу)
1. Электродвигатель;
2. Колесо рабочее;
3. Корпус спиральный;
4. Торцовое уплотнение;
5. Торцовое уплотнение;
6. Встроенный кабель (-ли);
8. Пробка масляной камеры;
9. Метизы крепления корпуса камеры к корпусу спиральному;
10. Метизы крепления колеса рабочего (с шайбой);
11. Подшипник;
12. Подшипник (-ки);
13. Датчик влажности;
14. Подставка;
15. Корпус камеры;
16. Метизы крепления опоры подшипника к корпусу электродвигателя;
17. Стакан подшипника;
18. Корпус электродвигателя;
19. Метизы крепления крышки камеры к корпусу камеры;
20. Крышка камеры.
Примечание: пункт 7 (Поплавковый выключатель) отсутствует в перечне для данной модели.
Параметры рабочей точки
| Производительность, Q | 400 | м³/ч |
| Напор, Н | 10 | м |
| Потребляемая мощность в рабочей точке, Nпотр | 22 | кВт |
| КПД агрегата, η | 45 | % |
Характеристики насоса
| Вариант монтажа насоса | Мобильный погружной вертикальный |
| Условный диаметр напорного патрубка, Ду, мм | 200 |
| Тип рабочего колеса | двухканальное |
| Фактический диаметр рабочего колеса, мм | 348 |
| Рекомендуемая глубина погружения, м | не более 10 |
| Максимальный размер перекачиваемых частиц, мм | 90 |
| Тип уплотнения вала | торцовое |
| Материал вращающейся части и неподвижного кольца торцового уплотнения | карбид кремния |
| Материал рабочего колеса | чугун СЧ20 |
| Материал корпуса спирального | чугун СЧ20 |
Параметры электродвигателя
| Номинальная мощность, кВт | 30 |
| Напряжение, В | 380 |
| Частота тока, Гц | 50 |
| Номинальный ток, А | 57 |
| Число полюсов | 6 |
| Частота вращения, об/мин | 980 |
| Сos φ | 0,88 |
| КПД эл. двигателя | 90,8 |
| Соединение обмоток по схеме | ✻ |
| Класс нагревостойкости | F |
| Способ охлаждения электродвигателя | погружной электродвигатель без принудительного охлаждения |
| Способ защиты электродвигателя | влаго-термозащита; |
| Степень защиты электродвигателя | IP68; |
Кабель питания
| Длина встроенного электрического кабеля, м | 10 |
| Количество жил кабеля, шт. | 3+1+3 |
| Сечение жил, мм² | 25+10+2,5 |
| Изоляция кабеля | маслостойкая |
Исполнение шкафа защиты, поставляемого в комплекте с насосом: ручного управления (ШУ1-1.30.7-31)
Рабочие характеристики электронасоса серии «Иртыш» ПФ2 200/360.348-30/6

Ресурсы
| Средняя наработка на отказ, часов, не менее | 7000 |
| Средний ресурс до главного техобслуживания, часов, не менее | 20000 |
| Средний срок службы, лет, не менее | 20 |
| Масса насосного агрегата без шкафа управления, кг. | 700 |
Перечень необходимых защит при эксплуатации электронасосов серии «Иртыш».
Для обеспечения длительной безаварийной работы каждого электронасоса «Иртыш» необходимо реализовать нижеперечисленный перечень защит и функций управления:
- защиты по встроенным датчикам в электронасосе. Наличие и тип датчиков зависит от комплектации электронасоса (информация предоставляется заводом изготовителем по запросу);
- наличие в шкафу управления автоматического выключателя защиты электродвигателя, подобранного в соответствии с номинальным током двигателя;
- тепловую защиту двигателя;
- контроль порядка чередования фаз;
- контроль повышенного или пониженного напряжения на каждой фазе;
- контроль перегрузки по току;
- контроль перекоса тока по фазам;
- контроль отсутствия одной или более фаз питания;
- контроль сопротивления изоляции обмоток статора относительно корпуса насоса;
- защита от «сухого» хода.
Для работы электронасоса мощностью свыше 3кВт в автоматическом режиме необходимо обеспечить условия для плавного запуска и останова электродвигателя насоса при помощи устройств плавного пуска или частотного преобразователя для электронасоса, предназначенного под частотное регулирование.
Для выполнения пусконаладочных работ необходимо реализовать режим ручного управления электронасосами и другим оборудованием. Шкаф должен иметь органы управления режимами работы оборудования, кнопки «Пуск», «Стоп» и световую индикацию как минимум «Сеть», «Насос в работе», «Авария насоса».
Заказчик ознакомлен с перечнем обязательных защит и несет ответственность за выход насосов из работоспособного состояния по причине нереализованных защит, предусмотренных шкафами управления серии «Иртыш».
Для долгосрочной работы электронасосов серии «Иртыш» рекомендуется приобретение шкафов управления серии «Иртыш» и выполнение пусконаладочных работ специалистами ОДО «Предприятие «Взлет».







