- Описание
- Характеристики
- Видео
- Документация
Расшифровка обозначения
Насос НФ2 150/315.321-37/4-200:
Н - наружный электродвигатель;
Ф - гидравлическая часть насоса предназначена для перекачивания сточных вод;
2 - в насосе установлено двухканальное рабочее колесо;
150 - номинальный диаметр напорного патрубка, мм;
315 - номинальный диаметр рабочего колеса, мм;
321 - фактический диаметр рабочего колеса, мм;
17 - номинальная мощность электродвигателя, кВт;
4 - число полюсов электродвигателя;
2 - стационарный моноблочный горизонтальный монтаж насоса;
0 - без шкафа управления;
0 - без защиты.
Шкаф защиты и управления
Насос не укомплектован шкафом защиты серии Иртыш. В случае применения насоса без шкафа защиты или с каким - либо шкафом защиты (управления) не обеспечивающим защиту насоса в полном объёме предприятие не несет гарантийных обязательств за выход насосов из рабочего состояния по причине нереализованных защит, предусмотренных шкафами защиты (управления) Иртыш.
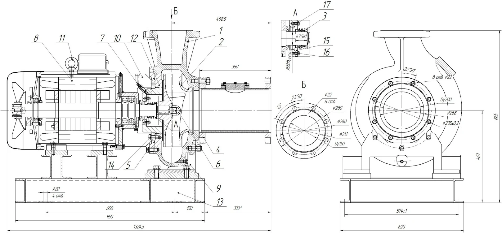
Общий вид и габаритные размеры электронасоса

Параметры рабочей точки
|
Производительность, Q |
330 |
м³/ч |
|
Напор, Н |
19 |
м |
|
Потребляемая мощность в рабочей точке, Nпотр |
32 |
кВт |
|
КПД агрегата, η |
50 |
% |
Характеристики насоса
|
Вариант монтажа насоса |
стационарный горизонтальный |
|
Условный диаметр напорного патрубка, Ду, мм |
150 |
|
Тип рабочего колеса |
двухканальное |
|
Фактический диаметр рабочего колеса, мм |
321 |
|
Максимальный размер перекачиваемых частиц, мм |
50 |
|
Тип уплотнения вала |
торцовое |
|
Материал вращающейся части и неподвижного кольца торцового уплотнения |
карбид кремния |
|
Материал рабочего колеса |
чугун СЧ20 |
|
Материал корпуса спирального |
чугун СЧ20 |
Параметры электродвигателя
|
Номинальная мощность, кВт |
37 |
|
Напряжение, В |
380 |
|
Частота тока, Гц |
50 |
|
Номинальный ток, А |
72 |
|
Число полюсов |
4 |
|
Частота вращения, об/мин |
1470 |
|
Сos φ |
0,85 |
|
КПД эл. двигателя |
90,5 |
|
Соединение обмоток по схеме |
☆ |
|
Класс нагревостойкости |
F |
|
Способ защиты электродвигателя |
влагозащита |
|
Степень защиты электродвигателя |
IP 54 |
|
Класс энергоэффективности |
ie1 |
|
Исполнение шкафа защиты, поставляемого в комплекте с насосом |
без шкафа управления и защиты |
Рабочие характеристики насоса

Ресурсы
|
Средняя наработка на отказ, часов, не менее |
7000 |
|
Средний ресурс до главного техобслуживания, часов, не менее |
20000 |
|
Средний срок службы, лет, не менее |
20 |
|
Масса, кг |
600 |








