- Описание
- Характеристики
- Видео
Расшифровка обозначения
Насос ПФ2 350/450.437-75/6-116
П - погружной электродвигатель без принудительного охлаждения;
Ф - гидравлическая часть насоса предназначена для перекачивания сточных вод;
2 - в насосе установлено двух - канальное рабочее колесо;
350 - номинальный диаметр напорного патрубка, мм;
450 - номинальный диаметр рабочего колеса, мм;
437 - фактический диаметр рабочего колеса, мм;
- без обозначения, стандартная длина кабеля 10 метров;
75 - номинальная мощность электродвигателя, кВт;
6 - число полюсов электродвигателя;
1 - монтаж на опускном устройстве;
1 - ручного управления;
6 - влаго - термозащита;
Шкаф защиты и управления
Насос укомплектован шкафом управления Иртыш ШУ1-1.75.6-31
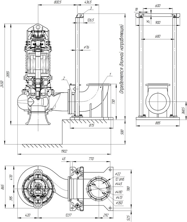
Габаритные размеры

Обозначения на чертеже
1. Патрубок погружной;
2. Насос с захватом;
3. Направляющие;
4. Кронштейн верхний
Параметры рабочей точки
|
Производительность, Q |
1004 |
м³/ч |
|
Напор, Н |
16,5 |
м |
|
Потребляемая мощность в рабочей точке, Nпотр |
66 |
кВт |
|
КПД агрегата, η |
64 |
% |
Характеристики насоса
|
Вариант монтажа насоса |
на опускном устройстве |
|
Условный диаметр напорного патрубка, Ду, мм |
350 |
|
Тип рабочего колеса |
двух - канальное |
|
Фактический диаметр рабочего колеса, мм |
437 |
|
Рекомендуемая глубина погружения, м |
не более 10 |
|
Максимальный размер перекачиваемых частиц, мм |
150 |
|
Тип уплотнения вала |
торцовое |
|
Материал вращающейся части и неподвижного кольца торцового уплотнения |
карбид кремния |
|
Материал рабочего колеса |
чугун СЧ20 |
|
Материал корпуса спирального |
чугун СЧ20 |
Параметры электродвигателя
|
Номинальная мощность, кВт |
75 |
|
Напряжение, В |
380/660 |
|
Частота тока, Гц |
50 |
|
Номинальный ток, А |
142/82 |
|
Число полюсов |
6 |
|
Частота вращения, об/мин |
990 |
|
Сos φ |
0,85 |
|
КПД эл. двигателя |
94,5 |
|
соединение обмоток по схеме |
D/звезда |
|
Класс нагревостойкости |
F |
|
Способ охлаждения электродвигателя |
погружной электродвигатель без принудительного охлаждения; |
|
Способ защиты электродвигателя |
влаго - термозащита; |
|
Степень защиты электродвигателя |
IP 68; |
|
Длина встроенного электрического кабеля, м |
10 |
|
Количество жил кабеля, шт. |
3+1+3 |
|
Сечение жил, мм² |
25+10+2,5 |
|
Изоляция кабеля |
маслостойкая |



Ресурсы
|
Средняя наработка на отказ |
не менее 7000 часов |
|
Средний ресурс до главного техобслуживания |
не менее 20000 часов |
|
Средний срок службы |
не менее 20 лет |
|
Масса насосного агрегата без шкафа управления |
2200 кг |







