- Описание
- Характеристики
- Видео
- Документация
Насос погружной фекальный серии «Иртыш» ПФ2 80/315.280-11/4-016
Расход от 62,5 до 155 м³/ч
Напор от 15 до 23 м.в.с.
Артикул (Код для заказа): уточняется при заказе оборудования
Внимание! Опускное устройство заказывается отдельно и имеет собственный артикул!
Расшифровка обозначения
Насос ПФ2 80/315.280-11/4-016
П - погружной электродвигатель без принудительного охлаждения;
Ф - гидравлическая часть насоса предназначена для перекачивания сточных вод;
2 - в насосе установлено двухканальное рабочее колесо;
80 - номинальный диаметр напорного патрубка, мм;
315 - номинальный диаметр рабочего колеса, мм;
280 - фактический диаметр рабочего колеса, мм;
(без обозначения) - стандартная длина кабеля 10 метров;
11 - номинальная мощность электродвигателя, кВт;
4 - число полюсов электродвигателя;
0 - мобильный погружной;
1 - ручного управления;
6 - влаго-термозащита;
Шкаф защиты и управления
НАСОС УКОМПЛЕКТОВАН ШКАФОМ УПРАВЛЕНИЯ ИРТЫШ ШУ1-1.11.6-31

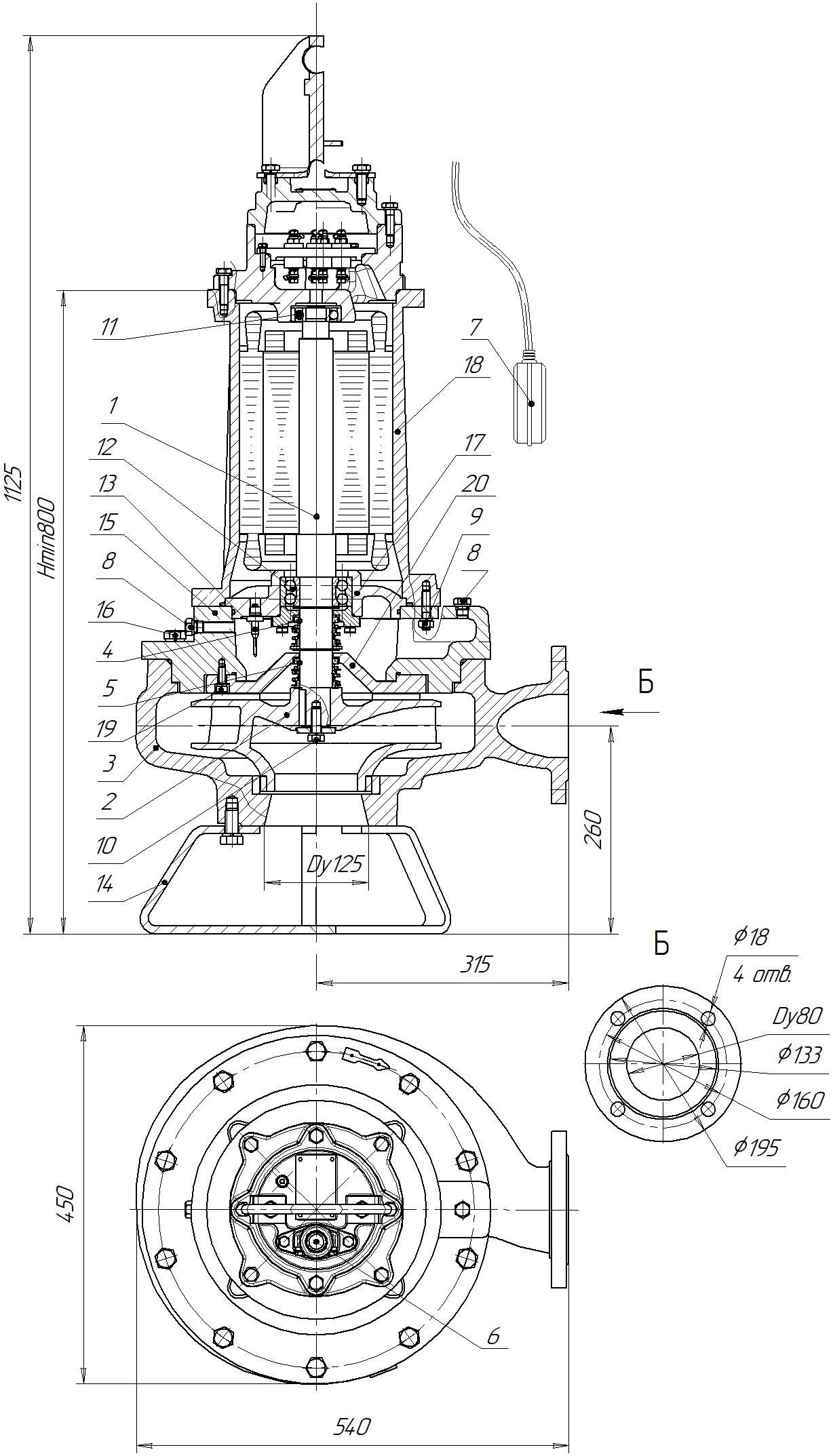
Общий вид и габаритные размеры электронасоса серии «Иртыш» ПФ2 80/315.280-11/4-016

Возможны технические изменения
Обозначения на чертеже
1. Электродвигатель;
2. Колесо рабочее;
3. Корпус спиральный;
4. Торцовое уплотнение;
5. Торцовое уплотнение;
6. Встроенный кабель(-ли);
7. Поплавковый выключатель;
8. Пробка масляной камеры;
9. Метизы крепления корпуса камеры к корпусу электродвигателя;
10. Метизы крепления колеса рабочего;
11. Подшипник;
12. Подшипник;
13. Датчик влажности;
14. Подставка;
15. Корпус камеры;
16. Метизы крепления корпуса камеры к корпусу спиральному;
17. Стакан подшипника;
18. Корпус электродвигателя;
19. Метизы крепления крышки камеры к корпусу камеры;
20. Крышка камеры.
Параметры рабочей точки
|
Производительность, Q |
80 м³/ч |
|
Напор, Н |
22 м |
|
Потребляемая мощность в рабочей точке, Nпотр |
8,1 кВт |
|
КПД агрегата, η |
54% |
Характеристики насоса
|
Вариант монтажа насоса |
на опускном устройстве |
|
Условный диаметр напорного патрубка, Ду, мм |
80 |
|
Тип рабочего колеса |
двухканальное |
|
Фактический диаметр рабочего колеса, мм |
280 |
|
Рекомендуемая глубина погружения, м |
не более 10 |
|
Максимальный размер перекачиваемых частиц, мм |
35 |
|
Тип уплотнения вала |
торцовое |
|
Материал вращающейся части и неподвижного кольца торцового уплотнения |
карбид кремния |
|
Материал рабочего колеса |
чугун СЧ20 |
|
Материал корпуса спирального |
чугун СЧ20 |
Параметры электродвигателя
|
Номинальная мощность, кВт |
11 |
|
Напряжение, В |
380 |
|
Частота тока, Гц |
50 |
|
Номинальный ток, А |
22,9 |
|
Число полюсов |
4 |
|
Частота вращения, об/мин |
1440 |
|
Сos φ |
0,83 |
|
КПД эл. двигателя |
82% |
|
Соединение обмоток по схеме |
Δ (треугольник) |
|
Класс нагревостойкости |
F |
|
Способ охлаждения электродвигателя |
погружной электродвигатель без принудительного охлаждения |
|
Способ защиты электродвигателя |
влаго-термозащита |
|
Степень защиты электродвигателя |
IP 68 |
|
Длина встроенного электрического кабеля, м |
10 |
|
Количество жил кабеля, шт. |
7 |
|
Сечение жил, мм² |
2,5 |
|
Изоляция кабеля |
маслостойкая |
|
Исполнение шкафа защиты, поставляемого в комплекте с насосом |
ручного управления |
Рабочие характеристики насоса серии «Иртыш» ПФ2 80/315.280-11/4

Ресурсы
|
Средняя наработка на отказ, часов, не менее |
7000 |
|
Средний ресурс до главного техобслуживания, часов, не менее |
20000 |
|
Средний срок службы, лет, не менее |
20 |
|
Масса насосного агрегата без шкафа управления, кг |
250 |
Перечень необходимых защит при эксплуатации электронасосов серии «Иртыш»
Для обеспечения длительной безаварийной работы каждого насоса «Иртыш» необходимо реализовать нижеперечисленный перечень защит и функций управления:
- защиты по встроенным датчикам в насосе. Наличие и тип датчиков зависит от комплектации насоса (информация предоставляется заводом изготовителем по запросу);
- наличие в шкафу управления автоматического выключателя защиты электродвигателя, подобранного в соответствии с номинальным током двигателя;
- тепловую защиту двигателя;
- контроль порядка чередования фаз;
- контроль повышенного или пониженного напряжения на каждой фазе;
- контроль перегрузки по току;
- контроль перекоса тока по фазам;
- контроль отсутствия одной или более фаз питания;
- контроль сопротивления изоляции обмоток статора относительно корпуса насоса;
- защита от «сухого» хода.
Для работы электронасоса мощностью свыше 3кВт в автоматическом режиме необходимо обеспечить условия для плавного запуска и останова электродвигателя насоса при помощи устройств плавного пуска или частотного преобразователя для электронасоса, предназначенного под частотное регулирование.
Для выполнения пусконаладочных работ необходимо реализовать режим ручного управления насосами и другим оборудованием. Шкаф должен иметь органы управления режимами работы оборудования, кнопки «Пуск», «Стоп» и световую индикацию как минимум «Сеть», «Насос в работе», «Авария насоса».
Заказчик ознакомлен с перечнем обязательных защит и несет ответственность за выход насосов из работоспособного состояния по причине нереализованных защит, предусмотренных шкафами управления серии «Иртыш».
Для долгосрочной работы насосов серии «Иртыш» рекомендуется приобретение шкафов управления серии «Иртыш» и выполнение пусконаладочных работ специалистами ОДО «Предприятие «Взлет».







