- Описание
- Характеристики
- Видео
Электронасос погружной фекальный серии «Иртыш» типа РФ2 200/360.317-18,5/6-216
Расход от 220 до 520 м³/ч
Напор от 6 до 10 м.в.с.
Артикул (Код для заказа): уточняется при заказе оборудования
Электронасос укомплектован шкафом управления Иртыш ШУ1-1.15.7-31
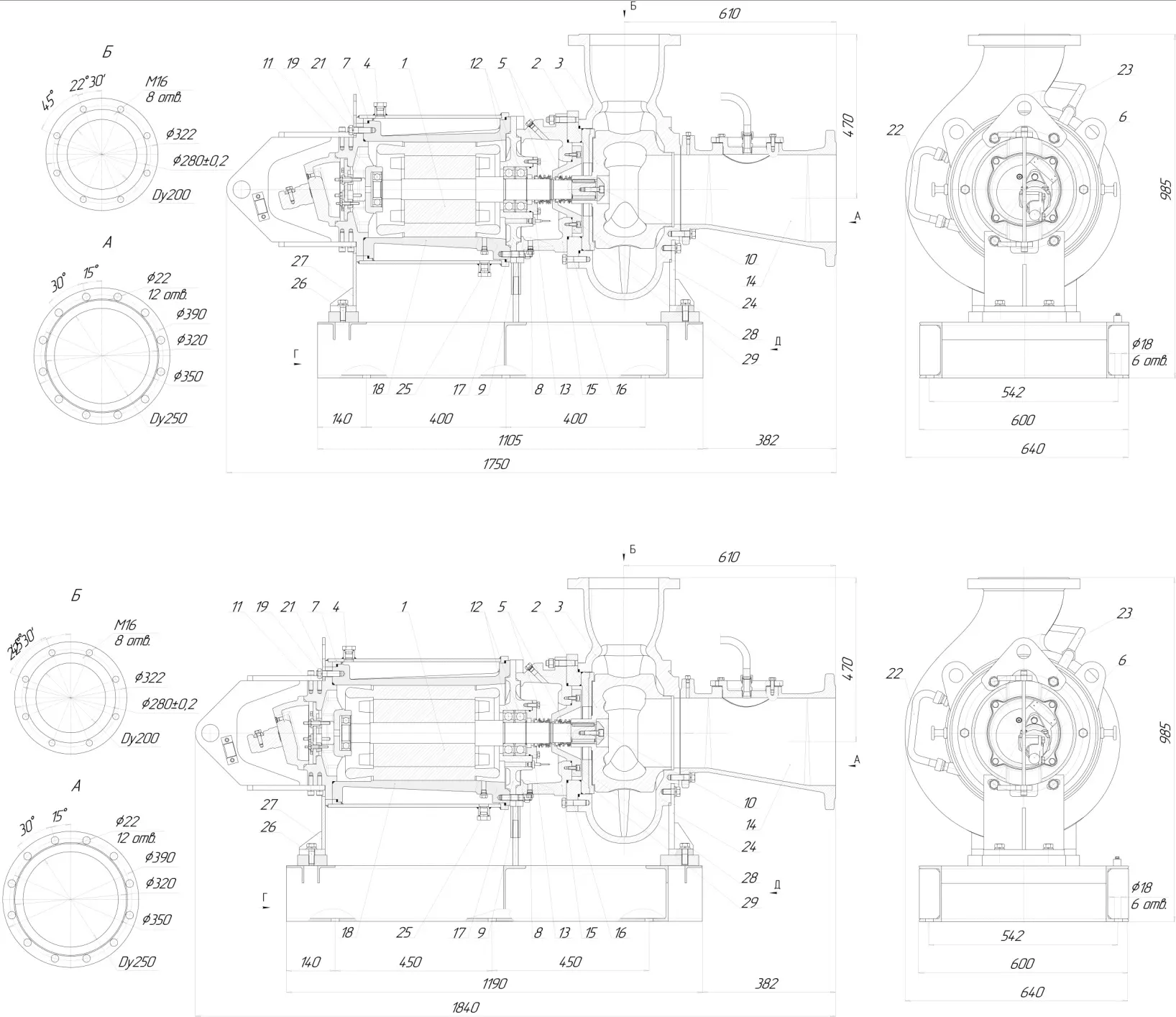
Общий вид и габаритные размеры электронасоса серии «Иртыш» РФ2 200/360.317-18,5/6-216

1. Электродвигатель; 2. Колесо рабочее; 3. Корпус спиральный; 4. Пробка для удаления воздуха из рубашки охлаждения; 5. Торцовое уплотнение; 6. Встроенный кабель; 7. Рубашка охлаждения; 8. Пробка масляной камеры для заливки и слива масла; 9. Метизы крепления корпуса камеры и стакана подшипника к корпусу электродвигателя; 10. Метизы крепления колеса рабочего; 11. Подшипник; 12. Подшипник; 13. Датчик влажности; 14. Патрубок входной; 15. Корпус камеры; 16. Метизы крепления корпуса камеры к корпусу спиральному; 17. Стакан подшипника; 18. Корпус электродвигателя; 19. Метизы крепления опоры подшипника к корпусу электродвигателя; 21. Строповочная проушина; 22. Трубопровод подвода охлаждающей жидкости; 23. Трубопровод отвода охлаждающей жидкости; 24. Лапа передняя; 25. Пробка для слива охлаждающей жидкости из рубашки охлаждения; 26. Метизы крепления задней лапы к раме; 27. Лапа задняя; 28. Метизы крепления крышки камеры к корпусу камеры; 29. Крышка камеры.
Возможны технические изменения
Расшифровка обозначения
Насос РФ2 200/360.317-18,5/6-216:
Р - погружной электродвигатель с принудительным охлаждением;
Ф - гидравлическая часть насоса предназначена для перекачивания сточных вод;
2 - в насосе установлено двухканальное рабочее колесо;
200 - номинальный диаметр напорного патрубка, мм;
360 - номинальный диаметр рабочего колеса, мм;
317 - фактический диаметр рабочего колеса, мм;
- без обозначения, стандартная длина кабеля 10 метров;
18,5 - номинальная мощность электродвигателя, кВт;
6 - число полюсов электродвигателя;
2 - стационарный моноблочный горизонтальный;
1 - ручного управления;
6 - влаго - термозащита
Параметры рабочей точки
| Производительность, Q | 360 | м³/ч |
| Напор, Н | 8 | м |
| Потребляемая мощность в рабочей точке, Nпотр | 14,8 | кВт |
| КПД агрегата, η | 49 | % |
Характеристики насоса
| Вариант монтажа насоса | стационарный моноблочный горизонтальный |
| Условный диаметр напорного патрубка, Ду, мм | 200 |
| Тип рабочего колеса | двухканальное |
| Фактический диаметр рабочего колеса, мм | 317 |
| Рекомендуемая глубина погружения, м | не более 10 |
| Максимальный размер перекачиваемых частиц, мм | 90 |
| Тип уплотнения вала | торцовое |
| Материал вращающейся части и неподвижного кольца торцового уплотнения | карбид кремния |
| Материал рабочего колеса | чугун СЧ20 |
| Материал корпуса спирального | чугун СЧ20 |
Параметры электродвигателя
| Номинальная мощность, кВт | 18,5 |
| Напряжение, В | 380 |
| Частота тока, Гц | 50 |
| Номинальный ток, А | 37,4 |
| Число полюсов | 6 |
| Частота вращения, об/мин | 980 |
| Сos φ | 0,84 |
| КПД эл. двигателя | 89,5 |
| Соединение обмоток по схеме | |
| Класс нагревостойкости | F |
| Способ охлаждения электродвигателя | погружной электродвигатель с принудительным охлаждением |
| Способ защиты электродвигателя | влаго - термозащита |
| Степень защиты электродвигателя | IP 68 |
| Длина встроенного электрического кабеля, м | 10 |
| Количество жил кабеля, шт. | 3+1+3 |
| Сечение жил, мм² | 25+10+2,5 |
| Изоляция кабеля | маслостойкая |
| Исполнение шкафа защиты, поставляемого в комплекте с насосом | ручного управления |

Ресурсы
| Средняя наработка на отказ, часов, не менее | 7000 |
| Средний ресурс до главного техобслуживания, часов, не менее | 20000 |
| Средний срок службы, лет, не менее | 20 |
| Масса насосного агрегата без шкафа управления, кг. | 810 |
Перечень необходимых защит при эксплуатации электронасосов серии «Иртыш»
Для обеспечения длительной безаварийной работы каждого электронасоса «Иртыш» необходимо реализовать нижеперечисленный перечень защит и функций управления:
- защиты по встроенным датчикам в электронасосе. Наличие и тип датчиков зависит от комплектации электронасоса (информация предоставляется заводом изготовителем по запросу);
- наличие в шкафу управления автоматического выключателя защиты электродвигателя, подобранного в соответствии с номинальным током двигателя;
- тепловую защиту двигателя;
- контроль порядка чередования фаз;
- контроль повышенного или пониженного напряжения на каждой фазе;
- контроль перегрузки по току;
- контроль перекоса тока по фазам;
- контроль отсутствия одной или более фаз питания;
- контроль сопротивления изоляции обмоток статора относительно корпуса насоса;
- защита от «сухого» хода.
Для работы электронасоса мощностью свыше 3кВт в автоматическом режиме необходимо обеспечить условия для плавного запуска и останова электродвигателя насоса при помощи устройств плавного пуска или частотного преобразователя для электронасоса, предназначенного под частотное регулирование.
Для выполнения пусконаладочных работ необходимо реализовать режим ручного управления электронасосами и другим оборудованием. Шкаф должен иметь органы управления режимами работы оборудования, кнопки «Пуск», «Стоп» и световую индикацию как минимум «Сеть», «Насос в работе», «Авария насоса».
Заказчик ознакомлен с перечнем обязательных защит и несет ответственность за выход насосов из работоспособного состояния по причине нереализованных защит, предусмотренных шкафами управления серии «Иртыш».
Для долгосрочной работы электронасосов серии «Иртыш» рекомендуется приобретение шкафов управления серии «Иртыш» и выполнение пусконаладочных работ специалистами ОДО «Предприятие «Взлет».







