- Описание
- Характеристики
- Документация
Расшифровка обозначения
Электронасос погружной песковый серии «Иртыш» типа ППс 40/200.198.И-4/4Ех-006:
П - погружной электродвигатель без принудительного охлаждения;
П - гидравлическая часть насоса предназначена для перекачивания песчаных и других абразивных гидросмесей;
с - в насосе установлено вихревое рабочее колесо;
40 - номинальный диаметр напорного патрубка, мм;
200 - номинальный диаметр рабочего колеса, мм;
198 - фактический диаметр рабочего колеса, мм;
И - материал рабочей части износостойкий чугун;
- без обозначения, стандартная длина кабеля 10 метров;
4 - номинальная мощность электродвигателя, кВт;
4 - число полюсов электродвигателя;
0 – мобильный погружной вертикальный;
0 - без шкафа защиты и управления;
6 - влаго-термозащита;
Условия гарантии и шкафы управления
На насос без шкафа управления предоставляется гарантия 12 месяцев.
Гарантийный срок 24 месяца предоставляется на насосы Иртыш, укомплектованные шкафами управления Иртыш.
Шкаф управления Иртыш контролирует работу насоса по датчикам, установленным в основных узлах насоса Иртыш, и обеспечивает необходимую защиту электрической части, что гарантирует длительную и безаварийную работу насоса.
Для работы в автоматическом режиме насос или группу насосов мощностью более 3 кВт необходимо подключать через плавный пуск или частотный регулятор.
Для эксплуатации насоса в автоматическом режиме рекомендуем взамен данного насоса применить однонасосный комплект (насос и шкаф управления) Иртыш ППс 40/200.198.И-4/4Ех-036.
Для эксплуатации насоса в ручном режиме рекомендуем взамен данного насоса применить однонасосный комплект (насос и шкаф управления) Иртыш ППс 40/200.198.И-4/4Ех-016.
Назначение
Электронасосы серии «Иртыш» типа ППс исполнения Ех (взрывозащищенного исполнения) с маркировкой 1Ex d IIB T4 Gb X являются электрооборудованием группы IIВ с уровнем взрывозащиты Gb и видом взрывозащиты «взрывонепроницаемая оболочка «d». Предназначены для применения в местах (кроме подземных выработок шахт и их наземных строений) опасных по взрывоопасной среде этилена и пропана, температура воспламенения которых более 135°С, а также для перекачивания продуктов обогащения руд и глиноземного производства, песчаных и других абразивных гидросмесей с водородным показателем рН 6,0…8,0, рекомендуемой плотностью до 1300 кг/м³, с концентрацией твердых включений до 25%, максимальными размерами до 2 мм (для колеса из резины), до 6 мм (для колеса из износостойкого чугуна).
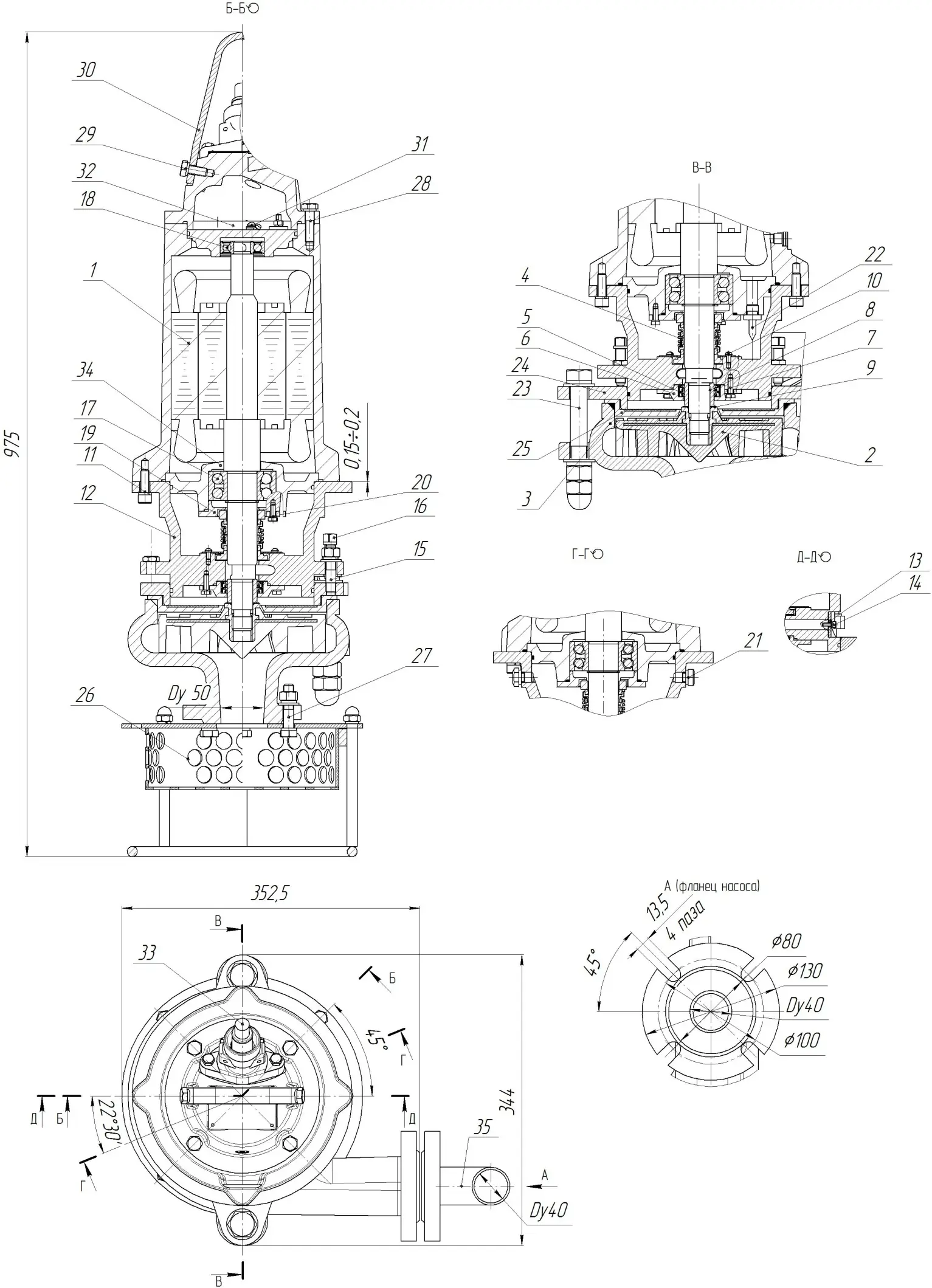
Габаритные размеры

Обозначения на чертеже
1. Электродвигатель; 2. Колесо рабочее; 3. Корпус спиральный; 4. Торцовое уплотнение; 5. Манжеты; 6. Крышка корпуса камеры; 7. Метизы крепления корпуса камеры; 8. Втулка защитная; 9. Прокладка; 10. Метизы крепления СТУ; 11. Метизы крепления корпуса камеры к корпусу электродвигателя; 12. Корпус камеры; 13. Лючок корпуса камеры; 14. Метизы крепления лючка корпуса камеры; 15. Метизы крепления корпуса камеры к фланцу; 16. Регулировочный винт; 17. Подшипник; 18. Подшипник; 19. Крышка стакана подшипника; 20. Метизы крепления крышки подшипника к стакану подшипника; 21. Пробка для замены масла и контроля масла; 22. Датчик влажности; 23. Метизы крепления корпуса спирального к фланцу; 24. Фланец; 25. Диск футировочный; 26. Фильтр подставка; 27. Метизы крепления фильтра подставки к фланцу; 28. Метизы крепления крышки верхней к корпусу электродвигателя; 29. Метизы крепления ручки насоса; 30. Ручка; 31. Метизы крепления блока зажимов к корпусу электродвигателя; 32. Блок зажимов; 33. Встроенный кабель; 35. Патрубок выходной Dy-40 «Ерш».
Параметры рабочей точки
| Производительность, Q | 20 м³/ч |
| Напор, Н | 8 м |
| Потребляемая мощность в рабочей точке, Nпотр | 2,2 кВт |
| КПД агрегата, η | 17 % |
Характеристики насоса
| Вариант монтажа насоса | мобильный погружной вертикальный |
| Условный диаметр напорного патрубка | 40 Ду, мм |
| Тип рабочего колеса | вихревое |
| Фактический диаметр рабочего колеса | 198 мм |
| Рекомендуемая глубина погружения | не более 10 м |
| Тип уплотнения вала | торцовое сдвоенное |
| Материал вращающейся части и неподвижного кольца торцового уплотнения | карбид кремния - карбид кремния; карбид кремния - карбид керамики; |
| Материал рабочего колеса | износостойкий чугун ИЧХ28Н2 |
| Материал корпуса спирального | износостойкий чугун ИЧХ28Н2 |
| Материал корпуса электродвигателя | чугун СЧ 20 |
Спецификация быстроизнашивающихся деталей
| Наименование | Марка материала | Масса, кг |
| Колесо рабочее | Износостойкий чугун ИЧХ28Н2 | 4,0 |
| Диск футеровочный | Резина | 0,7 |
| Корпус спиральный | Износостойкий чугун ИЧХ28Н2 | 18 |
Параметры электродвигателя
| Номинальная мощность | 4 кВт |
| Напряжение | 380 В |
| Частота тока | 50 Гц |
| Номинальный ток | 9 А |
| Число полюсов | 4 |
| Частота вращения | 1410 об/мин |
| Сos φ | 0,81 |
| КПД эл. двигателя | 83 % |
| Соединение обмоток по схеме | звезда |
| Класс нагревостойкости | F |
| Способ охлаждения электродвигателя | погружной электродвигатель без принудительного охлаждения |
| Способ защиты электродвигателя | влаго-термозащита |
| Степень защиты электродвигателя | IP 68 |
| Длина встроенного электрического кабеля | 10 м |
| Количество жил кабеля | 7 шт. |
| Сечение жил | 1,5 мм² |
| Изоляция кабеля | маслостойкая |
Гарантийная наработка быстроизнашивающихся деталей
| Наименование перекачиваемой среды | Примерная наработка, ч |
| Глинисто – песчаные породы | 2000 |
| Крупнозернистые пески | 1800 |
| Песчано-гравийные породы | 1500 |
| Хвосты руд цветных металлов (кварцевые, пиритные, цинковые) | 1500 |
| Хвосты руд черных металлов и зольные пульпы | 1300 |
| Гравий и дробленые породы, золошлаковые и шлаковые пульпы | 960 |

Ресурсы
| Средняя наработка на отказ | не менее 7000 часов |
| Средний ресурс до главного техобслуживания | не менее 20000 часов |
| Средний срок службы | не менее 20 лет |
| Масса насосного агрегата без шкафа управления | 110 кг |
Перечень необходимых защит
Для обеспечения длительной безаварийной работы насоса «Иртыш» шкаф управления должен обеспечивать:
- защиту по встроенным датчикам в насосе (влаго-термозащита);
- тепловую защиту двигателя;
- контроль порядка чередования фаз;
- контроль повышенного/пониженного напряжения;
- контроль перегрузки по току и перекоса фаз;
- контроль наличия фаз питания;
- защиту от «сухого» хода.
Для работы электронасоса мощностью свыше 3кВт в автоматическом режиме необходимо обеспечить условия для плавного запуска и останова. Заказчик несет ответственность за выход насосов из строя из-за нереализованных защит. Рекомендуется приобретение шкафов управления серии «Иртыш».







