- Описание
- Характеристики
- Видео
Расшифровка обозначения
Погружная мешалка серии «Иртыш» ПМ2 215-2,2/4-116:
П – погружной электродвигатель без принудительного охлаждения;
М – мешалка;
2 – двухлопастной винт;
215 – номинальный диаметр винта;
2,2 – номинальная мощность электродвигателя, кВт;
4 – число полюсов электродвигателя;
1 – стационарная погружная (под опускное устройство);
1 – ручного управления;
6 – влаго - термозащита двигателя;
Технические характеристики
|
Вариант монтажа мешалки |
на опускном устройстве |
|
Тип винта |
двухлопастной |
|
Номинальный диаметр винта, мм |
215 |
|
Тип уплотнения вала |
Торцовое |
|
Допустимые углы поворота в горизонтальной плоскости |
±60° |
|
Материал пропеллера |
Алюминиевый сплав |
Ресурсы
|
Средняя наработка на отказ, часов, не менее |
7000 |
|
Средний ресурс до главного техобслуживания, часов, не менее |
20000 |
|
Средний срок службы, лет, не менее |
20 |
|
Расчетная масса, кг |
48 |
|
Расчетная масса опускного устройства при длине направляющих 6 метров (масса 1 метра направляющей – 2 кг), кг |
30 |
|
Расчетная масса грузоподъемного устройства, кг |
30 |
|
Гарантийный срок 24 месяца с момента отгрузки, но не более 18 месяцев с момента ввода в эксплуатацию при комплектной поставке электронасоса со шкафом управления серии «Иртыш». |
|
Характеристики электрооборудования
Мешалка укомплектована шкафом управления серии «Иртыш» ШУ1-1.2,2.6-31
|
Исполнение электродвигателя |
погружной |
|
Номинальная мощность, кВт |
2,2 |
|
Напряжение, В |
380 |
|
Номинальный ток, А |
5,78 |
|
Частота тока, Гц |
50 |
|
Число полюсов |
4 |
|
Частота вращения, об/мин (винта/пропеллера) |
1395 |
|
Соединение обмоток по схеме |
☆ |
|
Способ охлаждения электродвигателя |
погружной без принудительного охлаждения |
|
Способ защиты электродвигателя |
влаго - термозащита |
|
Степень защиты электродвигателя |
IP 68 |
|
Длина встроенного электрического кабеля, м |
10 |
|
Количество жил кабеля, шт. |
7 |
|
Сечение жил, мм² |
1,5 |
|
Изоляция кабеля |
маслостойкая |
Шкаф управления Иртыш ШУ1-1.2,2.6-31
|
Габарит, мм |
400 х 310 х 150 |
|
Масса, кг |
7,5 |
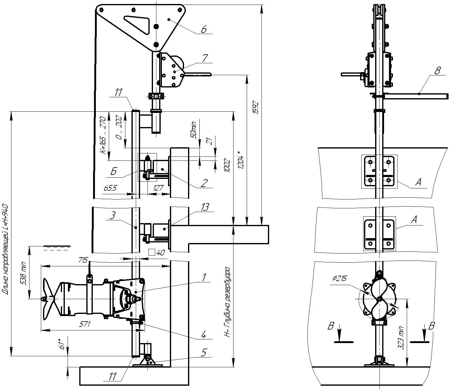
Общий вид и габариты мешалки серии «Иртыш» ПМ2 215-2,2/4-116 
Возможны технические изменения.
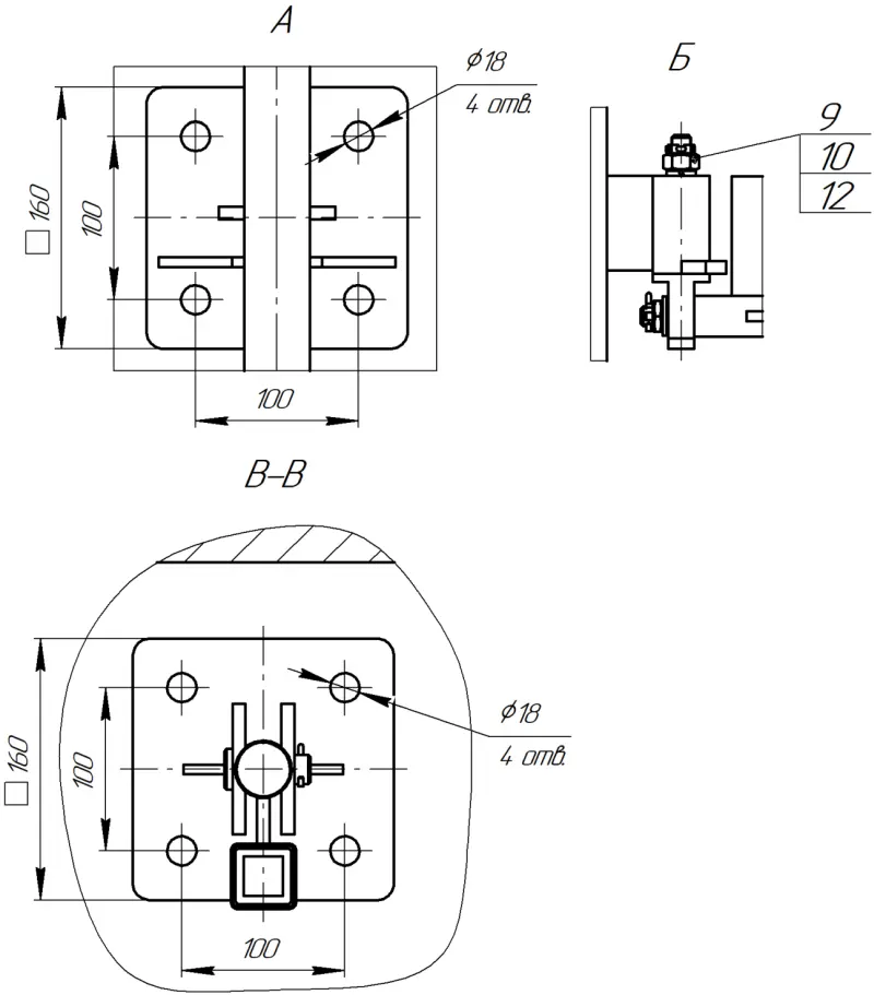
Углы установки мешалки серии «Иртыш»
ПМ2 215-2,2/4-116 в горизонтальной плоскости 
Возможны технические изменения.
1. Мешалка;
2. Опора направляющей;
3. Направляющая;
4. Упор;
5. Нижняя опора направляющей;
9. Гайка;
10. Шплинт;
11. Заглушка 40х40;
12. Шайба;
13. Промежуточный кронштейн (при длине направляющих более 6-ти метров).

Возможны технические изменения.
Назначение и характеристики мешалки «Иртыш» типа ПМ
Мешалка серии «Иртыш» типа ПМ предназначена для перемешивания бытовых и промышленных загрязнённых жидкостей (фекальных, сточных вод, промышленных отходов и т. д.) с водородным показателем рН = 6,0…9,0, плотностью до 1100 кг/м³, температурой от 274 до 323 К (от +1 °С до 50 °С), с содержанием различных неабразивных взвешенных частиц, включая коротковолокнистые, концентрацией до 2% по массе, абразивных взвешенных частиц не более 1% по объёму размером до 5 мм и микротвердостью до 9000 МПа.
Перечень необходимых защит при эксплуатации мешалки серии «Иртыш»
Для обеспечения длительной безаварийной работы мешалки «Иртыш» необходимо реализовать нижеперечисленный перечень защит и функций управления:
- защиты по встроенным датчикам в мешалке. Наличие и тип датчиков зависит от комплектации мешалки, информация предоставляется заводом-изготовителем по запросу;
- наличие в шкафу управления автоматического выключателя защиты электродвигателя, подобранного в соответствии с номинальным током двигателя;
- тепловую защиту двигателя;
- контроль порядка чередования фаз;
- контроль повышенного или пониженного напряжения на каждой фазе;
- контроль перегрузки по току;
- контроль перекоса тока по фазам;
- контроль отсутствия одной или более фаз питания;
- контроль сопротивления изоляции обмоток статора относительно корпуса мешалки;
- защита от «сухого» хода.
Рекомендации по эксплуатации и управлению
Для работы мешалки мощностью свыше 3 кВт необходимо обеспечить условия для плавного запуска и останова электродвигателя мешалки при помощи устройств плавного пуска или частотного преобразователя для электронасоса, предназначенного под частотное регулирование.
Для выполнения пусконаладочных работ необходимо реализовать режим ручного управления мешалки и другим оборудованием. Шкаф должен иметь органы управления режимами работы оборудования, кнопки «Пуск», «Стоп» и световую индикацию как минимум: «Сеть», «Мешалка в работе», «Авария мешалки».
Заказчик ознакомлен с перечнем обязательных защит и несет ответственность за выход мешалки из работоспособного состояния по причине нереализованных защит, предусмотренных шкафами управления серии «Иртыш».
Для долгосрочной и безаварийной работы мешалки серии «Иртыш» рекомендуется приобретение шкафов управления серии «Иртыш» и выполнение пусконаладочных работ специалистами ОДО «Предприятие «Взлет».
Для выполнения вашего заказа необходимо сообщить нам размеры «L» и «К».
Мешалки погружные серии «Иртыш» ПМ2 изготавливает ОДО «Предприятие «Взлет».






