- Описание
- Характеристики
- Видео
- Документация
Расшифровка обозначения
Расшифровка обозначения ПМ2 330-2,2/8-116:
П – погружной электродвигатель без принудительного охлаждения;
М – мешалка;
2 – двухлопастной винт;
330 – номинальный диаметр винта;
2,2 – номинальная мощность электродвигателя, кВт;
8 – число полюсов электродвигателя;
1 – стационарная погружная (под опускное устройство);
1 – ручного управления;
6 – влаго - термозащита двигателя;
Технические характеристики
|
Вариант монтажа мешалки |
на опускном устройстве |
|
Тип винта |
двухлопастной |
|
Номинальный диаметр винта, мм |
330 |
|
Тип уплотнения вала |
Торцовое |
|
Допустимые углы поворота в горизонтальной плоскости |
±80° |
|
Материал пропеллера |
Алюминиевый сплав |
|
Тяга, Н |
- |
Ресурсы
|
Средняя наработка на отказ, часов, не менее |
7000 |
|
Средний ресурс до главного техобслуживания, часов, не менее |
20000 |
|
Средний срок службы, лет, не менее |
20 |
|
Масса, кг |
120 |
|
Расчетная масса одного метра направляющей, кг |
5,5 |
|
Расчетная масса опускного устройства с направляющей длиной 6 метров, кг |
75 |
|
Срок гарантии - 12 месяцев с даты отгрузки |
|
Характеристики электрооборудования
|
Исполнение электродвигателя |
погружной |
|
Расход, м³/ч |
- |
|
Номинальная мощность, кВт |
2,2 |
|
Напряжение, В |
380 |
|
Номинальный ток, А |
7,15 |
|
Частота тока, Гц |
50 |
|
Число полюсов |
8 |
|
Частота вращения, об/мин |
705 |
|
Соединение обмоток по схеме |
☆ |
|
Способ охлаждения электродвигателя |
погружной без принудительного охлаждения |
|
Способ защиты электродвигателя |
влаго - термозащита |
|
Степень защиты электродвигателя |
IP 68 |
|
Длина встроенного электрического кабеля, м |
10 |
|
Количество жил кабеля, шт. |
7 |
|
Сечение жил, мм² |
2,5 |
|
Изоляция кабеля |
маслостойкая |

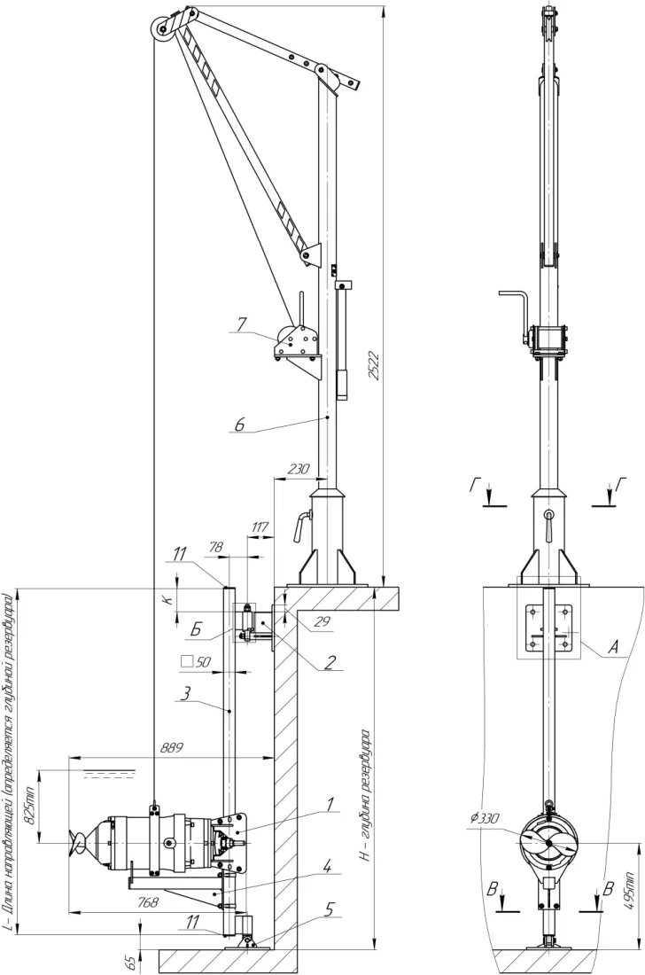
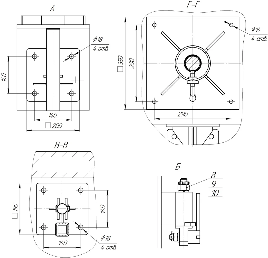
Рис. 1 Общий вид и габариты электромешалки "Иртыш" ПМ2 330-2,2/8-116
1. Мешалка;
2. и 13. Верхняя опора направляющей;
3. Направляющая;
4. Упор;
5. Нижняя опора направляющей;
6. Грузоподъемный механизм;
7. Лебедка;
8. Рукоятка;
9. Гайка;
10. Шплинт;
11. Заглушка 50х50;
12. Шайба;

Углы установки электромешалки "Иртыш"
ПМ2 330-2,2/8-116 в горизонтальной плоскости
Для выполнения вашего заказа необходимо сообщить нам размеры «L» и «К».
Погружные мешалки Иртыш ПМ2 изготавливает Предприятие "Взлет".
Иртыш ПМ2 230-2,2/4-116
Иртыш ПМ2 230-3/4-116
Иртыш ПМ2 240-1,5/6-116
Иртыш ПМ2 240-4/4-116
Иртыш ПМ2 250-1,1/6-116
Иртыш ПМ2 250-1,5/8-116
Иртыш ПМ2 250-2,2/6-116
Иртыш ПМ2 250-5,5/4-116
Иртыш ПМ2 300-4/6-116
Иртыш ПМ2 300-11/4-116
Иртыш ПМ2 330-5,5/6-116
Иртыш ПМ2 330-18,5/4-116





