- Описание
- Характеристики
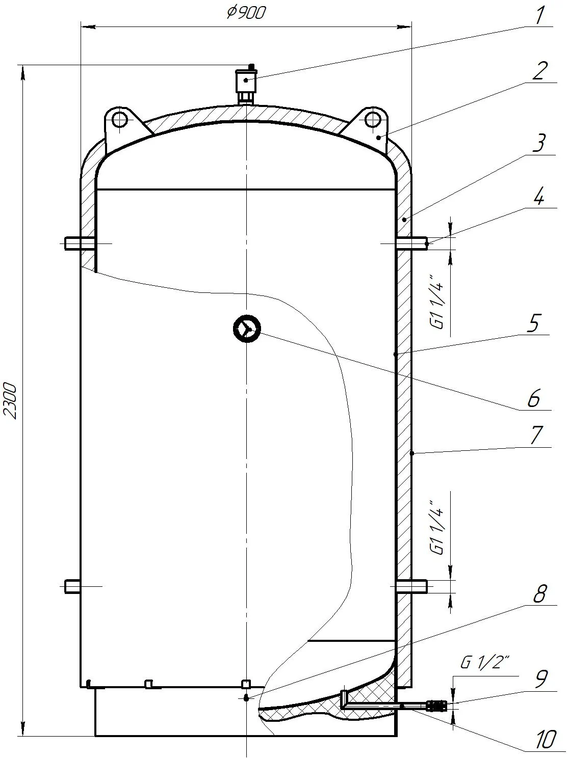
Теплоаккумулятор ВЭТ-1000
Характеристики ВЭТ-1000:
- Объем 1000л.
- Патрубки входы/выхода 4шт. - Ду32
- Вес 200кг
- Высота / Диаметр 2300/900мм
- Толщина теплоизоляции 50мм

В стандартный комплект поставки теплоаккумулятора ВЭТ-1000 входят:
- Воздухоотводчик,
- Проушина для подъема,
- Теплоизоляция толщиной 50мм,
- Патрубки входа/выхода Ду32
- Бак из нержавеющей стали AISI304,
- Термоманометр 80мм ТМТБ-31Т
- Съемный чехол (кожзам),
- Болт заземления М6,
- Патрубок слива
- Шаровый кран Ду15.
Преимущества жидкостных теплоаккумуляторов:
- Высокая энергоэффективность благодаря большой теплоёмкости воды.
- Возможность комбинирования с различными источниками тепла.
- Простота монтажа и эксплуатации.
Теплоаккумулятор ВЭТ, также известный как буферная емкость, представляет собой специальное устройство, предназначенное для накопления тепловой энергии, образующейся в процессе работы отопительной системы, и последующего её постепенного распределения по мере необходимости. Такое решение помогает оптимизировать использование тепла, повысить эффективность отопительной системы и снизить затраты на топливо.
Принцип работы теплоаккумулятора ВЭТ-1000
Принцип работы теплоаккумулятора основан на способности материалов сохранять значительное количество тепловой энергии. Обычно это реализуется следующим образом:
- Накопление тепла: Когда источник тепла производит избыточную энергию (например, при интенсивном горении топлива в твердотопливном котле), эта энергия сохраняется внутри теплоаккумулятора.
- Отдача тепла: По мере снижения потребности в тепле, накопленная энергия постепенно возвращается обратно в систему отопления, поддерживая комфортную температуру помещений.
Таким образом, теплоаккумулятор сглаживает неравномерность выработки тепла и обеспечивает стабильную подачу тепла в помещение независимо от интенсивности работы теплогенератора.
Жидкостные теплоаккумуляторы ВЭТ-1000
Это наиболее распространённый тип теплоаккумуляторов, представляющий собой большие резервуары, заполненные водой. Вода обладает отличной способностью удерживать большое количество тепла, обеспечивая эффективное хранение энергии. Такие устройства часто используются совместно с твердо- и жидко-топливными котлами, электрическими обогревателями и солнечными коллекторами.
Применение теплоаккумуляторов
Наиболее эффективно теплоаккумуляторы применяются в системах отопления с использованием твердотопливных котлов. Вот основные преимущества такого подхода:
- Повышение эффективности: Благодаря возможности накопления тепла, теплоаккумулятор снижает потребность в частых перезагрузках топлива, уменьшая расход топлива и увеличивая срок службы оборудования.
- Безопасность: Предотвращает перегрев системы отопления и защищает оборудование от аварийных ситуаций.
- Экономия энергоресурсов: Особенно актуально при использовании электрических тарифов с понижением стоимости ночной электроэнергии.
- Комфорт: Обеспечивает равномерное распределение температуры в помещениях, исключая резкие колебания температуры.
Как выбрать подходящий теплоаккумулятор?
Выбор теплоаккумулятора должен учитывать ряд важных факторов:
- Объём: Чем больше объём аккумулятора, тем большее количество тепла он способен хранить. Однако слишком большой объём замедлит процесс обогрева помещения.
- Материал корпуса: Корпус из нержавеющей стали предпочтительнее стальных аналогов, так как нержавеющая сталь лучше выдерживает коррозию при высоких температурах и давлении.
- Изоляция: Качественное утепление значительно увеличивает эффективность теплоаккумулятора.
- Совместимость с источниками тепла: Важно убедиться, что выбранный теплоаккумулятор совместим с вашим типом котла и другими элементами системы отопления.
Использование теплоаккумулятора существенно повышает эффективность работы отопительной системы, позволяя рациональнее использовать энергию и снижать расходы на отопление. Выбор правильного типа и размера теплоаккумулятора обеспечит оптимальное функционирование вашей системы отопления и создаст комфортные условия проживания.









