Насос погружной шламовый серии Иртыш ПШ4 100/293.270.И-22/4-116
- Описание
- Характеристики
- Видео
Основные параметры
Насос погружной шламовый серии «Иртыш» ПШ4 100/293.270.И-22/4-116
Расход: от 100 до 220 м³/ч
Напор: от 15 до 18,2 м.в.с.
Артикул (Код для заказа): уточняется при заказе оборудования
Внимание! Опускное устройство заказывается отдельно и имеет собственный артикул!
Расшифровка обозначения
Насос погружной шламовый серии «Иртыш» типа ПШ4 100/293.270.И-22/4-116:
П - погружной электродвигатель без принудительного охлаждения;
Ш - гидравлическая часть насоса предназначена для перекачивания промышленных жидкостей;
4 - в насосе установлено четырёхканальное рабочее колесо;
100 - номинальный диаметр напорного патрубка, мм;
293 - номинальный диаметр рабочего колеса, мм;
270 - фактический диаметр рабочего колеса, мм;
И - материал рабочей части износостойкий чугун;
- без обозначения, стандартная длина кабеля 10 метров;
22 - номинальная мощность электродвигателя, кВт;
4 - число полюсов электродвигателя;
1 - на опускном устройстве;
1 - ручного управления;
6 - влаго-термозащита.
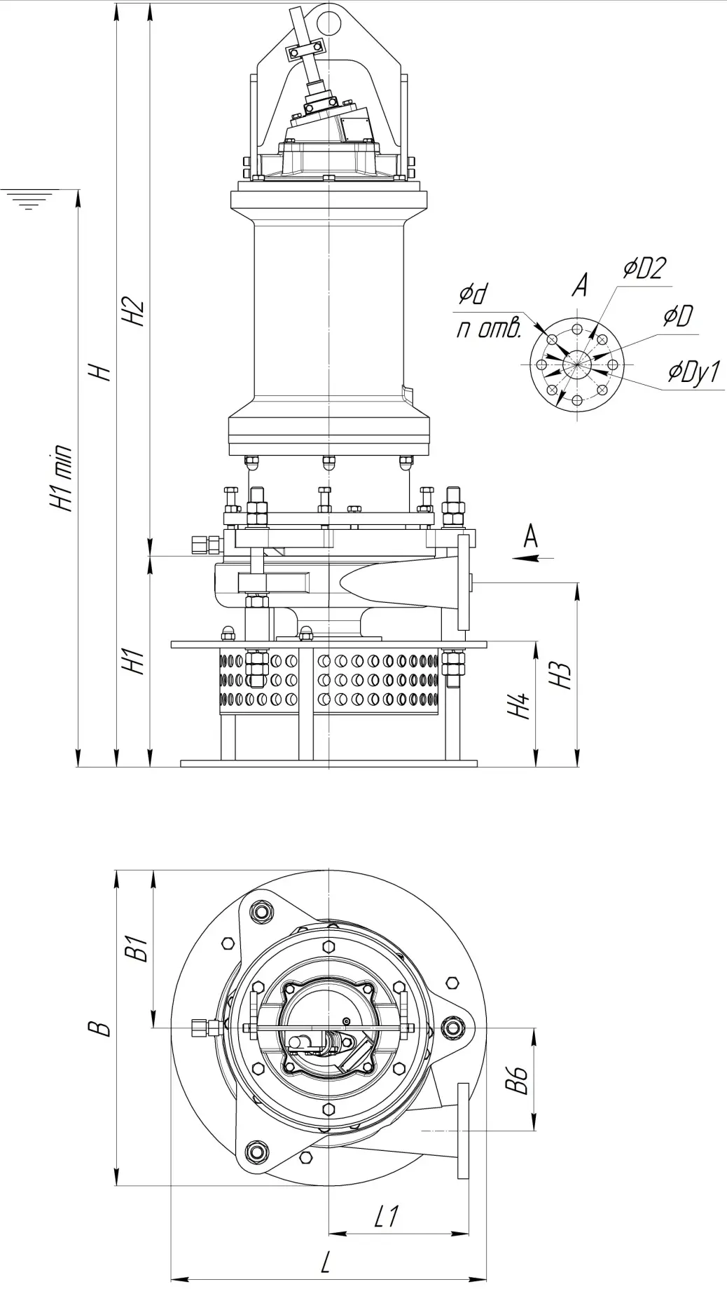
Общий вид и габаритные размеры электронасоса серии «Иртыш» ПШ4 100/293.270.И-22/4-016

Возможны технические изменения.
Габаритные размеры (ПШ4 100/293.270.И-22/4-016)
| L | L1 | B | B1 | B6 | H | H1 | H2 | H3 | H4 | H1min | Dy1 | D | D2 | d | n |
| 660 | 280 | 660 | 330 | 190 | 1510 | 440 | 1070 | 386 | 263 | 1120 | 100 | 170 | 210 | 18 | 4 |
Общий вид и габаритные размеры электронасоса серии «Иртыш» ПШ4 100/293.270.И-22/4-116

Возможны технические изменения.
Габаритные размеры (ПШ4 100/293.270.И-22/4-116)
| Dy2 | L3 | L4 | L5 | L6 | L7 | L8 | L9 | B2 | B3 | B4 | B5 | H5 | H6 | H7 | D3 | D4 | c | H2min |
| 125 | 1450 | 735 | 264 | 128,5 | 310 | 144 | 507 | 250 | 320 | 350 | 220 | 340 | 215 | 585 | 26 | 18 | 76 | 1290 |
Параметры рабочей точки
| Производительность, Q | 140 | м³/ч |
| Напор, Н | 25 | м |
| Потребляемая мощность в рабочей точке, Nпотр | 13,5 | кВт |
Характеристики насоса
| Вариант монтажа насоса | на опускном устройстве |
| Условный диаметр напорного патрубка, Ду, мм | 100 |
| Тип рабочего колеса | четырехканальное |
| Фактический диаметр рабочего колеса, мм | 270 |
| Рекомендуемая глубина погружения, м | не более 10 |
| Тип уплотнения вала | торцовое |
| Материал вращающейся части и неподвижного кольца торцового уплотнения | карбид кремния |
| Материал рабочего колеса | ИЧХ28Н2 ТУ 26 |
| Материал корпуса спирального | ИЧХ28Н2 ТУ 26 |
Параметры электродвигателя
| Номинальная мощность, кВт | 22 |
| Напряжение, В | 380 |
| Частота тока, Гц | 50 |
| Номинальный ток, А | 42 |
| Число полюсов | 4 |
| Частота вращения, об/мин | 1460 |
| Сos φ | 0,85 |
| КПД эл. двигателя | 88 |
| Соединение обмоток по схеме | Δ |
| Класс нагревостойкости | F |
| Способ охлаждения электродвигателя | погружной электродвигатель без принудительного охлаждения |
| Способ защиты электродвигателя | влаго-термозащита |
| Степень защиты электродвигателя | IP 68 |
Кабель питания
| Длина встроенного электрического кабеля, м | 10 |
| Количество жил кабеля, шт. | по факту заказа |
| Сечение жил, мм² | по факту заказа |
| Изоляция кабеля | маслостойкая |
Исполнение шкафа защиты, поставляемого в комплекте с насосом: ручного управления
Электронасос выполнен в климатическом исполнении УХЛ5* ГОСТ 15150-69 (значение температуры воздуха при эксплуатации +1°С … + 40°С)
Рабочие характеристики насоса серии «Иртыш» ПШ4 100/293.270.И-22/4

Ресурсы
| Средняя наработка на отказ, часов, не менее | 7000 |
| Средний ресурс до главного техобслуживания, часов, не менее | 20000 |
| Средний срок службы, лет, не менее | 20 |
| Расчетная масса, кг | 560 |
НАЗНАЧЕНИЕ
Электронасос серии «Иртыш» типа ПШ является моноблочным агрегатом, предназначен для перекачивания гравийных, песчано-гравийных, шлаковых, золошлаковых и других абразивных гидросмесей температурой от 274К (1°С) до 313К (40°С), и показателем рН 6,5…12,0, рекомендуемой плотностью до 1750 кг/м³, максимальным размером твердых частиц 6мм, объемной концентрацией твердых включений до 30% (твердость включений до 11000 МПа), средней крупностью не более 10 мм.
Перечень необходимых защит при эксплуатации электронасосов серии «Иртыш»
Для обеспечения длительной безаварийной работы каждого насоса «Иртыш» необходимо реализовать нижеперечисленный перечень защит и функций управления:
- защиты по встроенным датчикам в насосе. Наличие и тип датчиков зависит от комплектации насоса (информация предоставляется заводом изготовителем по запросу);
- наличие в шкафу управления автоматического выключателя защиты электродвигателя, подобранного в соответствии с номинальным током двигателя;
- тепловую защиту двигателя;
- контроль порядка чередования фаз;
- контроль повышенного или пониженного напряжения на каждой фазе;
- контроль перегрузки по току;
- контроль перекоса тока по фазам;
- контроль отсутствия одной или более фаз питания;
- контроль сопротивления изоляции обмоток статора относительно корпуса насоса;
- защита от «сухого» хода.
Для работы электронасоса мощностью свыше 3кВт в автоматическом режиме необходимо обеспечить условия для плавного запуска и останова электродвигателя насоса при помощи устройств плавного пуска или частотного преобразователя для электронасоса, предназначенного под частотное регулирование.
Для выполнения пусконаладочных работ необходимо реализовать режим ручного управления насосами и другим оборудованием. Шкаф должен иметь органы управления режимами работы оборудования, кнопки «Пуск», «Стоп» и световую индикацию как минимум «Сеть», «Насос в работе», «Авария насоса».
Заказчик ознакомлен с перечнем обязательных защит и несет ответственность за выход насосов из работоспособного состояния по причине нереализованных защит, предусмотренных шкафами управления серии «Иртыш».
Для долгосрочной работы насосов серии «Иртыш» рекомендуется приобретение шкафов управления серии «Иртыш» и выполнение пусконаладочных работ специалистами ОДО «Предприятие «Взлет».







