- Описание
- Характеристики
- Видео
- Документация
Расшифровка обозначения
Насос ПФс 80/140.114-5,5/2Ех-106
П - погружной электродвигатель без принудительного охлаждения;
Ф - гидравлическая часть насоса предназначена для перекачивания сточных вод;
с - в насосе установлено вихревое рабочее колесо;
80 - номинальный диаметр напорного патрубка, мм;
140 - номинальный диаметр рабочего колеса, мм;
114 - фактический диаметр рабочего колеса, мм;
5,5 - номинальная мощность электродвигателя, кВт;
2 - число полюсов электродвигателя;
Ex - взрывозащищенного исполнения;
1 - стационарный погружной (на опускном устройстве);
0 - без шкафа защиты и управления;
6 - влаго-термозащита;
Шкаф защиты и управления
НАСОС НЕ УКОМПЛЕКТОВАН ШКАФОМ ЗАЩИТЫ СЕРИИ ИРТЫШ!!!
В случае применения насоса без шкафа защиты или с каким - либо шкафом защиты (управления) не обеспечивающим защиту насоса в полном объёме предприятие не несет гарантийных обязательств за выход насосов из рабочего состояния по причине нереализованных защит, предусмотренных шкафами защиты (управления) Иртыш.
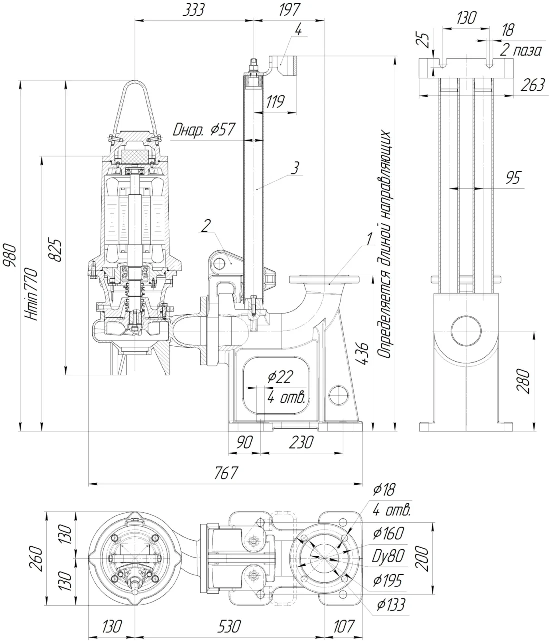
Габаритные размеры

Обозначения на чертеже
1. Патрубок погружной;
2. Насос с захватом;
3. Направляющие;
4. Кронштейн верхний
Параметры рабочей точки
|
Производительность, Q |
55 м³/ч |
|
Напор, Н |
10 м |
|
Потребляемая мощность в рабочей точке, Nпотр |
3,5 кВт |
|
КПД агрегата, η |
37% |
Характеристики насоса
|
Вариант монтажа насоса |
мобильный погружной |
|
Условный диаметр напорного патрубка, Ду, мм |
80 |
|
Тип рабочего колеса |
вихревое |
|
Фактический диаметр рабочего колеса, мм |
114 |
|
Рекомендуемая глубина погружения, м |
не более 10 |
|
Максимальный размер перекачиваемых частиц, мм |
25 |
|
Тип уплотнения вала |
торцовое |
|
Материал вращающейся части и неподвижного кольца торцового уплотнения |
карбид кремния |
|
Материал рабочего колеса |
чугун СЧ20 |
|
Материал корпуса спирального |
чугун СЧ20 |
Параметры электродвигателя
|
Номинальная мощность, кВт |
5,5 |
|
Напряжение, В |
380 |
|
Частота тока, Гц |
50 |
|
Номинальный ток, А |
11,4 |
|
Число полюсов |
2 |
|
Частота вращения, об/мин |
2850 |
|
Сos φ |
0,85 |
|
КПД эл. двигателя |
86 |
|
Соединение обмоток по схеме |
☆ |
|
Класс нагревостойкости |
F |
|
Способ охлаждения электродвигателя |
погружной электродвигатель без принудительного охлаждения; |
|
Способ защиты электродвигателя |
влаго - термозащита; |
|
Степень защиты электродвигателя |
IP 68; |
|
Длина встроенного электрического кабеля, м |
10 |
|
Количество жил кабеля, шт. |
7 |
|
Сечение жил, мм² |
1,5 |
|
Изоляция кабеля |
маслостойкая |
|
Исполнение шкафа защиты, поставляемого в комплекте с насосом |
без шкафа защиты и управления |
График характеристик насоса

Ресурсы
|
Средняя наработка на отказ |
не менее 7000 часов |
|
Средний ресурс до главного техобслуживания |
не менее 20000 часов |
|
Средний срок службы |
не менее 20 лет |
|
Масса насосного агрегата без шкафа управления |
110 кг |








